电脑桌面
添加小米粒文库到电脑桌面
安装后可以在桌面快捷访问

苏中集团北京市海淀区蓝靛厂居住区ⅰ区住宅8楼工程组织设计改VIP免费

苏中集团北京市海淀区蓝靛厂居住区ⅰ区住宅8楼工程组织设计改_第1页
1/74
苏中集团北京市海淀区蓝靛厂居住区ⅰ区住宅8楼工程组织设计改_第2页
2/74
苏中集团北京市海淀区蓝靛厂居住区ⅰ区住宅8楼工程组织设计改_第3页
3/74
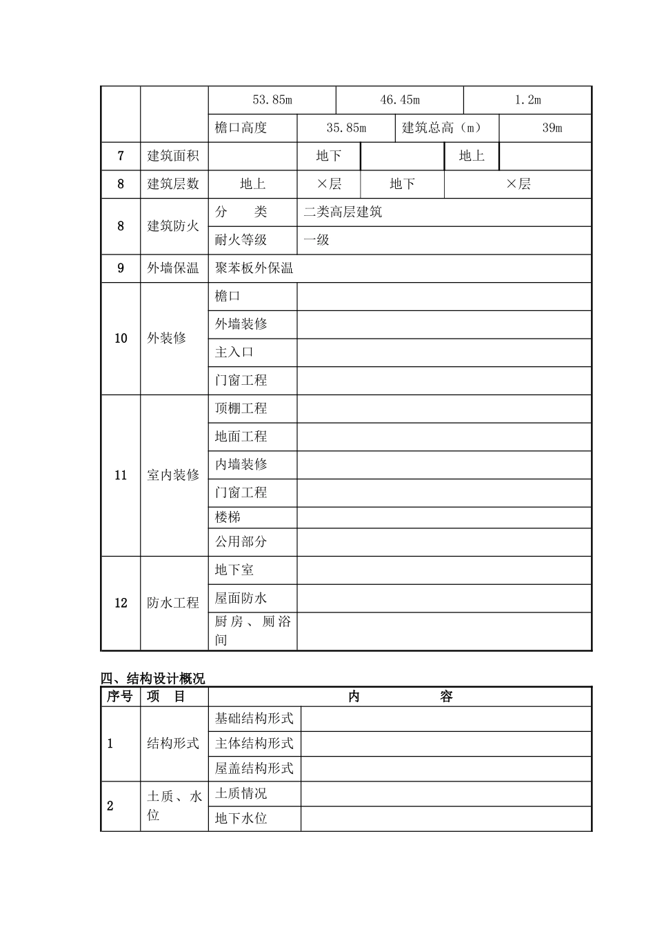
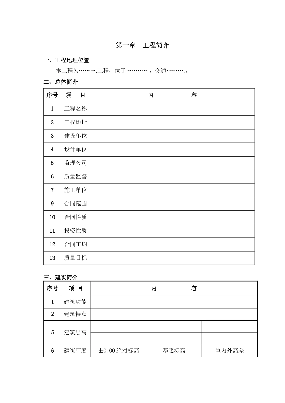
第一章 工程简介一、工程地理位置 本工程为……….工程,位于…………,交通……….。二、总体简介序号项 目内 容1工程名称2工程地址3建设单位4设计单位5监理公司6质量监督7施工单位9合同范围10合同性质11投资性质12合同工期13质量目标三、建筑简介序号项 目内 容1建筑功能2建筑特点5建筑层高6建筑高度±0.00 绝对标高基底标高室内外高差53.85m46.45m1.2m檐口高度35.85m建筑总高(m)39m7建筑面积地下地上8建筑层数地上×层地下×层8建筑防火分 类二类高层建筑耐火等级一级9外墙保温聚苯板外保温10外装修檐口外墙装修主入口门窗工程11室内装修顶棚工程地面工程内墙装修门窗工程楼梯公用部分12防水工程地下室屋面防水厨 房 、 厕 浴间四、结构设计概况序号项 目内 容1结构形式基础结构形式主体结构形式屋盖结构形式2土质、水位土质情况地下水位3建筑物地基地基土质层地基承载力4防水刚性防水柔性防水混凝土C15基础垫层C25楼体、墙体、现浇梁板C30楼体、墙体、现浇梁板C35墙体6抗震等级工程设防烈度建筑抗震设防等级7钢筋类别一级钢Φ6、Φ8、Φ10、Φ12二级钢Φ12,Φ14,Φ16,Φ18,Φ20,Φ22,Φ258钢筋接头形式等强直螺纹D≥20 的钢筋搭接绑扎D<20 的钢筋焊接连接D≥16 的钢筋9主要结构尺寸剪力墙尺寸180、200、250、300、400、450楼板厚度110、120、130、150、300、450筏板厚度250、65010二次结构陶粒空心砌块、陶粒板五、专业设计概况序号项 目设 计 要 求系 统 做 法管 线 类 别1给排水系统上水分区供水、分户计量丝接、熔焊连接镀锌和 PPR 管下水首层单排胶粘和打口UPVC 管和铸铁管雨水焊管外防腐焊接焊管热水下行上供丝接、熔焊连接镀锌和 PPR 管饮用水下行上供丝接、熔焊连接镀锌和 PPR 管消防水加压供水焊接焊管和无缝管2消防系统消防消火栓和喷洒丝接、焊接焊管和镀锌管报警消火栓手报和 119套管焊接焊管3风通通风新风和加压送风咬口镀锌钢板4电力系统照明分户计量根支法、焊接焊管动力TN-S 加等电位套管焊接焊管4电力系统弱电火灾报警、电视电话套管焊接焊管避雷三级防雷避雷网、引下线加接地体圆钢5设备电梯六、工程的特点与难点1、业主对工程工期的要求紧本工程要求的开工时间为×年×月×日,竣工时间为×年×月×日。工程合同工期为×天,定额工期为×天,所以对工期的要求非常紧,确保按业主要求的工期完成施工任务要靠我们合理安排,精心组织。2、冬、雨期施工对工程的影响本工程在×年×...

1、当您付费下载文档后,您只拥有了使用权限,并不意味着购买了版权,文档只能用于自身使用,不得用于其他商业用途(如 [转卖]进行直接盈利或[编辑后售卖]进行间接盈利)。
2、本站所有内容均由合作方或网友上传,本站不对文档的完整性、权威性及其观点立场正确性做任何保证或承诺!文档内容仅供研究参考,付费前请自行鉴别。
3、如文档内容存在违规,或者侵犯商业秘密、侵犯著作权等,请点击“违规举报”。

碎片内容

苏中集团北京市海淀区蓝靛厂居住区ⅰ区住宅8楼工程组织设计改

书海行舟+ 关注
实名认证
内容提供者

热爱教学事业,对互联网知识分享很感兴趣

确认删除?
VIP
微信客服
  • 扫码咨询
会员Q群
  • 会员专属群点击这里加入QQ群
客服邮箱
回到顶部