电脑桌面
添加小米粒文库到电脑桌面
安装后可以在桌面快捷访问

橡胶基本知识VIP免费

橡胶基本知识_第1页
1/7
橡胶基本知识_第2页
2/7
橡胶基本知识_第3页
3/7
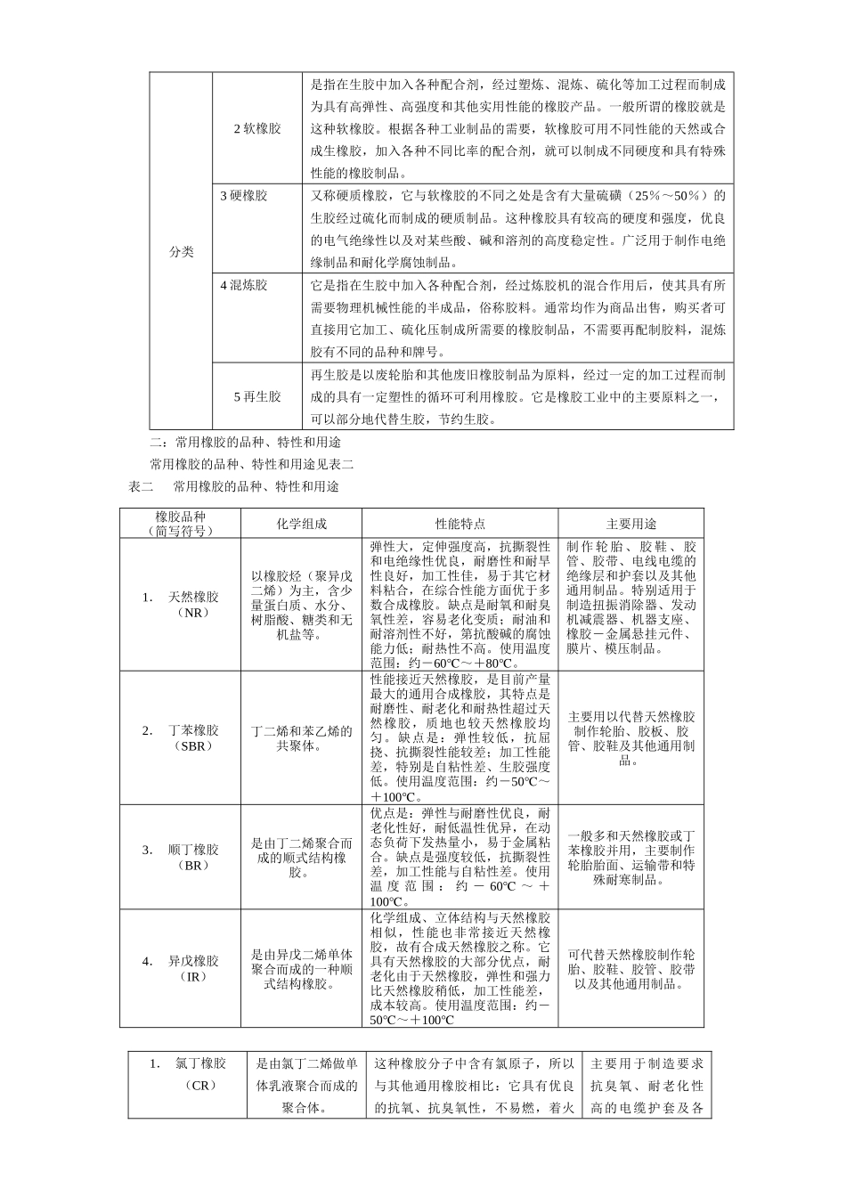
橡 胶 基 本 知 识橡胶,同塑料、纤维并称为三大合成材料,是唯一具有高度伸缩性与极好弹性的高分子材料。橡胶的最大特征首先是弹性模量非常小,而伸长率很高。其次是它具有相当好的耐透气性以及耐各种化学介质和电绝缘的性能。某些特种合成橡胶更具备良好的耐油性及耐温性,能抵抗脂肪油、润滑油、液压油、燃料油以及溶剂油的溶胀;耐寒可低到-60℃至-80℃,耐热可高到+180℃至+350℃。橡胶还耐各种曲挠、弯曲变形,因为滞后损失小。橡胶的第三个特征在于它能与多种材料进行并用、共混、复合,由此进行改性,以得到良好的综合性能。橡胶的这些基本性能,是它成为工业上极好的减震、密封、屈挠、耐磨、防腐、绝缘以及粘接等材料。第一章 橡胶的种类、特性和用途在全世界,橡胶(包括塑料改性的弹性体)的种类已超过 100 种。如果按牌号估算,实际上已超过 1000种。一:橡胶的分类1.按原材料来源与方法橡胶可分为天然橡胶和合成橡胶两大类。其中天然橡胶的消耗量占 1/3,合成橡胶的消耗量占 2/3。2.按橡胶的外观形态 橡胶可分为固态橡胶(又称干胶)、乳状橡胶(简称乳胶)、液体橡胶和粉末橡胶四大类。3.根据橡胶的性能和用途除天然橡胶外,合成橡胶可分为通用合成橡胶、半通用合成橡胶、专用合成橡胶和特种合成橡胶。4.根据橡胶的物理形态橡胶可分为硬胶和软胶,生胶和混炼胶等。根据橡胶种类及交联形式,在工业使用上,橡胶又可按如下分类。一类按耐热及耐油等功能分为:普通橡胶、耐热橡胶、耐油橡胶以及耐天候老化橡胶、耐特种化学介质橡胶等。另一类按橡胶的软硬程度划分为:一般橡胶、硬橡胶、半硬质胶、硬质胶、微孔胶、海绵胶、泡沫橡胶等。具体分类方法见表一表一 橡胶的分类分类方法分类名称分 类 说 明1 按橡胶的来源分类1 天然橡胶它是采集橡胶树或橡胶草等含胶植物中的胶汁,经过区杂质、凝聚、液压、干燥等加工步骤而制成的,其主要化学组成成分是不饱和的橡胶烃。2 合成橡胶它是从石油、天然气或煤和石灰石以及农副产品中(现在主要是从石油化工产品中)提炼某些低分子的不饱和烃做原料,制成“单体”物质,然后经过复杂的化学反应而获得的人工合成的高分子聚合物,故有人造橡胶之称。合成橡胶的种类很多,现在已经工业化生产的有:丁苯橡胶、顺丁橡胶、异戊橡胶、氯丁橡胶、丁基橡胶、丁晴橡胶、丁丙橡胶、氯磺化聚乙烯橡胶、丙烯酸酯橡胶、聚氨酯橡胶、硅橡胶、氟橡胶、氯醚橡胶、以及聚硫橡胶等。2...

1、当您付费下载文档后,您只拥有了使用权限,并不意味着购买了版权,文档只能用于自身使用,不得用于其他商业用途(如 [转卖]进行直接盈利或[编辑后售卖]进行间接盈利)。
2、本站所有内容均由合作方或网友上传,本站不对文档的完整性、权威性及其观点立场正确性做任何保证或承诺!文档内容仅供研究参考,付费前请自行鉴别。
3、如文档内容存在违规,或者侵犯商业秘密、侵犯著作权等,请点击“违规举报”。

碎片内容

橡胶基本知识

您可能关注的文档

确认删除?
VIP
微信客服
  • 扫码咨询
会员Q群
  • 会员专属群点击这里加入QQ群
客服邮箱
回到顶部