电脑桌面
添加小米粒文库到电脑桌面
安装后可以在桌面快捷访问

区域电力网及降压VIP免费

区域电力网及降压_第1页
1/131
区域电力网及降压_第2页
2/131
区域电力网及降压_第3页
3/131
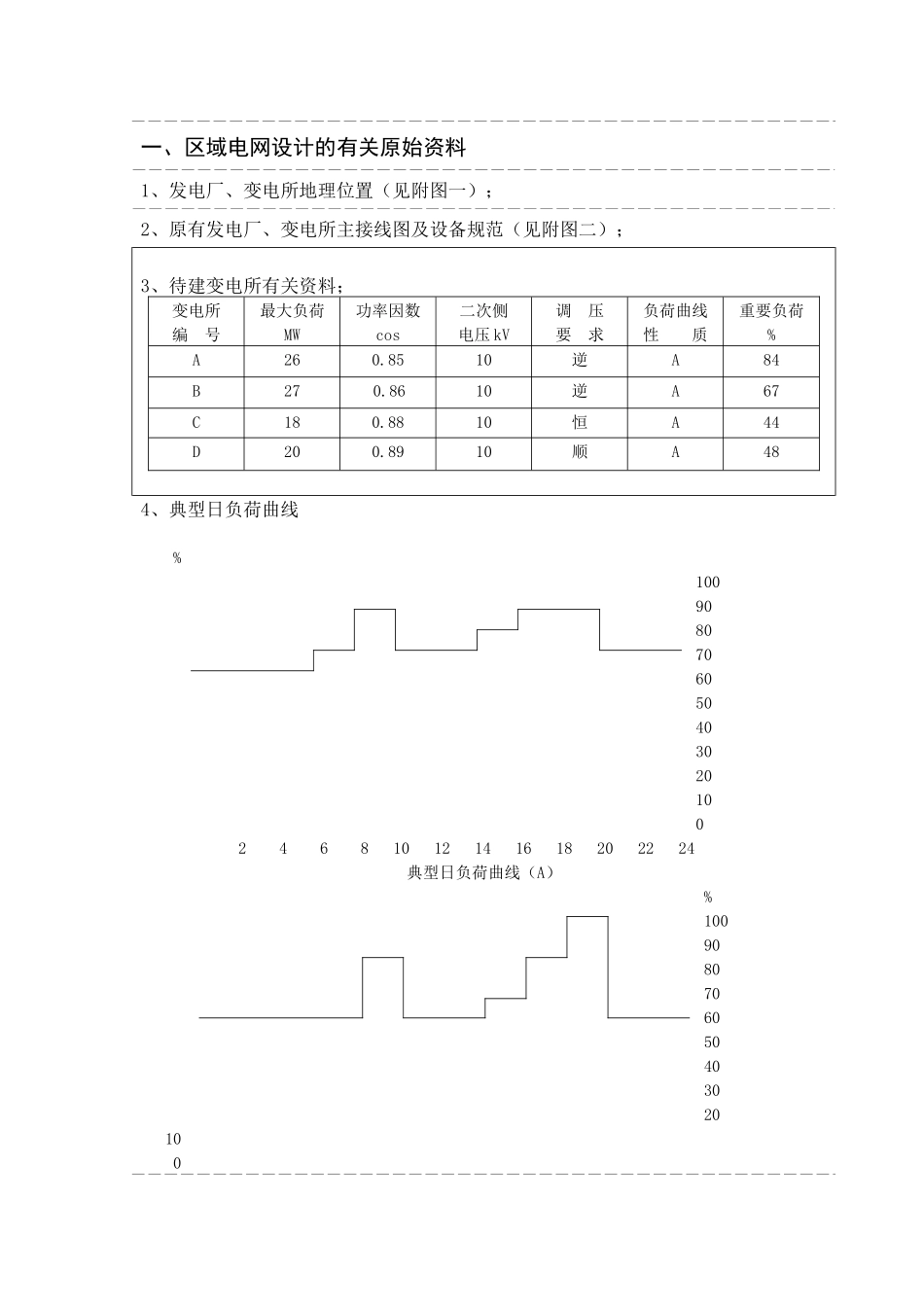
南京工程学院毕业设计任务书 电力工程 学院电气工程及其自动化 专业设 计 题 目: 区域电力网及降压变电所设计 学 生 姓 名 班 级 起 止 日 期 指 导 教 师 教研室主任 发任务书日期 年 月 日1.毕业设计的原始数据:一、区域电网设计的有关原始资料1、发电厂、变电所地理位置(见附图一);2、原有发电厂、变电所主接线图及设备规范(见附图二);3、待建变电所有关资料;变电所编 号最大负荷MW功率因数cos二次侧电压 kV调 压要 求负荷曲线性 质重要负荷%A260.8510逆A84B270.8610逆A67C180.8810恒A44D200.8910顺A484、典型日负荷曲线%1009080706050403020 100 2 4 6 8 10 12 14 16 18 20 22 24典型日负荷曲线(A)% 1009080706050403020 100 2 4 6 8 10 12 14 16 18 20 22 24典型日负荷曲线(B)5、其他说明(1)功率初步平衡 厂用电率 7%,线损率 6%;(2)各回路最大负荷同时系数去 1.0;(3)本电力网多余功率送回系统,功率缺额时由系统供给;(4)除另有说明外,高压侧均按屋外布置考虑配电装置;(5)待设计各变电所低压出线回路数,电压 10kV 时,按照 1500-2000kW 考虑。(6)已有发电厂、变电所均留有间隔,以备发展;(7)区域气温最高为 40 摄氏度,年平均为 25 摄氏度。二、变电所的有关原始资料 1、带设计变电所 地理位置图 A 中的 B 与系统联系方式。2、变电所用户及环境资料。(1)变电所用户资料与前同;(2)10kV 出线过电流保护时限不超过 1 秒。(3)环境资料: 年最高气温 40°C ,最热月平均最高气温 32°C 。(4)10kV 出线及供电方式如下图:双回路供电 单回路供电 单回路供电但兼环形备用 2.毕业设计(论文)的内容和要求(包括技术要求、图表要求以及工作要求等):一、区域电力网的设计内容1、根据负荷资料,待设计变电所的地理位置。根据已有电厂的供电情况,做出功率平衡。2、通过技术经济综合比较,确定电力网供电电压、电网接线方式及导线截面。3、进行电力网功率分布及电压计算,评定调压要求,选定调压方案。4、评定电力网接线方案。二、在区域电力网设计的基础上,设计 地理位置图 A 中的 B 降压变电所的电气部分。具体要求如下:1、对待设计变电所在系统中的地位作用及所供用户的分析。2、选择变电所主变压器的台数、容量、型式。3、分析确定高低压主接线方式及配电装置型式。4、分析确定所用电接线方式。5、进行继...

1、当您付费下载文档后,您只拥有了使用权限,并不意味着购买了版权,文档只能用于自身使用,不得用于其他商业用途(如 [转卖]进行直接盈利或[编辑后售卖]进行间接盈利)。
2、本站所有内容均由合作方或网友上传,本站不对文档的完整性、权威性及其观点立场正确性做任何保证或承诺!文档内容仅供研究参考,付费前请自行鉴别。
3、如文档内容存在违规,或者侵犯商业秘密、侵犯著作权等,请点击“违规举报”。

碎片内容

区域电力网及降压

您可能关注的文档

确认删除?
VIP
微信客服
  • 扫码咨询
会员Q群
  • 会员专属群点击这里加入QQ群
客服邮箱
回到顶部