电脑桌面
添加小米粒文库到电脑桌面
安装后可以在桌面快捷访问

35KV电力线路跨越施工措施VIP免费

35KV电力线路跨越施工措施_第1页
1/7
35KV电力线路跨越施工措施_第2页
2/7
35KV电力线路跨越施工措施_第3页
3/7
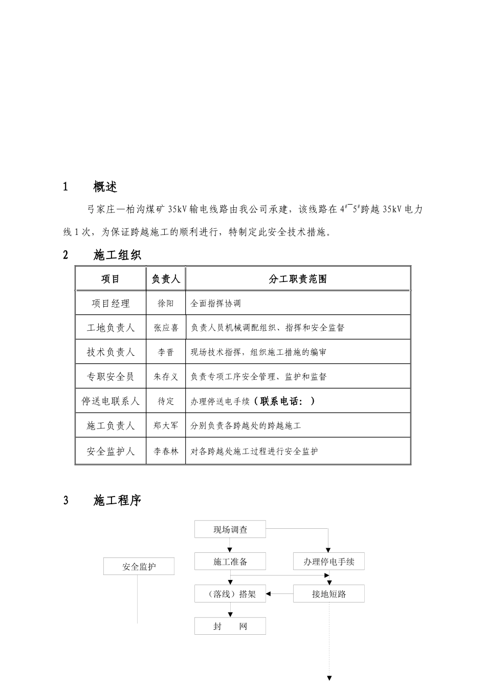
1 概述弓家庄—柏沟煤矿 35kV 输电线路由我公司承建,该线路在 4#~5#跨越 35kV 电力线 1 次,为保证跨越施工的顺利进行,特制定此安全技术措施。2 施工组织项目负责人分工职责范围项目经理徐阳全面指挥协调工地负责人张应喜负责人员机械调配组织、指挥和安全监督技术负责人李晋现场技术指挥,组织施工措施的编审专职安全员朱存义负责专项工序安全管理、监护和监督停送电联系人待定办理停送电手续(联系电话:)施工负责人郑大军分别负责各跨越处的跨越施工安全监护人李春林对各跨越处施工过程进行安全监护3 施工程序 现场调查施工准备(落线)搭架封 网办理停电手续接地短路安全监护4施工方案与施工措施4.1 施工方案4#~5#跨越 35kV 段纯线 1 处,采取停电后落线并搭设简易跨越架,用绝缘绳封网后进行跨越的施工方法。4.2 施工措施4.2.1 搭设跨越架跨越架的搭设应在良好的天气进行,所用架杆应坚实干燥。架体中心应在线路中心线上,架宽应超出线路两边线各 2 米。每 1.5 米设立一根立杆,立杆埋深不应小于 0.7m,杆坑底部要夯实,每 1.2 米设一根横杆,地面应设扫地杆,最高层的横杆要加强,在搭设横杆过程中,应在电力线外侧设立临时拉线或斜撑以防倾倒,然后用架杆交叉密集封顶。架高要超出电力线 1.5m 或以上,架面距导线水平距离保证1.5m 或以上,在跨架外侧打好拉线,拉线对地夹角应小于 60°,架体中部及两端设斜撑,撑杆埋入地下的深度不应小于 30cm。每 3 根立杆设置剪刀撑,并安装外伸羊角。搭设好的跨越架应牢固可靠,可承受顺线路方向 2T 的拉力。跨越架搭设好后,经安监部门检验合格后才可进行跨越施工。架体上应挂警示牌。木质越线架立杆有效部分的小头直径不得小于 7 厘米。横杆有效部分的小头直径不得小于 8 厘米;6~8 厘米的可双杆合并使用。毛竹越线架立杆、横杆、剪刀撑和支杆有效部分的小头直径不得小于 7.5 厘米。4.2.2 封顶对于带电线路必须使用经检验合格的 φ18 绝缘尼龙绳进行封顶。封顶由有经验跨 越(恢复)拆除清 理安全监护拆除接地线恢复送电的登高人员进行操作。登高人员攀上搭设好的架体顶部,系好安全带后,将绝缘绳甩过对侧,对侧登高人员在架体上绑扎牢固后再甩过来,如此搭设成为交叉密集的绝缘封网。4.2.2 落线在接到停电命令票后,由登高人员登上施工处两端杆塔,对所跨越物用合格的、相应电压等级的验电器进行验电,验明无电后,在施工处两端进行三相短路与...

1、当您付费下载文档后,您只拥有了使用权限,并不意味着购买了版权,文档只能用于自身使用,不得用于其他商业用途(如 [转卖]进行直接盈利或[编辑后售卖]进行间接盈利)。
2、本站所有内容均由合作方或网友上传,本站不对文档的完整性、权威性及其观点立场正确性做任何保证或承诺!文档内容仅供研究参考,付费前请自行鉴别。
3、如文档内容存在违规,或者侵犯商业秘密、侵犯著作权等,请点击“违规举报”。

碎片内容

35KV电力线路跨越施工措施

确认删除?
VIP
微信客服
  • 扫码咨询
会员Q群
  • 会员专属群点击这里加入QQ群
客服邮箱
回到顶部