电脑桌面
添加小米粒文库到电脑桌面
安装后可以在桌面快捷访问

第7章机械加工工艺规程1VIP免费

第7章机械加工工艺规程1_第1页
1/10
第7章机械加工工艺规程1_第2页
2/10
第7章机械加工工艺规程1_第3页
3/10
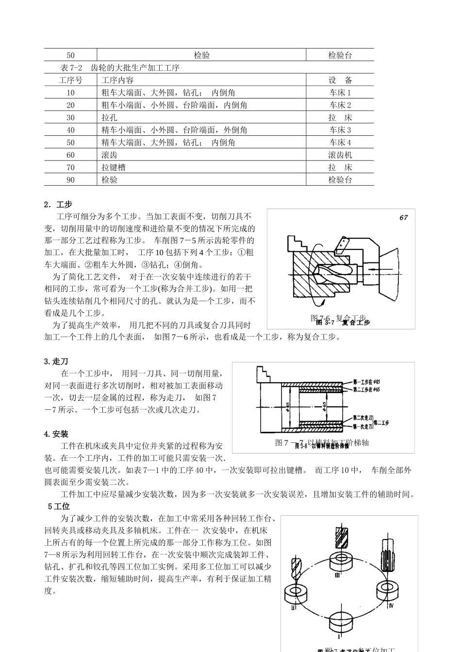
总体设计零部件设计决定功能选择材料 决定结构与尺寸制定技术条件绘出样图 与尺寸 决定结构 与尺寸 制定技术 条件 绘出样图零部件设计 决定功能 选择材料 决定结构 与尺寸 制定技术 条件 绘出样图零部件设计 决定功能 选择材料 决定结构 与尺寸 制定技术 条件 绘出样图零部件设计 决定功能 选择材料 决定结构 与尺寸 制定技术 条件 绘出样图总体设计零部件设计 决定功能 选择材料 决定结构 与尺寸 制定技术 条件 绘出样图决定生产方案制定工艺规程及工艺卡设计并制造工 艺装备铸件锻件冲压件焊接件棒料非金属材料毛坯粗加工精加工半精加工热处理及表面处理 外购件外协件标准件组件装配部件装配总装配调 试 检 测技术与生产管理(包括检测)依具体要求贯穿全过程产品设计 工艺准备 毛坯制造 机械加工 装配调试涂装出厂第 7 章 机械加工工艺规程 Process Engineering 第 1 节 基本概念与术语一、生产过程与工艺过程1. 生产过程我们通常所讲的生产过程是将原材料或半成品转变为成品所进行的全部过程。任何一种机械都是由零件、组件、部件装配而成, 其制造是一个复杂的过程。对一个机械产品来说, 要满足与适应市场的需求, 其设计与制造应分为以下几个阶段, 如图 7-1 所示: 图 7-1 机械产品的生产过程2. 工艺过程工艺过程-加工对象性能的变化,包括几何形状、硬度、状态、信息量等等。如锻压、铸造、机械加工、冲压、焊接、热处理、表面处理、装配和试车等。所以,具体地说,工艺过程是与改变原材料或半成品使之与成为成品直接有关的全部过程。二、工艺过程的组成机械加工工艺过程是由一系列工序组成的,毛坯依次通过这些工序而变为成品。工序是工艺过程的基本组成部分。1 工序 在一个工作地点上、对一个工件(或—组工件)进行加工所进行的连续工作过程,叫工序。如图 7—5所示的齿轮,加工数量较少时,可按表 7-1 分工序,而加工数量较多时,工序划分如表 7—2 所示。 工序的划分依靠两个基本要素:一是工序中的工人、工件和所用的机床或工作地点是否改变,;二是加工过程是否连续完成。 比如,即使粗加工和精加工都是在同一机床上进行,如果中间插入其它处理 ,失去了工序的连续性,则应把这两次加工分成两道工序。表 7-1 齿轮的单件小批生产加工工序工序号工 序 内 容设 备10粗车大端面、大外圆,钻孔;调头,粗车小端面、小外圆、台阶端面,精车小端面、小外...

1、当您付费下载文档后,您只拥有了使用权限,并不意味着购买了版权,文档只能用于自身使用,不得用于其他商业用途(如 [转卖]进行直接盈利或[编辑后售卖]进行间接盈利)。
2、本站所有内容均由合作方或网友上传,本站不对文档的完整性、权威性及其观点立场正确性做任何保证或承诺!文档内容仅供研究参考,付费前请自行鉴别。
3、如文档内容存在违规,或者侵犯商业秘密、侵犯著作权等,请点击“违规举报”。

碎片内容

第7章机械加工工艺规程1

您可能关注的文档

确认删除?
VIP
微信客服
  • 扫码咨询
会员Q群
  • 会员专属群点击这里加入QQ群
客服邮箱
回到顶部