电脑桌面
添加小米粒文库到电脑桌面
安装后可以在桌面快捷访问

住宅装饰工程施工方法(1)VIP免费

住宅装饰工程施工方法(1)_第1页
1/5
住宅装饰工程施工方法(1)_第2页
2/5
住宅装饰工程施工方法(1)_第3页
3/5
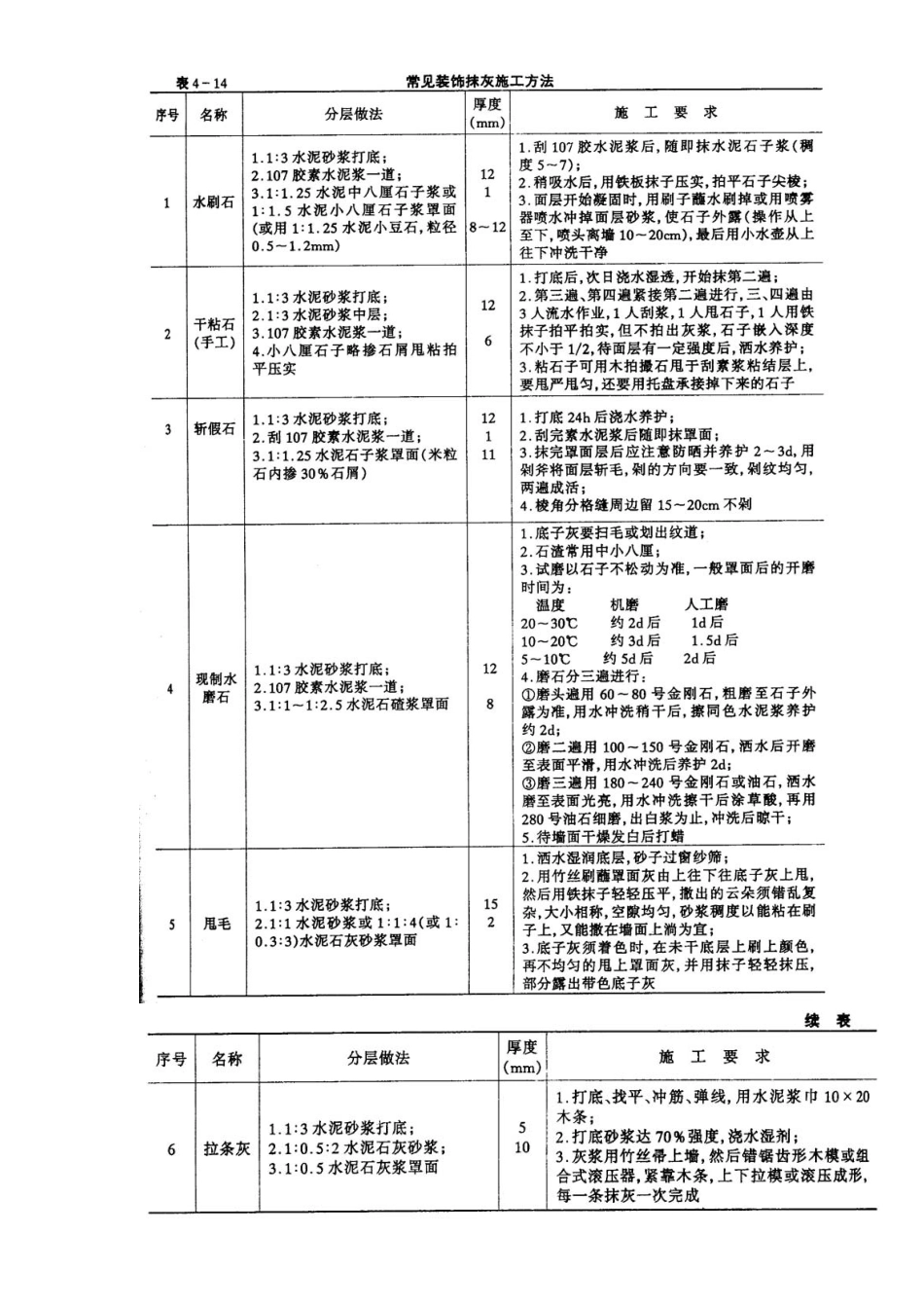
住宅装饰工程施工方法抹灰工程的分类 抹灰按工程部位分为外墙抹灰、内墙抹灰、顶棚抹灰、地面抹灰、饰面安装等;按使用材料和装饰效果分为一般抹灰和装饰抹灰。抹灰按建筑物标准分为普通抹灰、中级抹灰和高级抹灰三类(详见表 4-12)。墙(柱)面一般抹灰施工 墙、柱面一般抹灰使用的材料包括石灰砂浆、水泥砂浆、水泥混合砂浆、麻刀石灰、纸筋石灰、玻璃丝石灰、石膏灰等,其施工操作要点见表 4-13。墙(柱)面装饰抹灰施工 墙柱面装饰抹灰常见的有水刷石、干粘石、斩假石、现制水磨石、甩毛灰、拉条灰、喷涂、弹涂等,其施工操作方法见表 4-14。墙(柱)面镶贴大理石施工工艺 大理石饰面工程的施工方法一般有粘贴法、镶贴法和干挂法三种。1.粘贴法施工工艺。在墙、柱面大理石装饰工程中,当大理石板材厚度小于 1 厘米、边长小于 40 厘米时,一般采用粘贴法施工。施工准备工作有:(1)材料准备:大理石板材、325#以上水泥、白水泥、粗砂、中砂、颜料、熟石灰、粘结剂等。(2)机具准备:砂轮锯、合金钢钻头、台钻、切割机、手电钻、打孔机、电锤、抹灰工具等。施工方法如下:(1)工序顺序:处理基层→抄平放线→选材试排→粘贴大理石板→清理嵌缝。(2)基本操作:①基层处理,首先检查基层的垂直度和平整度,偏差大的部位应凿掉或填补,油污处要清洗,光滑的要凿毛。②抄平放线,弹出不同规格板材分格线。③选材试排。选择合格板材进行试排,调整颜色花纹,定位编号,清理板材背面,按次序堆放,以便粘贴。④粘贴大理石板。用贴灰饼标出墙面的控制点,按放线弹出的最下一层大理石板的下口标高,垫好固定直尺,并用铁水平尺检查无误,方可在直尺上开始粘贴第一排大理石板。一般按编号在大理石背面抹上 3~5 厘米混合砂浆。由下往上粘贴在找平层上,最下一层要紧靠直尺上皮,贴上后用橡皮锤轻轻砸实,使砂浆挤满与弹出的上口水平线相齐为准,边粘贴边检查质量。当采用盲缝粘贴时,在石缝间嵌进 0.5 毫米的塑料,或在石板的棱边夹进少量纱绳,以防棱边碰损。2.镶贴法施工工艺。在墙、柱面大理石装饰工程中,当大理石板材的边长大于 40 厘米时,一般采用镶贴法施工。施工准备工作如下:(1)材料准备:大理石板材、325#以上水泥、粗砂、中砂、粘结剂、石膏、白水泥、颜料、φ6 钢筋、16 号不锈钢丝等。(2)机具准备:台钻、砂轮锯、合金钻头、切割机、打孔机、手电钻、电锤及抹灰工具等。施工基本操作方法如下:( 1...

1、当您付费下载文档后,您只拥有了使用权限,并不意味着购买了版权,文档只能用于自身使用,不得用于其他商业用途(如 [转卖]进行直接盈利或[编辑后售卖]进行间接盈利)。
2、本站所有内容均由合作方或网友上传,本站不对文档的完整性、权威性及其观点立场正确性做任何保证或承诺!文档内容仅供研究参考,付费前请自行鉴别。
3、如文档内容存在违规,或者侵犯商业秘密、侵犯著作权等,请点击“违规举报”。

碎片内容

住宅装饰工程施工方法(1)

确认删除?
VIP
微信客服
  • 扫码咨询
会员Q群
  • 会员专属群点击这里加入QQ群
客服邮箱
回到顶部