电脑桌面
添加小米粒文库到电脑桌面
安装后可以在桌面快捷访问

住宅浮筑楼板隔声技术及施工方法VIP免费

住宅浮筑楼板隔声技术及施工方法_第1页
1/6
住宅浮筑楼板隔声技术及施工方法_第2页
2/6
住宅浮筑楼板隔声技术及施工方法_第3页
3/6
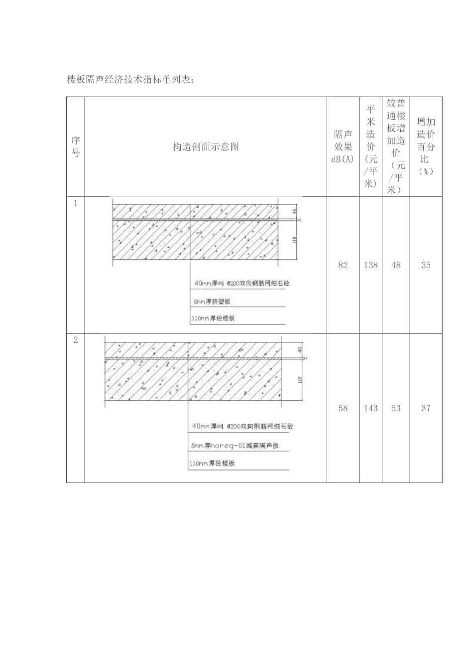
住宅浮筑楼板隔声技术及施工方法2017-01-19作者:沈佳民(杭州汉克斯隔音技术工程有限公司)楼板撞击声是上层住宅的物体撞击楼板,使楼板振动而通过结构传递给下层住宅空间。目前,我国对于住宅板隔声的设计有以下规定:1.《住宅设计规范》GB-50096-1999(2003版)5.3.1条说明:楼板的计权标准化撞击声级小于或等于75dB(A)。2.《民用建筑隔声设计规范》GBJ118-88第3.2.2条说明:分户层楼板计权标准化撞击声级一级是≤65dB(A),二级≤75dB(A);另外当确有困难时,可允许三级楼板计权标准化撞击声压级≤85dB(A),但在楼板构造上应预留改善的可能条件。3.《健康住宅建设技术规程》CECS179:2005的最低标准为≤75dB(A)。国内相关机构对住宅楼板计权标准化撞击声级的调查得出了主观评价,以不大于65dB(A)为宜,考虑到具体的技术经济条件,确定以不大于75dB(A)为低限值。表:楼板计权标准化撞击声压级与主观评价计权标准化撞击声压经受听闻感觉室内背景噪声30-35dB(A)住户满意满意可以不满意>85dB(A)脚步声、扫地、缝纫机等都能引起较大反应,拖动桌椅,孩子跑跳则难以忍受//≥90%75~85dB(A)脚步声能听到,但影响不大;拖桌椅,孩子跑跳感觉强烈,敲打则难以忍受/50%50%65~75dB(A)脚步声白天感觉不到,晚上能听到,但较弱;但除睡觉外一般不影响10%80%10%≤65dB(A)除敲打外,一般声音都听不到;椅子跌倒、孩子跑跳都能听到,但声音较弱65%35%但是现阶段我国房地产市场上提供给消费者使用的商品住宅中,大量的是按初装修标准设计的,其中的楼面层是在钢筋混凝土结构层上面做水泥砂浆找平层,楼板的计权标准化撞击声级基本在80dB(A)左右。住户进行二次装修时选用的面层为实木地板,可以达到65dB(A)左右,基本能满足设计标准。如果选用的面层材料是硬质材料(花岗岩、地板磁砖等),也只能维持在80dB(A)左右,达不到设计要求。为解决楼板撞击声的干扰问题,根据我国材料施工和经济等方面的条件,宜采用浮筑楼板,即在承重楼板上铺弹性垫层,上面做细石钢筋混凝土楼面层。钢筋混凝土楼面层工作为质量,和弹性垫层之类似弹簧,构成一个隔振系统。面层质量越大,垫层弹性越好,则隔声越好。同时,在施工过程中应防止出现声桥。天龙.南国名城在选用楼板隔声材料时通过对6mm厚挤塑聚苯板、15mm厚挤塑聚苯板、5mmHoreq-01减振隔声垫、20mm厚外墙保温砂浆、18mm厚实木地板、“欧文斯.科宁”生产的10mm厚玻璃棉(容重80Kg/m3)及10mm厚挤塑板隔声垫七种隔声材料制作样板间,并先后邀请了清华大学建筑物理环境检测中心,东南大学建筑物理实验室,中国建筑设计研究院住宅实验室对以上六种隔声材料的制作的楼板进行试验测试,以下图表为六种材料技术经济指标的比较分析。楼板隔声经济技术指标单列表:序号构造剖面示意图隔声效果dB(A)平米造价(元/平米)较普通楼板增加造价(元/平米)增加造价百分比(%)1821384835258143533737213242324801364634566260170656701617144通过实验数据分析,我们可以看到在隔声性能方面:选用5mm厚Horeq-01减振隔声垫楼面隔声减振板的楼板系统的隔声效果最好,楼板的计权标准化撞击声级达到58dB(A)。而选用6mm厚挤塑聚苯板和20mm厚外墙内保温砂浆对改善楼板几乎没有起到作用,测出的楼板计权撞击声级均为80dB(A),和未加隔声材料处理的楼板是一样的。当挤塑聚苯板的百度增加至15mm厚时,楼板的隔声效果可以改善为72dB(A),(注:此数据引自《健康住宅建设应用技术》2004试行版)。选用10mm厚“欧文斯.科宁”楼板隔声垫的楼板系统和由18mm厚实木地板加30mm*50mm地木龙档的楼板系统的楼板计权标准化撞击声级,基本在65dB(A)左右。在工程造价方面,实木地板的造价最高,6mm厚挤塑板和外墙内保温砂浆的楼板价格最低。结合隔声效果来看,5mm厚Horeq-01减振隔声垫的性价比最佳。影响楼层净高方面:由于南国名城住宅的层高设计为2.9米,必须考虑室内楼层净高度对住户的影响,采用的浮筑楼板的总厚度越小越好,Horeq-01减振隔声垫是七种隔声材料中最薄的一种,对楼层净高的影响最小。通过隔声效果、工程造价、材料厚度三方面的的综合分析比...

1、当您付费下载文档后,您只拥有了使用权限,并不意味着购买了版权,文档只能用于自身使用,不得用于其他商业用途(如 [转卖]进行直接盈利或[编辑后售卖]进行间接盈利)。
2、本站所有内容均由合作方或网友上传,本站不对文档的完整性、权威性及其观点立场正确性做任何保证或承诺!文档内容仅供研究参考,付费前请自行鉴别。
3、如文档内容存在违规,或者侵犯商业秘密、侵犯著作权等,请点击“违规举报”。

碎片内容

住宅浮筑楼板隔声技术及施工方法

您可能关注的文档

文章天下+ 关注
实名认证
内容提供者

各种文档应有尽有

确认删除?
VIP
微信客服
  • 扫码咨询
会员Q群
  • 会员专属群点击这里加入QQ群
客服邮箱
回到顶部