电脑桌面
添加小米粒文库到电脑桌面
安装后可以在桌面快捷访问

竣工财务决算说明书2.1VIP免费

竣工财务决算说明书2.1_第1页
1/5
竣工财务决算说明书2.1_第2页
2/5
竣工财务决算说明书2.1_第3页
3/5
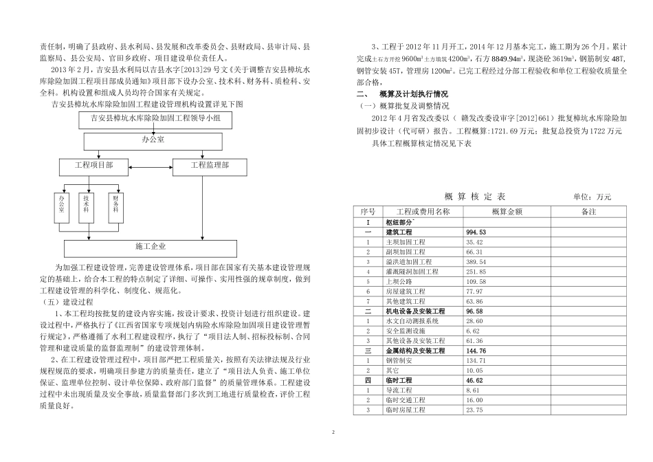
吉安县樟坑水库除险加固工程(一期)竣工财务决算说明书一、项目基本情况樟坑水库位于吉安县官田乡的樟坑村,其地理位置为东径 114°35′、北纬27°06′,座落在赣江水系禾水支流龙陂水的梅花江上,距吉安县城 46km。坝址以上集雨面积 35.0km2。水库总库容 1462 万 m3(本次复核)。正常蓄水位 153.64m(黄海高程,下同),设计洪水位(P=2%)155.52m,校核洪水位(P=0.1%)156.71m。水库设计灌溉面积 3.5 万亩,实际灌溉面积 1.8 万亩。最初设计是一座以灌溉为主,兼有防洪、发电、养殖等综合效益的小(一)型水库。2005 年 7 月 15-16 日,省水利厅组织专家审查并以赣水建管字[2005]194 号文批复同意确认樟坑水库为中型水库。工程建成于 1959 年冬,于 1979 年扩建及 2007 年~2008 年应急加固达到现有规模。水库设计灌溉面积 3.5 万亩,实际灌溉面积 1.8 万亩。是一座以灌溉为主,兼有防洪、发电、养鱼等综合利用的中型水库。水库由吉安县樟坑水库管理委员会管理,隶属于吉安县水利局,属准公益性事业单位,现有在编 14 人。主坝:为均质土坝,1958 年冬开工清基兴建,1964 年、1965 年对大坝进行扩建,使大坝高程达到 153m。1979 年再度对水库进行扩建,使大坝高程达到 157.1m,并在迎水坡、背水坡采用干砌块石护坡,背水坡坝脚砌筑了排水棱体。2007~2008 年应急加固完成了主坝上游高程 145.00m 以下风化土料培厚,砼防渗墙,坝基帷幕灌浆,上游坝坡 134.93m 以下抛石固脚、134.93m—157.10m C15 砼预制块护坡,下游坝坡草皮护坡,原坝脚排水棱体外侧增设贴坡排水体。副坝为均质土坝,1964 年兴建,1979 年完善,2007~2008 年应急加固完成了上游粘土斜墙、砼预制块护坡,下游草皮护坡,坡脚设置贴坡式排水体。溢洪道: 1963 年冬在天然垭口最低处开挖一条 6m 宽 2m 深的明渠临时溢洪道,后建有插板闸门控制,闸底高程 148.70m,7 孔,每孔净宽 2.5-3.0m,总宽 23m。1979年溢洪道改建于副坝右坝肩,达到现状规模。灌溉输水涵管:老涵管为在大坝左岸开凿坝下涵管,为钢筋砼结构。后因断裂破坏、漏水严重于 1974 年在大坝右岸重新建压力隧洞,并对原涵管进行了封堵;1976 年老涵管五处断裂,造成大坝沿涵管至背水坡五处跌窝;在坝右改建设隧洞后进行了简单封堵。2007~2008 年应急加固又对原坝下涵管进行了截水墙式封堵。截水墙截断了原坝下涵管。更换了隧洞进出口闸门及启闭设施,...

1、当您付费下载文档后,您只拥有了使用权限,并不意味着购买了版权,文档只能用于自身使用,不得用于其他商业用途(如 [转卖]进行直接盈利或[编辑后售卖]进行间接盈利)。
2、本站所有内容均由合作方或网友上传,本站不对文档的完整性、权威性及其观点立场正确性做任何保证或承诺!文档内容仅供研究参考,付费前请自行鉴别。
3、如文档内容存在违规,或者侵犯商业秘密、侵犯著作权等,请点击“违规举报”。

碎片内容

竣工财务决算说明书2.1

确认删除?
VIP
微信客服
  • 扫码咨询
会员Q群
  • 会员专属群点击这里加入QQ群
客服邮箱
回到顶部