电脑桌面
添加小米粒文库到电脑桌面
安装后可以在桌面快捷访问

易地扶贫搬迁工程质量分户验收记录VIP免费

易地扶贫搬迁工程质量分户验收记录_第1页
1/13
易地扶贫搬迁工程质量分户验收记录_第2页
2/13
易地扶贫搬迁工程质量分户验收记录_第3页
3/13
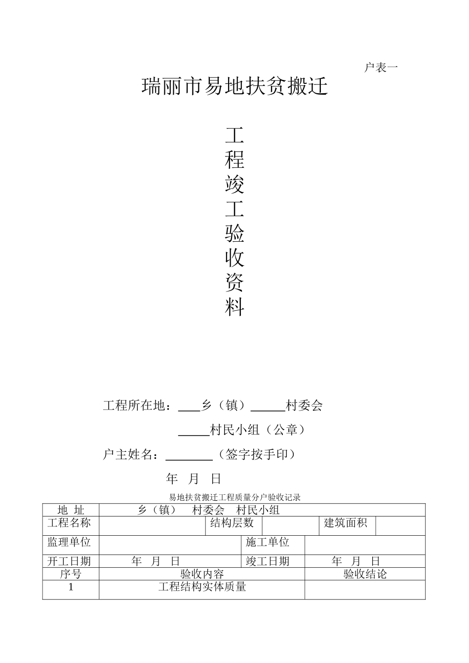
户表一瑞丽市易地扶贫搬迁工程竣工验收资料工程所在地: 乡(镇) 村委会 村民小组(公章)户主姓名: (签字按手印)年 月 日易地扶贫搬迁工程质量分户验收记录地 址 乡(镇) 村委会 村民小组工程名称结构层数建筑面积监理单位施工单位开工日期年 月 日竣工日期年 月 日序号验收内容验收结论1工程结构实体质量2门窗安装质量3地面、墙面和顶棚质量4屋面工程质量5给水、排水系统安装质量6室内电气工程安装质量7观感质量8其他规定、标中要求分户检查的内容综合验收结论验收单位建设单位责任单位监督管理部门户主签字手印:年 月 日施工单位签章:监理单位签章:设计单位签章:勘察单位签章:年 月 日村委会:驻村工作队: 年 月 日注:无施工、监理单位和设计、地勘的需注明住房自建,其责任单位签章栏不用签户表三瑞丽市易地扶贫搬迁工程照片户主: 村委会(签章): 平面示意图:其他补充注释:重建前(时间) 年 月 日 重建后(时间) 年 月 日户表四瑞丽市易地扶贫搬迁工程民房重建质量承诺书 乡(镇)易地扶贫搬迁工作组: 本人接受易地扶贫搬迁补助资金,现已按相关要求对房屋建设完毕,经验收,住房工程质量合格,具备本地区抗震设防能力,满足居住使用要求,本人同意验收和使用。户主签名(手印):年 月 日注:由住户填写。户表五地基基坑、基槽工程验收记录工程名称验收日期年 月 日施工单位监理单位基坑尺寸标高等检查情况基底土质情况验收意见:勘察单位:年 月 日设计单位:年 月 日施工人员:年 月 日建房户:(监理):村委会:驻村工作队:年 月 日注:无施工、监理单位和设计、地勘的需注明住户自建、其单位签章位置不用签户表六易地扶贫搬迁工程进场材料报审表、材料试验汇总表工程名称:进场材料数量生产厂家进场日期进场材料(试验)验收情况报审验收人建房户(监理)验收日期钢筋水泥砖砂碎石毛石钢材混凝土砂浆附件:1.数量清单:发货单 份 2.质量证明文件:证明资料出厂合格证 份、试验报告 份 施工单位:(章) 施工负责人: 年 月 日 审查意见:经检查上述工程材料、构配件、拌合物、符合设计文件和规范的要求,准许进场、同意使用于拟定部位。建房户:监理工程师: 年 月 日注:无施工、监理单位和设计、地勘的需注明住户自建、其单位签章位置不用签户表七隐蔽工程验收记录工程名称(户主)施工单位序号隐蔽工程验收部位及内容验收结论参加验收人员签字【监理...

1、当您付费下载文档后,您只拥有了使用权限,并不意味着购买了版权,文档只能用于自身使用,不得用于其他商业用途(如 [转卖]进行直接盈利或[编辑后售卖]进行间接盈利)。
2、本站所有内容均由合作方或网友上传,本站不对文档的完整性、权威性及其观点立场正确性做任何保证或承诺!文档内容仅供研究参考,付费前请自行鉴别。
3、如文档内容存在违规,或者侵犯商业秘密、侵犯著作权等,请点击“违规举报”。

碎片内容

易地扶贫搬迁工程质量分户验收记录

北斗星书店+ 关注
实名认证
内容提供者

热爱教学事业,对互联网知识分享很感兴趣

确认删除?
VIP
微信客服
  • 扫码咨询
会员Q群
  • 会员专属群点击这里加入QQ群
客服邮箱
回到顶部