电脑桌面
添加小米粒文库到电脑桌面
安装后可以在桌面快捷访问

十项新技术--金属矩形风管薄钢板法兰连接技术VIP免费

十项新技术--金属矩形风管薄钢板法兰连接技术_第1页
1/6
十项新技术--金属矩形风管薄钢板法兰连接技术_第2页
2/6
十项新技术--金属矩形风管薄钢板法兰连接技术_第3页
3/6
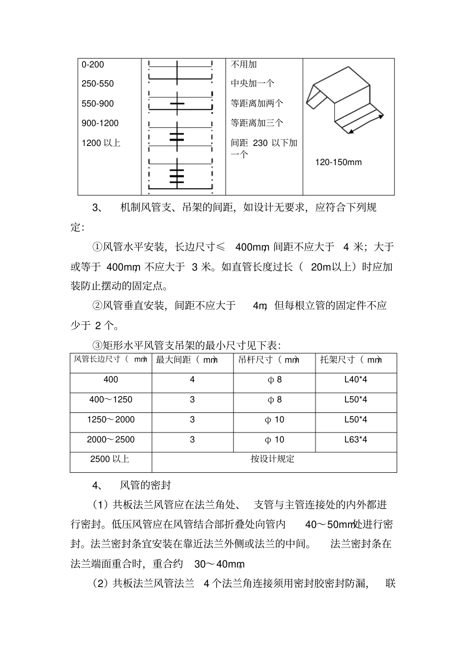
金属矩形风管薄钢板法兰连接技术应用概况本工程地下室及屋面各种类型风管数量约为3700 米,均采用金属矩形风管薄钢板法兰连接技术。该技术是一种新的风管连接方法,跟以前的连接方式不同,它具有很多优点,连接的效果更加明显,使用这种方式可以减少施工连接环节,可以避免复杂连接出现错误,连接部位比较牢固,保证施工质量,降低劳动强度,加快施工进度。关键技术的施工方法及创新点1、风管加固①风管大边尺寸在630

1、当您付费下载文档后,您只拥有了使用权限,并不意味着购买了版权,文档只能用于自身使用,不得用于其他商业用途(如 [转卖]进行直接盈利或[编辑后售卖]进行间接盈利)。
2、本站所有内容均由合作方或网友上传,本站不对文档的完整性、权威性及其观点立场正确性做任何保证或承诺!文档内容仅供研究参考,付费前请自行鉴别。
3、如文档内容存在违规,或者侵犯商业秘密、侵犯著作权等,请点击“违规举报”。

碎片内容

十项新技术--金属矩形风管薄钢板法兰连接技术

文库响当当+ 关注
实名认证
内容提供者

该用户很懒,什么也没介绍

相关文档

确认删除?
微信客服
  • 扫码咨询
会员Q群
  • 会员专属群点击这里加入QQ群