电脑桌面
添加小米粒文库到电脑桌面
安装后可以在桌面快捷访问

华为供应商质量管理体系考察报告全VIP专享VIP免费

华为供应商质量管理体系考察报告全_第1页
1/30
华为供应商质量管理体系考察报告全_第2页
2/30
华为供应商质量管理体系考察报告全_第3页
3/30
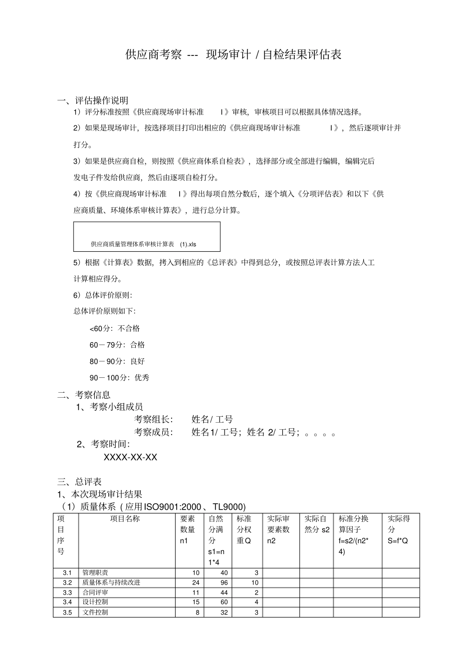
供应商质量管理体系考察报告供应商名称 : 主要业务: 地点: 联系人: 电话: 传真:拟制 : 审核 : 会签 : 供应商考察 --- 现场审计 / 自检结果评估表一、评估操作说明1)评分标准按照《供应商现场审计标准I 》审核,审核项目可以根据具体情况选择。2)如果是现场审计,按选择项目打印出相应的《供应商现场审计标准I 》,然后逐项审计并打分。3)如果是供应商自检,则按照《供应商体系自检表》,选择部分或全部进行编辑,编辑完后发电子件发给供应商,然后由逐项自检打分。4)按《供应商现场审计标准I 》得出每项自然分数后,逐个填入《分项评估表》和以下《供应商质量、环境体系审核计算表》,进行总分计算。供应商质量管理体系审核计算表(1).xls5)根据《计算表》数据,拷入到相应的《总评表》中得到总分,或按照总评表计算方法人工计算相应得分。6)总体评价原则:总体评价原则如下:<60分:不合格60-79分:合格80-90分:良好90-100分:优秀二、考察信息1、考察小组成员考察组长:姓名/ 工号考察成员:姓名1/ 工号;姓名 2/ 工号;。。。。2、考察时间: XXXX-XX-XX 三、总评表1、本次现场审计结果(1)质量体系 ( 应用ISO9001:2000 、TL9000) 项目序号项目名称要素数量n1 自然分满分s1=n1*4 标准分权重Q 实际审要素数n2 实际自然分 s2 标准分换算因子f=s2/(n2*4) 实际得分S=f*Q 3.1 管理职责10 40 3 3.2 质量体系与持续改进24 96 10 3.3 合同评审11 44 2 3.4 设计控制15 60 4 3.5 文件控制8 32 3 3.6 采购18 72 4 3.7 顾客提供产品的控制7 28 3 3.8 产品标识和可追溯性5 20 3 3.9 过程控制23 92 6 3.1 产品 / 工艺更改控制(PCN) 20 80 10 3.11 检验和试验8 32 4 3.12 检验、测量和试验设备17 68 3 3.13 检验与试验状态10 40 3 3.14 不合格品的控制10 40 8 3.15 纠正措施11 44 4 3.16 搬运、储存、包装和交付11 44 2 3.17 质量记录12 48 3 3.18 内部质量审核8 32 2 3.19 培训14 56 2 3.2 服务17 68 4 3.21 统计技术10 40 8 3.22 质量成本分析5 20 3 3.23 产品可靠性10 40 4 3.24 灾害恢复6 24 2 3.25 物料特性0 4 合计290 1160 100 2、上次问题本次现场审计结果项目要素1 2 3 4 四、分项评估结果1、质量体系分项评估质量体系 (应用 ISO9001:2000 、TL9000) 审计项目审计内容0 1 2 3...

1、当您付费下载文档后,您只拥有了使用权限,并不意味着购买了版权,文档只能用于自身使用,不得用于其他商业用途(如 [转卖]进行直接盈利或[编辑后售卖]进行间接盈利)。
2、本站所有内容均由合作方或网友上传,本站不对文档的完整性、权威性及其观点立场正确性做任何保证或承诺!文档内容仅供研究参考,付费前请自行鉴别。
3、如文档内容存在违规,或者侵犯商业秘密、侵犯著作权等,请点击“违规举报”。

碎片内容

华为供应商质量管理体系考察报告全

确认删除?
VIP
微信客服
  • 扫码咨询
会员Q群
  • 会员专属群点击这里加入QQ群
客服邮箱
回到顶部