电脑桌面
添加小米粒文库到电脑桌面
安装后可以在桌面快捷访问

南网V010kV电缆线路总论资料VIP免费

南网V010kV电缆线路总论资料_第1页
1/16
南网V010kV电缆线路总论资料_第2页
2/16
南网V010kV电缆线路总论资料_第3页
3/16
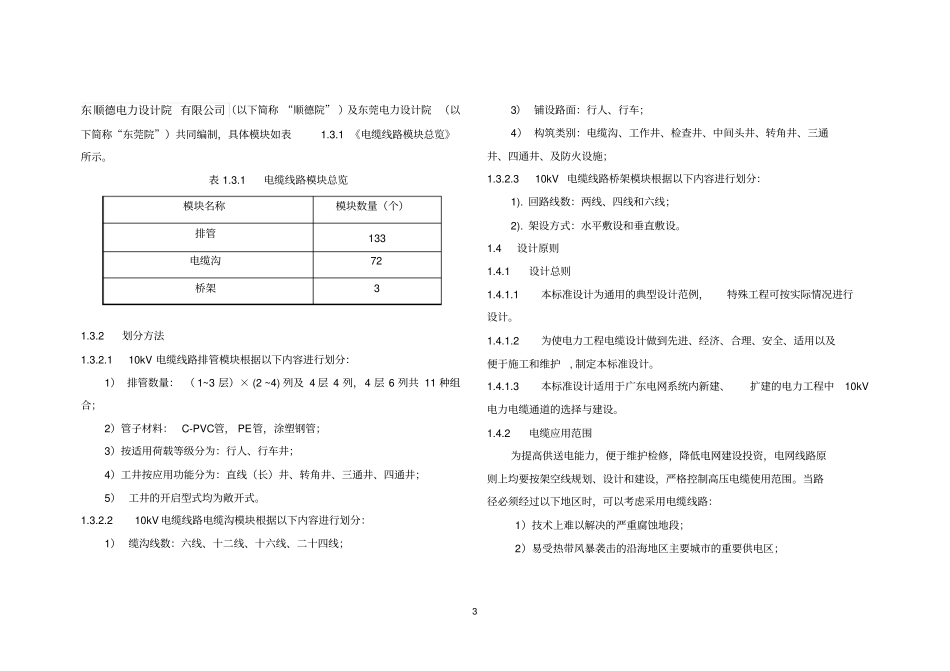
1 广东电网公司标准建设方案第六部分 10kV 电缆线路标准设计第一卷总论2 1.1 设计依据1.1.1 广东电网公司关于配网工程标准设计的编制原则和指导意见1.1.2 主要设计标准、规程规范:GB12706.3-1991 《额定电压 35kV及以下铜芯、铝芯塑料绝缘电力电缆第三部分 : 交联聚乙烯绝缘电力电缆》GB50003-2001《砌体结构设计规范》GB50007-2010《建筑地基基础设计规范》GB50009-2001《建筑结构荷载规范》GB50010-2010《混凝土结构设计规范》GB50204-2002《混凝土结构工程施工质量验收规范》GB50217-2007《电力工程电缆设计规范》GB50300-2001《建筑工程施工质量验收统一标准》DL/T5221-2005 《城市电力电缆设计行业标准》JGJ79-2002 《建筑地基处理技术规范》JTG D60-2004 《公路桥涵设计通用规范》Q/GDP 10002-2004 《架空线路及电缆安健环设施标准》Q/GDP 10012-2005 《中国南方电网城市配电网技术导则》Q/GDP 10703-2009 《110kV 及以下配电网装备技术导则》《电力电缆运行规程》以及其他国家现行有关设计规范和标准的规定、南方电网公司关于10kV配网标准设计的要求等。1.2 术语1.2.1 电缆沟封闭式不通行、盖板可开启的电缆构筑物,盖板与地坪相齐或稍有上下。1.2.2 排管按规划电缆根数开挖壕沟一次建成多孔管道的地下构筑物。1.2.3 工作井供作业人员安装接头或牵引电缆作业用的有盖坑式构筑物。1.2.4 普通支架具有悬臂形式用以支承电缆的刚性复合材料制支架。1.2.5 电缆桥架由托盘或梯架的直线段、弯通、组件及托臂(臂式支架)、吊架等构成具有密接支承电缆的刚性结构系统的全称。1.2.6 电缆支架电缆桥架、普通支架、吊架的总称。1.3 模块划分范围及方法1.3.1 划分范围10kV 电缆线路模块划分为排管模块、电缆沟模块和桥架模块共三个部分。由 广东 南海电力设计院工程有限公司 (以下简称“南海院”)、广3 东顺德电力设计院 有限公司(以下简称 “顺德院” )及东莞电力设计院 (以下简称“东莞院”)共同编制,具体模块如表1.3.1 《电缆线路模块总览》所示。表 1.3.1 电缆线路模块总览模块名称模块数量(个)排管133 电缆沟72 桥架3 1.3.2 划分方法1.3.2.1 10kV 电缆线路排管模块根据以下内容进行划分:1) 排管数量: ( 1~3 层)× (2 ~4) 列及 4 层 4 列,4 层 6 列共 11 种组合;2)管子材料: C-PVC管, PE管,涂塑钢管;3)按适用荷载等级分为:行人、行车井;4)工井按应用...

1、当您付费下载文档后,您只拥有了使用权限,并不意味着购买了版权,文档只能用于自身使用,不得用于其他商业用途(如 [转卖]进行直接盈利或[编辑后售卖]进行间接盈利)。
2、本站所有内容均由合作方或网友上传,本站不对文档的完整性、权威性及其观点立场正确性做任何保证或承诺!文档内容仅供研究参考,付费前请自行鉴别。
3、如文档内容存在违规,或者侵犯商业秘密、侵犯著作权等,请点击“违规举报”。

碎片内容

南网V010kV电缆线路总论资料

您可能关注的文档

确认删除?
VIP
微信客服
  • 扫码咨询
会员Q群
  • 会员专属群点击这里加入QQ群
客服邮箱
回到顶部