电脑桌面
添加小米粒文库到电脑桌面
安装后可以在桌面快捷访问

危险废物标识、警示标志和标签样式VIP免费

危险废物标识、警示标志和标签样式_第1页
1/4
危险废物标识、警示标志和标签样式_第2页
2/4
危险废物标识、警示标志和标签样式_第3页
3/4
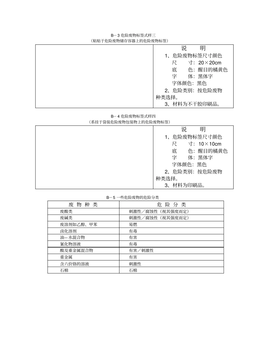
有关危险废物的标识、警示标志和标签样式A-1 危险废物警告标志牌式样一(适合于室内外悬挂的危险废物警告标志)说明1、危险废物警告标志规格颜色形状:等边三角形,边长40cm颜色:背景为黄色,图形为黑色2、警告标志外檐3、使用于:危险废物贮存设施为房屋的,建有围墙或防护栅栏,且高度高于100CM时;部分危险废物利用、处置场所。A-2 危险废物警告标志牌式样二(适合于室内外独立摆放或树立的危险废物警告标志)说明1、主标识要求同附件A-1。2、主标识背面以螺丝固定,以调整支杆高度,支杆底部可以埋于地下,也可以独立摆放,标志牌下沿距地面120cm。4、使用于:⑴危险废物贮存设施建有围墙或防护栅栏的高度不足 100CM时;⑵危险废物贮存设施其它箱、柜等独立贮存设施的,其箱、柜上不便于悬挂时;⑶危险废物贮存于库房一隅的,需独立摆放时;⑷所产生的危险废物密封不外排存放的,需独立摆放时;⑸部分危险废物利用、处置场所。B-1 危险废物标签式样一(适合于室内外悬挂的危险废物标签)说明1、危险废物标签尺寸颜色尺寸:40×40cm底色:醒目的橘黄色字体:黑体字字体颜色:黑色2、危险类别:按危险废物种类选择。3、使用于:危险废物贮存设施为房屋的;或建有围墙或防护栅栏,且高度高于100CM时;B-2 危险废物标签式样二(适合于室内外独立树立或摆放的危险废物标签)说明1、危险废物警告标志要求同附件 A-1。2、危险废物标签要求同附件 B-1。3、支杆距地面 120cm。4、使用于:⑴危险废物贮存设施建有围墙或防护栅栏的高度不足100CM时;⑵危险废物贮存设施其它箱、柜等独立贮存设施的,其箱、柜上不便于悬挂时;⑶危险废物贮存于库房一隅的,需独立摆放时;⑷所产生的危险废物密封不外排存放的,需独立摆放时。B-3 危险废物标签式样三(粘贴于危险废物储存容器上的危险废物标签)说明1、危险废物标签尺寸颜色尺寸:20×20cm底色:醒目的橘黄色字体:黑体字字体颜色:黑色2、危险类别:按危险废物种类选择。3、材料为不干胶印刷品。B-4 危险废物标签式样四(系挂于袋装危险废物包装物上的危险废物标签)说明1、危险废物标签尺寸颜色尺寸:10×10cm底色:醒目的橘黄色字体:黑体字字体颜色:黑色2、危险类别:按危险废物种类选择。3、材料为印刷品。B-5 一些危险废物的危险分类废 物 种 类危 险 分 类废酸类刺激性/腐蚀性(视其强度而定)废碱类刺激性/腐蚀性(视其强度而定)废溶剂如乙醇、甲苯易燃卤化溶剂有毒...

1、当您付费下载文档后,您只拥有了使用权限,并不意味着购买了版权,文档只能用于自身使用,不得用于其他商业用途(如 [转卖]进行直接盈利或[编辑后售卖]进行间接盈利)。
2、本站所有内容均由合作方或网友上传,本站不对文档的完整性、权威性及其观点立场正确性做任何保证或承诺!文档内容仅供研究参考,付费前请自行鉴别。
3、如文档内容存在违规,或者侵犯商业秘密、侵犯著作权等,请点击“违规举报”。

碎片内容

危险废物标识、警示标志和标签样式

确认删除?
VIP
微信客服
  • 扫码咨询
会员Q群
  • 会员专属群点击这里加入QQ群
客服邮箱
回到顶部