电脑桌面
添加小米粒文库到电脑桌面
安装后可以在桌面快捷访问

危险废物申报登记表申报登记表VIP免费

危险废物申报登记表申报登记表_第1页
1/8
危险废物申报登记表申报登记表_第2页
2/8
危险废物申报登记表申报登记表_第3页
3/8
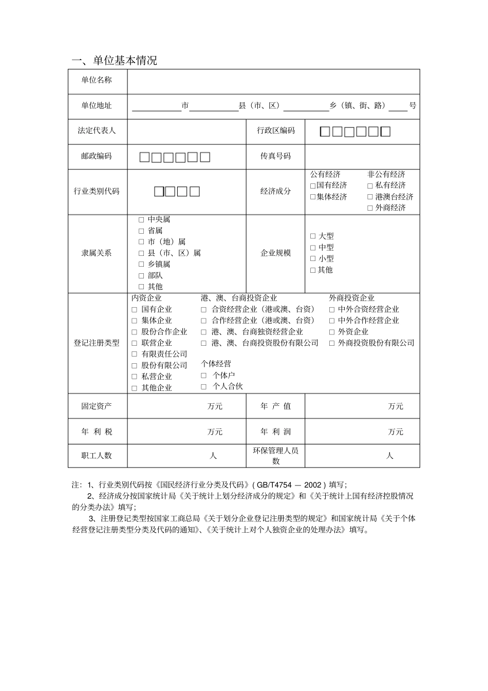
山东省工业企业危险废物申报登记表(年度)申报登记单位名称:(盖章)法人代码:-联系人:联系电话:电子信箱:填表人:,申报登记单位审核人:填报日期:年月日山东省环境保护局制填表须知:1.填报数据一律用阿拉伯数字,按表中规定的单位填报,文字说明一律用汉字。必须用蓝色或黑色钢笔填报,要书写工整、清晰,不得涂改。2.危险废物的申报起始量为10千克/ 年。3.本表一式四份,填报单位和省、市、县级环保行政主管部门各存一份。一、单位基本情况单位名称单位地址市县(市、区)乡(镇、街、路)号法定代表人行政区编码邮政编码传真号码行业类别代码经济成分公有经济□国有经济□集体经济非公有经济□ 私有经济□ 港澳台经济□ 外商经济隶属关系□ 中央属□ 省属□ 市(地)属□ 县(市、区)属□ 乡镇属□ 部队□ 其他企业规模□ 大型□ 中型□ 小型□ 其他登记注册类型内资企业□ 国有企业□ 集体企业□ 股份合作企业□ 联营企业□ 有限责任公司□ 股份有限公司□ 私营企业□ 其他企业港、澳、台商投资企业□ 合资经营企业(港或澳、台资)□ 合作经营企业(港或澳、台资)□ 港、澳、台商独资经营企业□ 港、澳、台商投资股份有限公司个体经营□ 个体户□ 个人合伙外商投资企业□ 中外合资经营企业□ 中外合作经营企业□ 外资企业□ 外商投资股份有限公司固定资产万元年 产 值万元年 利 税万元年 利 润万元职工人数人环保管理人员数人注:1、行业类别代码按《国民经济行业分类及代码》( GB/T4754 — 2002 ) 填写;2、经济成分按国家统计局《关于统计上划分经济成分的规定》和《关于统计上国有经济控股情况的分类办法》填写;3、注册登记类型按国家工商总局《关于划分企业登记注册类型的规定》和国家统计局《关于个体经营登记注册类型分类及代码的通知》、《关于统计上对个人独资企业的处理办法》填写。二、主要产品、原辅材料消耗主要产品序号产品名称年产量单位数量原辅材料及其消耗序号名称年消耗量单位数量三、危险废物产生情况序号危险废物名称废物类别编号产生量(千克/ 年)物理形态危险特性产生危险废物工序名称主要去向的数量(千克/ 年)本单位综合利用本单位处置本单位贮存排放送外单位处置注:1、危险废物类别编号按《国家危险废物名录》填报;2、物理形态指固体、液体和气体;3、危险特性指毒性、易燃性、反应性、腐蚀性、易爆性、传染性。四、危险废物综合利用或处理设施...

1、当您付费下载文档后,您只拥有了使用权限,并不意味着购买了版权,文档只能用于自身使用,不得用于其他商业用途(如 [转卖]进行直接盈利或[编辑后售卖]进行间接盈利)。
2、本站所有内容均由合作方或网友上传,本站不对文档的完整性、权威性及其观点立场正确性做任何保证或承诺!文档内容仅供研究参考,付费前请自行鉴别。
3、如文档内容存在违规,或者侵犯商业秘密、侵犯著作权等,请点击“违规举报”。

碎片内容

危险废物申报登记表申报登记表

您可能关注的文档

确认删除?
VIP
微信客服
  • 扫码咨询
会员Q群
  • 会员专属群点击这里加入QQ群
客服邮箱
回到顶部