电脑桌面
添加小米粒文库到电脑桌面
安装后可以在桌面快捷访问

危险源辨识及评价表VIP免费

危险源辨识及评价表_第1页
1/35
危险源辨识及评价表_第2页
2/35
危险源辨识及评价表_第3页
3/35
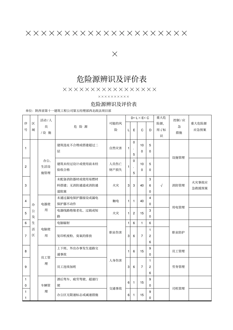
××××××××××××××××××××××危险源辨识及评价表×××××××××××××××××××××××××××危险源辨识及评价表单位:陕西省第十一建筑工程公司第五经理部西北政法项目部序号区域活动 / 人员/ 设 施危 险 源可能的风险D=L× E× C 重大危险源,用√标识控制 / 应急措施重大危险源应急预案L E C D 1 办公及生活区办公、生活设施管理建筑选址不合理或搭建超过二层自然灾害1 0.5 100 50 设施管理2 建筑未经过设计或使用前未经验收合格人员伤亡财产损失1 0.5 100 50 3 未配备消防器材或使用易燃材料搭建;无消防通道或消防通道阻塞火灾3 3 40 360 √消防管理火灾事故应急救援预案4 电器使用未通过漏电保护器接设或漏电保护器不动作触电1 1 40 40 用电管理5 电器线路绝缘老化、过载或短路火灾1 2 15 30 6 电脑使用电脑辐射职业伤害1 6 1 6 职业防护7 复印机废粉、臭氧的排放3 6 7 126 8 员工管理上下班、外出办事发生道路交通事故人身伤害1 6 15 90 员工管理9 员工连续加班3 6 7 126 劳务管理10 车辆管理酒后驾车、疲劳驾驶、超速行驶交通事故6 1 15 90 司机管理11 办公区无限速标志或减速措施6 1 15 90 12 车辆未定期审验及保养6 1 15 90 车辆管理15 后勤卫生食堂无卫生许可证食物中毒传染病1 6 1 6 食堂管理16 炊事人员无健康证1 6 1 6 17 生熟食品未分案加工1 6 1 6 18 食堂没有防鼠、防蝇措施1 6 1 6 19 厨房有腐蚀、变质食品1 6 7 42 危险源辨识及评价表序号区域活动 / 人员/ 设 施危 险 源可能的风险D= L× E×C 重大危险源,用√标识控制 / 应急措施重大危险源应急预案L E C D 20 办公及生活区后勤卫生携带传染病员工得不到及时识别和有效隔离、治疗传染疾病6 1 7 42 卫生管理21 对流行性疾病没有预防措施,如注射疫苗等传染疾病3 1 40 120 卫生管理22 招录员工未经体检,不适宜施工作业的疾病未被及时发现意外事故3 3 7 63 劳务管理23 无卫生饮用水供应或饮用水受污染疾病0.2 3 1 0.6 行政后勤管理24 饮水机没有定期清洗,或采用不合格饮用水传染疾病0.2 3 1 0.6 行政后勤管理25 现场无厕所或厕所保洁不到位,生活垃圾清运不及时传染疾病6 3 1 18 行政后勤管理26 除“四害”措施落实不到位行政后勤管理27 夏季施工未提供防暑降温品,露天高温作业时间过...

1、当您付费下载文档后,您只拥有了使用权限,并不意味着购买了版权,文档只能用于自身使用,不得用于其他商业用途(如 [转卖]进行直接盈利或[编辑后售卖]进行间接盈利)。
2、本站所有内容均由合作方或网友上传,本站不对文档的完整性、权威性及其观点立场正确性做任何保证或承诺!文档内容仅供研究参考,付费前请自行鉴别。
3、如文档内容存在违规,或者侵犯商业秘密、侵犯著作权等,请点击“违规举报”。

碎片内容

危险源辨识及评价表

您可能关注的文档

确认删除?
VIP
微信客服
  • 扫码咨询
会员Q群
  • 会员专属群点击这里加入QQ群
客服邮箱
回到顶部