电脑桌面
添加小米粒文库到电脑桌面
安装后可以在桌面快捷访问

危险源辨识和风险评价管理制度VIP专享VIP免费

危险源辨识和风险评价管理制度_第1页
1/12
危险源辨识和风险评价管理制度_第2页
2/12
危险源辨识和风险评价管理制度_第3页
3/12
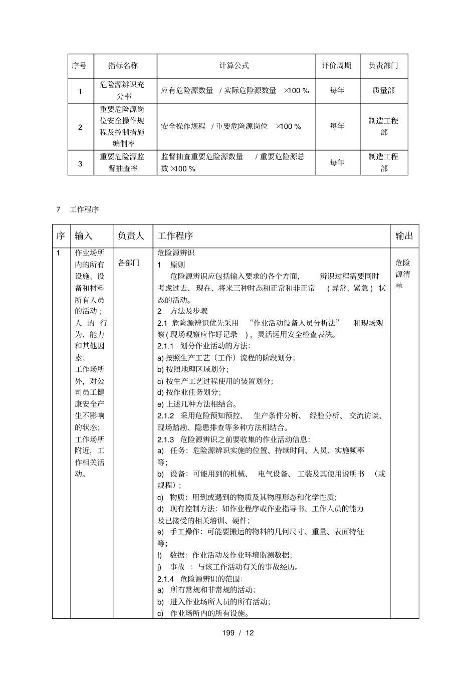
197 / 12 危险源辨识和风险评估管理制度1 目的为充分、持续辩识危险源,确定公司危险源,正确评价风险,合理确定危险源风险等级,实施有效的控制措施,消除、降低风险可能导致的各种事故,从源头控制事故和危害,使事故频率降到最低、危害损失降到最少。为此,特制定本制度。2 范围适用于公司范围内生产经营活动中所有生产场所、所有设备(包括租赁设备)、所有人(包括为公司提供各种服务的相关方)等方面,危险源的辨识、风险评价和风险控制的管理。3 术语和定义3.1 危险源:可能导致人身伤害和(或)健康损害的根源、状态或行为,或其组合。3.2 重大危险源:根据18218《危险化学品重大危险源辨识》,对于市场、加工处理、储存爆炸性、易燃性、活性化学性和有毒物质超过生产场所和储存区危险化学品临界量的装置,一律评为重大危险源。3.3 风险:发生危险事件或有害暴露的可能性,与随之引发的人身伤害或健康损害的严重性的组合。3.4风险评价:对危险源导致的风险进行评估,对现有控制措施的充分性加以考虑,以及对风险是否可接受予以确定的过程。4 职责4.1 总经理负责公司危险源的审批。4.2 质量部会同制造工程部负责组织实施公司危险源的辨识、风险评价、实施必要的控制和评审控制措施的有效性,保持相关记录。负责与上级监督单位的衔接工作。4.3 各部门负责本部门危险源的辨识、风险评价和实施必要的控制。4.4 员工应熟悉本岗位的危险源(特别是重要危险源)及控制方法、检查要点及作业注意事项等情况,保持检查记录。198 / 12 5 过程活动过程流程图6. 考核指标过程输入作业场所内的所有设施、设备和材料所有人员的活动; 人的行为、能力和其他因素;工作场所外,对公司员工健康安全产生不影响的状态;工作场所附近,工作相关活动。国家(行业)标准过程输出识别且受控的危险源重要危险源的控制方法岗位操作规程过程顾客各部门过程负责人质量部部长设备 / 装置计算机及统计分析软件/ 办公用品、场地、运输工具过程用途对公司的已识别充分的危险源进行有效控制,预防或减少由其带来的危害、损失人力资源各部门相关人员、安技环保员、主管领导评价指标危险源辨识充分率100% 重要危险源岗位安全操作规程及控制措施编制率100% 重要危险源监督抽查率100% 文件要求 18218 《危险化学品重大危险源辨识》 28001《职业健康安全管理体系规范》 6441 《企业职工伤亡事故分类》02 02 13《相关方管理制度》危险源辨识( 1...

1、当您付费下载文档后,您只拥有了使用权限,并不意味着购买了版权,文档只能用于自身使用,不得用于其他商业用途(如 [转卖]进行直接盈利或[编辑后售卖]进行间接盈利)。
2、本站所有内容均由合作方或网友上传,本站不对文档的完整性、权威性及其观点立场正确性做任何保证或承诺!文档内容仅供研究参考,付费前请自行鉴别。
3、如文档内容存在违规,或者侵犯商业秘密、侵犯著作权等,请点击“违规举报”。

碎片内容

危险源辨识和风险评价管理制度

确认删除?
VIP
微信客服
  • 扫码咨询
会员Q群
  • 会员专属群点击这里加入QQ群
客服邮箱
回到顶部