电脑桌面
添加小米粒文库到电脑桌面
安装后可以在桌面快捷访问

卸料平台施工组织设计方案VIP免费

卸料平台施工组织设计方案_第1页
1/7
卸料平台施工组织设计方案_第2页
2/7
卸料平台施工组织设计方案_第3页
3/7
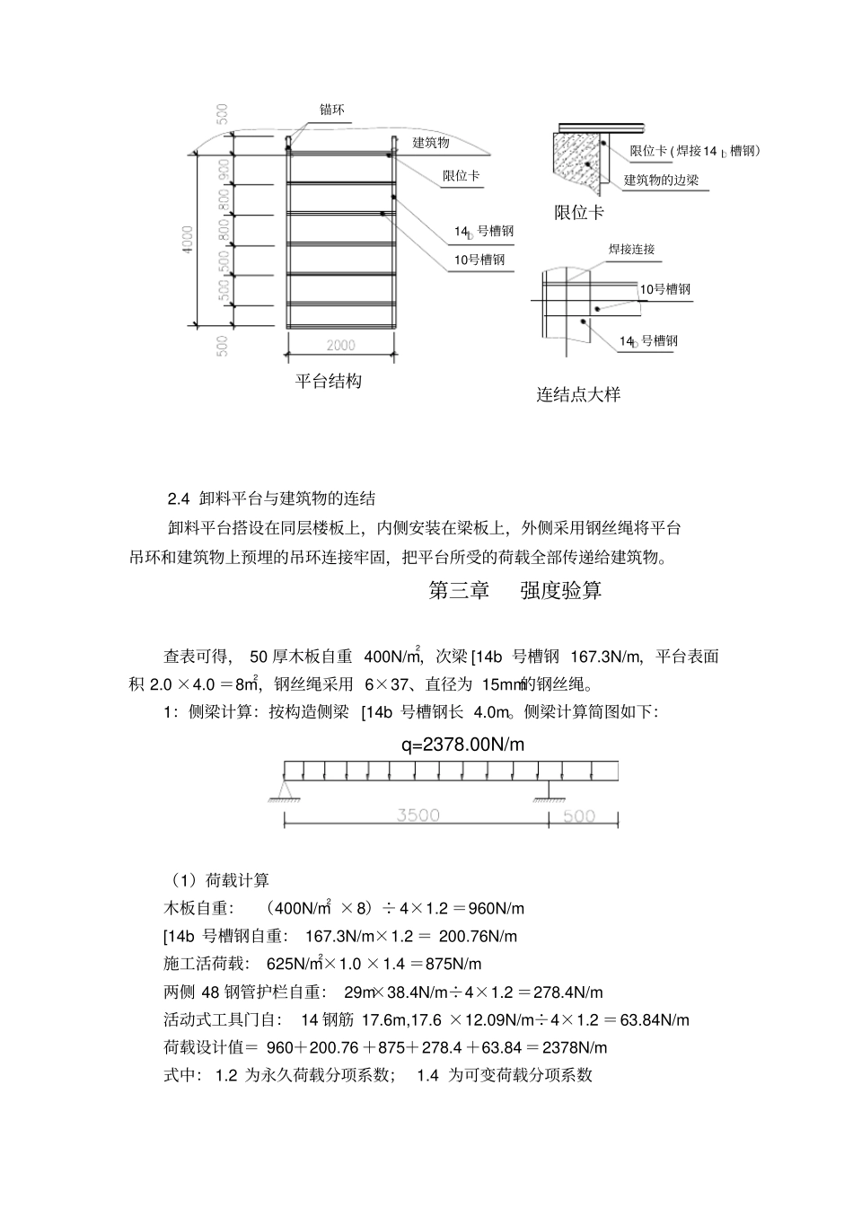
卸料平台施工组织设计方案第一章卸料平台总体平面布置图本工程共设一层四个卸料平台,具体布置详平面图第二章卸料平台设计说明为进一步保证本工程的整体部署顺利进行,提高拆卸和调运各类材料的效率和安全,贯彻渝建安发《2001》13 号文“关于强制执行《建筑施工安全检查标准(JGJ59-99) 》有关规定第三条, 取消脚手架钢管加扣件搭设楼层卸料平台,必需使用工具式卸料平台和型钢制作平台”的精神,本工程采用型钢卸料平台。2.1 布置方案每层每两户布置一个, 平面位置相互错开, 每三层循环重复位置。 选用平面尺寸为 2.0 ×4.0m 的卸料平台,安全保险系数为1.4 ,因考虑到槽钢根部支承点为纯悬挑阳台边梁,故挂牌限位重量定为0.5T ,上铺 50 厚的木板,侧梁采用[14b 号槽钢 , 横梁采用 [10 号槽钢,侧横梁整体焊接而成,周围采用钢管护栏和密目安全网封闭。两侧分别设计二根6×37、直径为 15mm的钢丝绳吊索。钢丝绳一端与卸料平台上的 Ф 25 吊环连接,另一端用 φ 25 吊环固定在梁上。2.2 与建筑物和外架的关系卸料平台与建筑物和外架的连结关系如下图:2.3 平台结构卸料平台长 4.0m,宽 2.0m,外面两侧均搭设1.3m 高的钢管护栏,靠外侧采用活动式工具门,在两侧靠近平台的底部设置0.2m 高的挡脚板。在平台底部满铺 50mm厚的木板,平台底架由 [14b 、[10 号槽钢制作。把平台所受的铅垂力传递给建筑物, 在建筑物与平台连接处, 用角钢焊制一个限位卡, 安装时卡在建筑物外边, 把平台因受力而产生的侧向力传递给建筑物。所有平台构件与建筑物接触处均加垫橡胶垫,以降低荷载的冲击影响。卸料平台侧立面图φ 15钢丝绳栏杆4000槽钢1300阳台阳台48钢管φ手工绑扎安全环φ 25吊环φ 25吊环100050025002000活动式工具门平台底板外架建筑物卸料平台正立面图30002 20锚环φ50014 号槽钢建筑物限位卡平台结构建筑物的边梁连结点大样焊接连接锚环限位卡 ( 焊接14槽钢)14 号槽钢限位卡10号槽钢10号槽钢2.4 卸料平台与建筑物的连结卸料平台搭设在同层楼板上,内侧安装在梁板上,外侧采用钢丝绳将平台吊环和建筑物上预埋的吊环连接牢固,把平台所受的荷载全部传递给建筑物。第三章强度验算查表可得, 50 厚木板自重 400N/m2,次梁 [14b 号槽钢 167.3N/m,平台表面积 2.0 ×4.0 =8m2,钢丝绳采用 6×37、直径为 15mm的钢丝绳。1:侧梁计算:按构造侧梁 [14b 号槽钢长 4.0m。侧梁计算简图如...

1、当您付费下载文档后,您只拥有了使用权限,并不意味着购买了版权,文档只能用于自身使用,不得用于其他商业用途(如 [转卖]进行直接盈利或[编辑后售卖]进行间接盈利)。
2、本站所有内容均由合作方或网友上传,本站不对文档的完整性、权威性及其观点立场正确性做任何保证或承诺!文档内容仅供研究参考,付费前请自行鉴别。
3、如文档内容存在违规,或者侵犯商业秘密、侵犯著作权等,请点击“违规举报”。

碎片内容

卸料平台施工组织设计方案

您可能关注的文档

确认删除?
VIP
微信客服
  • 扫码咨询
会员Q群
  • 会员专属群点击这里加入QQ群
客服邮箱
回到顶部