电脑桌面
添加小米粒文库到电脑桌面
安装后可以在桌面快捷访问

原水接驳专项方案不断水文档良心出品VIP免费

原水接驳专项方案不断水文档良心出品_第1页
1/9
原水接驳专项方案不断水文档良心出品_第2页
2/9
原水接驳专项方案不断水文档良心出品_第3页
3/9
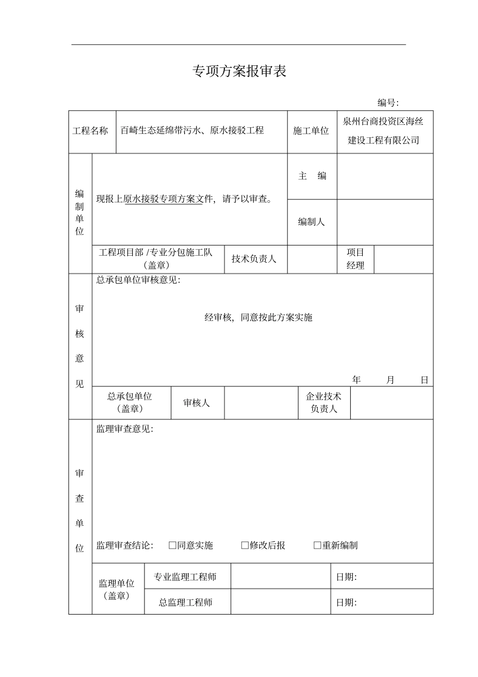
专项方案报审表编号:工程名称百崎生态延绵带污水、原水接驳工程施工单位泉州台商投资区海丝建设工程有限公司编制单位现报上原水接驳专项方案文件,请予以审查。主编编制人工程项目部 /专业分包施工队(盖章)技术负责人项目经理审核意见总承包单位审核意见:经审核,同意按此方案实施年月日总承包单位(盖章)审核人企业技术负责人审查单位监理审查意见:监理审查结论:□同意实施□修改后报□重新编制监理单位(盖章)专业监理工程师日期:总监理工程师日期:百崎生态延绵带污水、原水接驳工程原水接驳专项方案编制:批准:技术负责人:泉州台商投资区海丝建设工程有限公司年月日1 第一章工程概况一、工程概况本工程施工内容为百崎生态延绵带污水、原水接驳工程。 台商投资区百域生态延绵带位于南北主干道西侧、324 国道南侧,根据其使用需求,需为其建设提供原水及污水排放点。现状 324 国道北侧埋设有 DN1000原水管道,从后房溪西侧原水管道处开设DN300端口,沿后房溪护岸埋设至南侧生态延绵带处。采用不断水开梯分支技术, 保证在取孔过程中原水能正常供应,埋设于护坡处的管道采用20cmC30钢筋砼包封。二、编制依据1.设计施工图2.执行相关施工技术规范和验收标准3.《工程建设标准强制性条文(城镇建设部分)》2013年版4.《给水排水管道工程施工及验收规范》(GB50268-2008)第二章主要施工方法在施工中密切配合有关单位, 协调好各施工班组、 材料占道与管沟施工之间的矛盾, 灵活调整施工顺序及施工工作面,以保证整个工程按质、按期顺序完工。第一节测量放线本工程的测量放线主要是控制管道的安装位置和标高,控制场地的平整度和给水坡度。一、本工程施工测量特点及要求2 1、管道测量的特点是线路长,对标高控制要求严。对管道的测量重点要求控制每段标高,保证给水的畅通。2、本工程放线、测量的组织工作,设置专人负责,并建立自检、互检制度,每次放线必须做好各数据的原始记录,以备查。二、定位放线本工程的定位放线,必须严格依据施工总平面布置的设计图纸,在施工现场已有建筑红线, 然后测出管道与红线的位置关系,在平面上放样。三、标高引进及高程控制标高引进:本工程的±0.00 标高必须严格依据设计的绝对高程,或建设单位指定的相对高程, 作为本工程的控制标高。 本工程的标高引进可根据已建建筑的控制标高进行引测,并做好记录。第二节不断水开梯分支施工方案不断水施工时 , 先在通水管道开梯部位装上特制...

1、当您付费下载文档后,您只拥有了使用权限,并不意味着购买了版权,文档只能用于自身使用,不得用于其他商业用途(如 [转卖]进行直接盈利或[编辑后售卖]进行间接盈利)。
2、本站所有内容均由合作方或网友上传,本站不对文档的完整性、权威性及其观点立场正确性做任何保证或承诺!文档内容仅供研究参考,付费前请自行鉴别。
3、如文档内容存在违规,或者侵犯商业秘密、侵犯著作权等,请点击“违规举报”。

碎片内容

原水接驳专项方案不断水文档良心出品

确认删除?
VIP
微信客服
  • 扫码咨询
会员Q群
  • 会员专属群点击这里加入QQ群
客服邮箱
回到顶部