电脑桌面
添加小米粒文库到电脑桌面
安装后可以在桌面快捷访问

厦深铁路路基基床表层级配碎石试验段施工方案VIP免费

厦深铁路路基基床表层级配碎石试验段施工方案_第1页
1/11
厦深铁路路基基床表层级配碎石试验段施工方案_第2页
2/11
厦深铁路路基基床表层级配碎石试验段施工方案_第3页
3/11
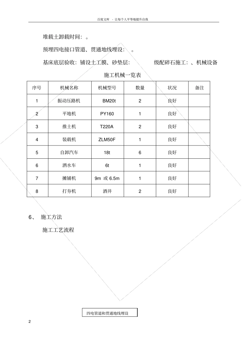
百度文库- 让每个人平等地提升自我1 基床表层级配碎石试验段施工方案1、试验段位置厦深铁路广东段XSGZQ-8标中铁十八局厦深铁路工程指挥部三分部基床表层级配碎石施工试验段位置选在DIK363+450-DIK363+650段。2、试验段施工内容试验段施工主要包括以下内容:1、确定级配碎石基本配合比。2、配置合理的机械设备与工装配套。3、确定合理的碾压方式和碾压遍数。4、明确劳动力组织、人员组成及分工。3、施工准备(1)施工前应做好级配碎石的备料及取样送样试验工作。(2)拌和场内不同粒径的碎石等集料应分别堆放。(3)级配碎石采用厂拌。(4)在大面积填筑前,应根据初选的摊铺、碾压机械及试生产出的填料,进行现场填筑压实工艺试验,确定填料级配、施工含水率、松铺厚度和碾压遍数、机械配套方案、施工组织。试验段长度不宜小于100m 。(5)基床表层填筑前堆载预压卸载后应检查基床底层几何尺寸,路基中心线及路肩标高,复检路基检测的各项指标(即EVD,EV2,K30,K,N ),不符合标准的基床底层应进行修整,达到基床底层验收标准。(6)埋设四电接口预埋管道,纵向贯通地线埋设。4、试验段计划时间安排百度文库- 让每个人平等地提升自我2 堆载土卸载时间:。预埋四电接口管道、贯通地线埋设: 。基床底层验收:铺设土工膜、砂垫层:级配碎石施工:、机械设备施工机械一览表序号机械名称机械型号数量状况备注1 振动压路机BM20t 2 良好2 平地机PY160 1 良好3 推土机T220A 2 良好4 装载机ZLM50F 1 良好5 自卸汽车18t 6 良好6 洒水车6t 1 良好7 摊铺机9m 或 6.5m 1 良好8 打夯机酒井2 良好6、 施工方法施工工艺流程四电管道和贯通地线埋设百度文库- 让每个人平等地提升自我3 (1)按设计位置埋设四电预留管道和贯通地线(贯通地线埋设时在电缆井位置适当向线路内侧绕开) 。(2) 验收基床底层(填筑质量、外形尺寸) ,合格后测量放样,做好基基床底层验收测量放样、施工准备铺设 5cm 厚中粗砂碾压试验检测级配碎石拌和级配碎石施工工艺流程铺设土工膜铺设第一层级配碎石平地机摊铺、碾压、检测铺设第二层级配碎石摊铺机摊铺、碾压、检测修整养护验收级配碎石拌和铺设第三层级配碎石平地机摊铺、碾压、检测级配碎石拌和百度文库- 让每个人平等地提升自我4 床表层施工准备。(3)第一步先在非冻胀土上直接铺设两布一膜不透水土工布,搭接处采用 U-PVC 专用胶水粘接,搭接宽度不小于30cm 。(4)砂砾统一采用...

1、当您付费下载文档后,您只拥有了使用权限,并不意味着购买了版权,文档只能用于自身使用,不得用于其他商业用途(如 [转卖]进行直接盈利或[编辑后售卖]进行间接盈利)。
2、本站所有内容均由合作方或网友上传,本站不对文档的完整性、权威性及其观点立场正确性做任何保证或承诺!文档内容仅供研究参考,付费前请自行鉴别。
3、如文档内容存在违规,或者侵犯商业秘密、侵犯著作权等,请点击“违规举报”。

碎片内容

厦深铁路路基基床表层级配碎石试验段施工方案

您可能关注的文档

确认删除?
VIP
微信客服
  • 扫码咨询
会员Q群
  • 会员专属群点击这里加入QQ群
客服邮箱
回到顶部