电脑桌面
添加小米粒文库到电脑桌面
安装后可以在桌面快捷访问

可编程控制器应用技术期末复习卷VIP免费

可编程控制器应用技术期末复习卷_第1页
1/6
可编程控制器应用技术期末复习卷_第2页
2/6
可编程控制器应用技术期末复习卷_第3页
3/6
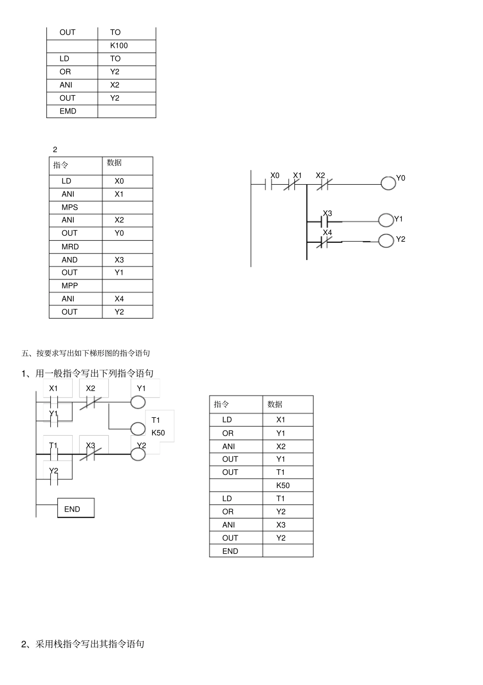
《可编程控制器应用技术》期末复习卷一、填空题。1、 状态转移图中的状态有负载驱动 、转移条件 、 转移方向 三个要素;2、 使用手编器成批写入空指令(清零)的步骤是W— NOP — A — GO--GO3、 为使 PLC I/O 接口具有良好的抗干扰能力,设计上采用了RC 滤波电路 和光电隔离电路 技术;4、一般定时器最长计时为3276.7 秒。5、三菱 FX2N 系列 PLC 中,能产生初始化脉冲的特殊继电器是:M8002 _;6、 PLC 编程语言有: 梯形图 和 指令语句 、顺序功能图等几种。7、完成用户程序分为三个阶段:输入处理 阶段、 程序处理 阶段、输出刷新阶段。8、状态转移图一般可分为单流程图、选择性流程图、并行性流程图和跳转与循环 流程图。9、MC 为主控指令MCR 为主控复位指令,其意义相当是“总开关”;11、PLC 的软件包含 系统软件 及应用软件 二大部分。12、中央处理器( CPU )是 PLC 的核心部件 ,它是在系统程序的控制下执行用户的应用程序 ;二、选择题。 (每题 2 分,共 12 分)1、PLC 中各个继电器工作在(A )A 、串行状态B、并行状态C、串并行状态都可以2、以下指令中,不带操作数的是(C)A 、MC B、OR C、MPS D、ANI 3、三菱系统 PLC 的主要编程元件有, 输出继电器、 状态器、计数器、辅助继电器等。 按顺序分别对应于字母 ( B)A: C、M 、 Y、 S B:Y、S、C、M C:Y 、C、S、M D:Y、C、M 、S 4、在电脑上要在梯形图中绘出指令MC/MCR ,必须选择(C)工具图标。A 、B、( )C、[ ] D、5、步进指令的编程原则是(A)A 、先驱动负载后进行状态转移;B、先状态转移后驱动负载;C、驱动负载和状态转移同时进行。6、多重输出电路采用进栈的指令为(D)A 、MRD B、MPP C、MCR D、MPS 7、步进指令STL 只能对下列哪种继电器进行操作(D )A :T B:X C:M D: S 8、在使用手持式编程器时,如果要进行写入或删除指令的操作,分别应将编程器的工作状态切换成(A )。A :W、DB:R、WC:R、ID:D、I9、以下为置位 /复位指令的是(C )A、MC/MCR B、PLS/PLFC 、SET/RST D、MPS/MPP 10、在电脑编程完程序送入PLC 机的的操作是:运行PLC、传送菜单,然后选(B)A、读入 B、写出 C、校验11、MPS 指令后如是单一常开触点时其指令应用(C)。A 、ANB B、LD C、 AND 12、( A )是 PLC 的核心部件 ,它是在系统程序的控制下执行用...

1、当您付费下载文档后,您只拥有了使用权限,并不意味着购买了版权,文档只能用于自身使用,不得用于其他商业用途(如 [转卖]进行直接盈利或[编辑后售卖]进行间接盈利)。
2、本站所有内容均由合作方或网友上传,本站不对文档的完整性、权威性及其观点立场正确性做任何保证或承诺!文档内容仅供研究参考,付费前请自行鉴别。
3、如文档内容存在违规,或者侵犯商业秘密、侵犯著作权等,请点击“违规举报”。

碎片内容

可编程控制器应用技术期末复习卷

文库当当响+ 关注
实名认证
内容提供者

该用户很懒,什么也没介绍

相关文档

确认删除?
VIP
微信客服
  • 扫码咨询
会员Q群
  • 会员专属群点击这里加入QQ群
客服邮箱
回到顶部