电脑桌面
添加小米粒文库到电脑桌面
安装后可以在桌面快捷访问

初二物理下册第一章力学(实验题)VIP免费

初二物理下册第一章力学(实验题)_第1页
1/6
初二物理下册第一章力学(实验题)_第2页
2/6
初二物理下册第一章力学(实验题)_第3页
3/6
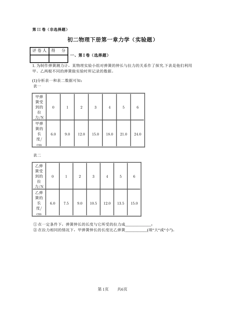
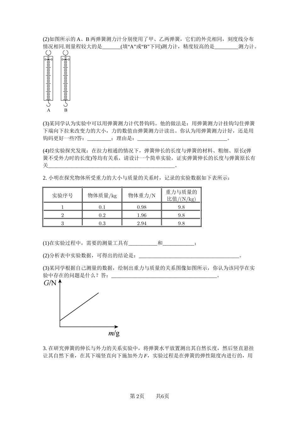
第II卷(非选择题)初二物理下册第一章力学(实验题)评卷人得分一、第I卷(选择题)1.为制作弹簧测力计,某物理实验小组对弹簧的伸长与拉力的关系作了探究.下表是他们利用甲、乙两根不同的弹簧做实验时所记录的数据。(1)分析表一和表二数据可知:表一甲弹簧受到的拉力/N0123456甲弹簧的长度/cm6.09.012.015.018.021.024.0表二乙弹簧受到的拉力/N0123456乙弹簧的长度/cm6.07.59.010.512.013.515.0①在一定条件下,弹簧伸长的长度与它所受的拉力成_____________;②在拉力相同的情况下,甲弹簧伸长的长度比乙弹簧___________(填“大“或“小”)。第1页共6页(2)如图所示的A、B两弹簧测力汁分别使用了甲、乙两弹簧,它们的外壳相同,刻度线分布情况相同.则量程较大的是_______(填“A”或“B”下同)测力计,精度较高的是_________测力计。(3)某同学认为实验中可以用弹簧测力计代替钩码。他的做法是:用弹簧测力计挂钩勾住弹簧下端向下拉来改变力的大小,力的数值由弹簧测力计读出。你认为用弹簧测力计好,还是用钩码更好一些?答:_________;理由是:__________________________________。(4)经实验探究发现:在拉力相通的情况下,弹簧伸长的长度与弹簧的材料、粗细、原长(弹簧不受外力时的长度)等均有关系,请设计一个简单实验,证实弹簧伸长的长度与弹簧原长有关________________________________________________。2.小明在探究物体所受重力的大小与质量的关系时,记录的实验数据如下表所示:实验序号物体质量/kg物体重力/N重力与质量的比值/(N/kg)10.10.989.820.21.969.830.32.949.8(1)在实验过程中,需要的测量工具有___________和____________;(2)分析表中实验数据,可得出的结论是:______________________________________。(3)某同学根据自己测量的数据,绘制出重力与质量的关系图像如图所示,你认为该同学在实验中存在的问题是什么?答:________________________________________。3.在研究弹簧的伸长与外力的关系实验中,将弹簧水平放置测出其自然长度,然后竖直悬挂让其自然下垂,在其下端竖直向下施加外力F,实验过程是在弹簧的弹性限度内进行的,用第2页共6页记录的外力F与弹簧的伸长量x作出的F-x图线如图所示.(1)由图可知,该弹簧受到的拉力每增加1N,弹簧的伸长量增加______cm。(2)该图线不过原点的原因是____________________________________。4.如图所示是同学们在老师指导下探究重力方向的实验装置。(1)将该装置放在水平桌面上后,逐渐改变木板M与桌面的夹角α,会观察到悬线OA的方向_______(“变化”或“不变”);(2)剪断悬线OA,观察小球下落的方向是___________________;(3)从以上实验现象分析得到的结论是:重力的方向____________,建筑工人经常使用的重锤线就是该原理的应用。5.小明观察发现,弹簧测力计的刻度是均匀的,由此他猜想弹簧的伸长量与它受到的拉力成正比。为了验证猜想,小明决定进行实验。(1)要完成实验,除了需要图甲中的一根两头带钩的弹簧、若干相同的钩码(每个钩码重力已知)、铁架台以外,还需要的测量仪器是____________。进行实验后小明记录数据如下表,表中数据明显错误的是第_______次实验。实验次1234567第3页共6页数拉力(钩码总重)G/N0123456弹簧伸长量ΔL/cm00.400.801.701.602.002.40(2)去除错误的一组数据,在下图中作出弹簧伸长量与所受拉力的关系图线_______。(3)由图像可验证小明的猜想是________的(填“正确”或“错误”)。(4)小亮用另一根弹簧做了同样的实验,他将弹簧水平放置测出其自然长度,然后竖直悬挂让其自然下垂,在其下端竖直向下施加外力F,实验过程是在弹簧的弹性限度内进行的,用记录的外力F与弹簧的伸长量x作出的F-x图线如图丙所示。由图可知,该弹簧受到的拉力每增加1N,弹簧的伸长增加___cm;该图线不过原点的原因是_____________。第4页共6页参考答案1.(1)【答案】正比;大【解析】分析表中数据可知,弹簧伸长的长度与它所受的拉力成正比关系;比较表二可得:分别比较在1N、2N、3N、4N、5N拉力下弹簧长度,可得在拉力相同的情况下,甲弹簧伸长的长度比乙弹簧大。(2)【答案】BA【解析】A、B两弹簧测力计分...

1、当您付费下载文档后,您只拥有了使用权限,并不意味着购买了版权,文档只能用于自身使用,不得用于其他商业用途(如 [转卖]进行直接盈利或[编辑后售卖]进行间接盈利)。
2、本站所有内容均由合作方或网友上传,本站不对文档的完整性、权威性及其观点立场正确性做任何保证或承诺!文档内容仅供研究参考,付费前请自行鉴别。
3、如文档内容存在违规,或者侵犯商业秘密、侵犯著作权等,请点击“违规举报”。

碎片内容

初二物理下册第一章力学(实验题)

您可能关注的文档

文章天下+ 关注
实名认证
内容提供者

各种文档应有尽有

确认删除?
VIP
微信客服
  • 扫码咨询
会员Q群
  • 会员专属群点击这里加入QQ群
客服邮箱
回到顶部