电脑桌面
添加小米粒文库到电脑桌面
安装后可以在桌面快捷访问

某路面工程沥青下面层施工组织设计VIP免费

某路面工程沥青下面层施工组织设计_第1页
1/29
某路面工程沥青下面层施工组织设计_第2页
2/29
某路面工程沥青下面层施工组织设计_第3页
3/29
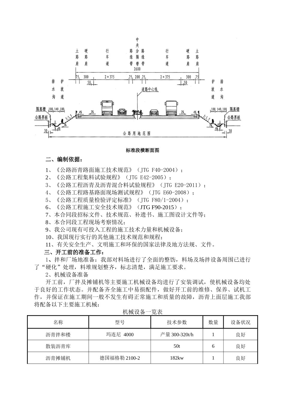
272 省道徐州至沛县段工程沛县段路面工程XPPX-LM2 标沥青下面层施工组织设计(SMA-13 沥青上面层)江苏路翔交通工程有限公司272 省道徐州至沛县段工程沛县段 XPPX-LM2 标项目经理部二〇一七年五月二十六日SMA-13 沥青上面层施工组织设计一、工程概况本标段起讫桩号 K39+800-K54+203,全长 14.403km。主线采用一级公路建设标准,设计速度为 100Km/h。主线路基宽度为 26.0m,沥青路面宽度 2×11m,其中中间带宽3.5m(中央分隔带宽 2m +左侧路缘带 2×0.75m),行车道宽 2×(2×3.75m),硬路肩宽2×3.0m(其中包含右侧路缘带 2×0.5m),土路肩宽 2×0.75m。主要路面结构组成如下:1、主线路面结构:4cm 厚细粒式(SBS 改性)沥青玛蹄脂碎石 SMA-13 上面层;8cm 厚 SUP-20 中粒式(SBS 改性)沥青混凝土下面层;36cm 抗裂嵌挤型水泥稳定碎石基层;18cm 低剂量水泥稳定碎石底基层。总厚度 66cm。2、互通立交匝道路面结构:4cm 厚细粒式(SBS 改性)沥青玛蹄脂碎石 SMA-13 上面层;6cm 厚 SUP-20 中粒式(SBS 改性)沥青混凝土下面层;18cm 抗裂嵌挤型水泥稳定碎石基层;18cm 低剂量水泥稳定碎石底基层。总厚度 46cm。3、分离式立交支线引道、天桥引道路面结构:4cm 厚细粒式(70#A 级石油沥青)沥青玛蹄脂碎石 SUP-13 上面层;6cm 厚 SUP-20 中粒式(70#A 级石油沥青)沥青混凝土下面层;18cm 抗裂嵌挤型水泥稳定碎石基层;18cm 低剂量水泥稳定碎底基层。总厚度 46cm。4、机耕通道、人行通道两侧路面结构:20cm 水泥混凝土面层;20cm 级配碎石基层。总厚度 40cm。5、桥面铺装:上面层采用 4cm 厚 SMA-13 细粒式(SBS 改性)沥青玛蹄脂碎石;下面层采用6cm 厚 SUP-20 中粒式(SBS 改性)沥青混凝土。总厚度 10cm。标准段横断面图二、编制依据:1、《公路沥青路面施工技术规范》(JTG F40-2004);2、《公路工程集料试验规程》(JTG E42-2005);3、《公路工程沥青及沥青混合料试验规程》(JTG E20-2011);4、《公路工程路基路面现场测试规程》(JTG E60-2008);5、《公路工程质量检验评定标准》(JTG F80/1-2004);6、《公路工程施工安全技术规范》(JTG F90-2015);7、本合同段招标文件、技术规范、补遗书、施工图设计文件等;8、本合同段工程现场考察情况;9、我公司现有可投入工程的施工技术力量和机械设备;10、我国现行实行的其他施工技术规范和规程;11、有关安全生产...

1、当您付费下载文档后,您只拥有了使用权限,并不意味着购买了版权,文档只能用于自身使用,不得用于其他商业用途(如 [转卖]进行直接盈利或[编辑后售卖]进行间接盈利)。
2、本站所有内容均由合作方或网友上传,本站不对文档的完整性、权威性及其观点立场正确性做任何保证或承诺!文档内容仅供研究参考,付费前请自行鉴别。
3、如文档内容存在违规,或者侵犯商业秘密、侵犯著作权等,请点击“违规举报”。

碎片内容

某路面工程沥青下面层施工组织设计

您可能关注的文档

确认删除?
VIP
微信客服
  • 扫码咨询
会员Q群
  • 会员专属群点击这里加入QQ群
客服邮箱
回到顶部