电脑桌面
添加小米粒文库到电脑桌面
安装后可以在桌面快捷访问

关于认真抓好冶金企业安全隐患VIP免费

关于认真抓好冶金企业安全隐患_第1页
1/23
关于认真抓好冶金企业安全隐患_第2页
2/23
关于认真抓好冶金企业安全隐患_第3页
3/23
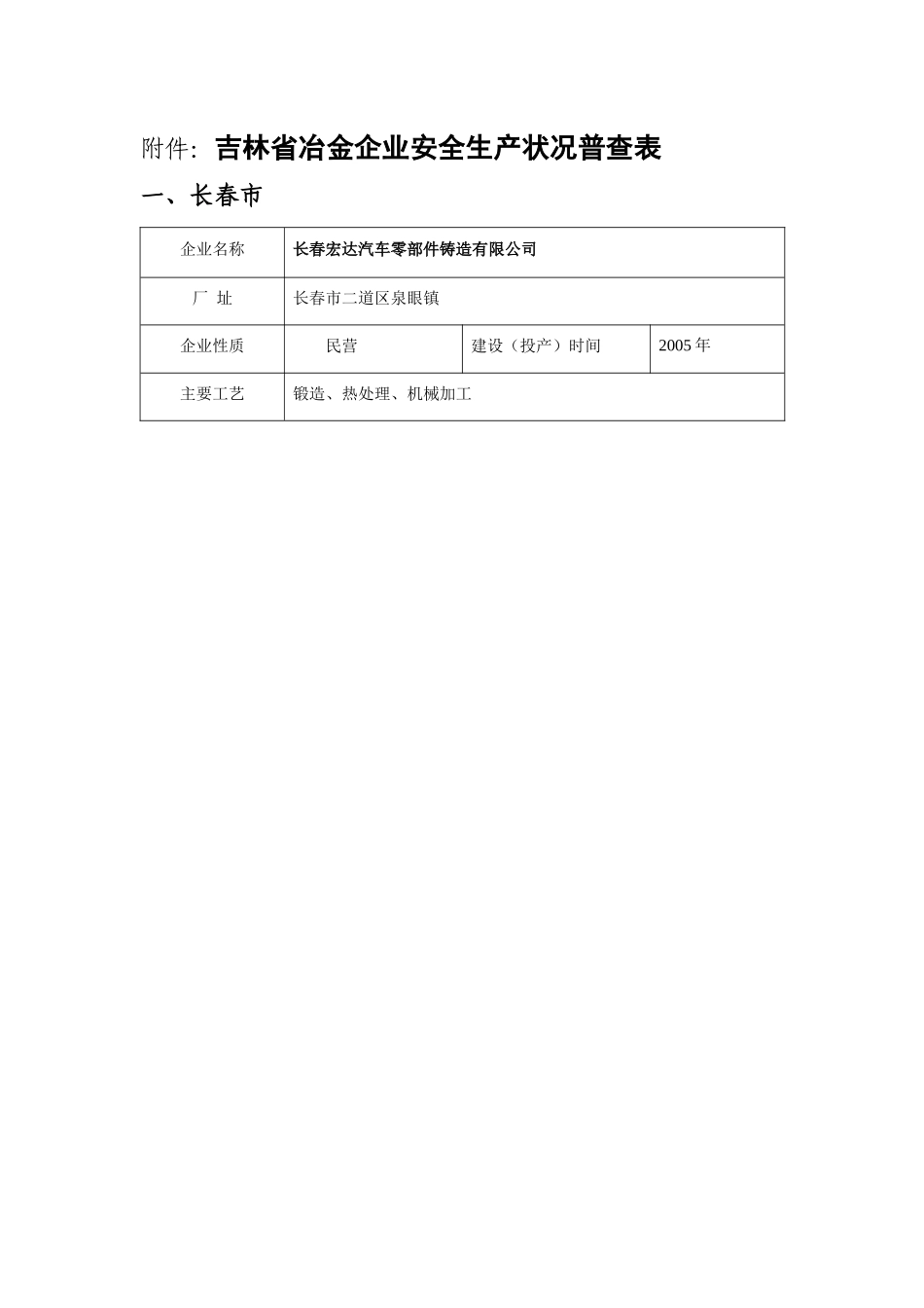
附件:吉林省冶金企业安全生产状况普查表一、长春市企业名称长春宏达汽车零部件铸造有限公司厂 址长春市二道区泉眼镇企业性质民营建设(投产)时间2005 年主要工艺锻造、热处理、机械加工安全生产现状该公司建立了安全生产管理网络,制定了安全生产责任制。 一、安全管理主要存在的问题:1.安全操作规程及安全管理制度不全。2..该企业没有安全验收评价。二、现场生产主要存在的问题:1.该厂车间厂房、生产工艺没有正规的设计文件(自行设计、施工)。2.配备的安全帽不合格。(材质为薄塑料)。3.多数工人在生产操作时,不佩戴和使用劳动防护用品。4.在易发生烫伤、机械伤害的部位无警示标志或防护装置。5.对机械、电器设备,没有建立相应的检修工作制度。6.热处理车间没有除尘设施,导致烟尘较大,刺激呼吸道系统。7.特种设备(如:吊车)超出检验时限。三、整改意见:1.按规定请有资质的设计、评价单位补做正规的设计文件和安全评价文件。2.完善安全操作规程及安全管理制度。3.在易发生烫伤、机械伤害的部位设立警示标志设置防护网或防护罩。4.建立相应的机械、电器等设备,检修工作制度。5.热处理车间增设除尘设施。6.增设安全生产管理奖罚制度(防止工作人员在工作中,不正确使用劳动保护用品)。7.按照 GB2811—1989 的规定配备合格的安全帽。企业名称启东金属制品有限公司厂 址长春市农安县华家镇企业性质民营建设(投产)时间2006 年主要工艺横列式轧机生产线二条(淘汰类)安全生产现状 该厂仅有安全生产小组、综合性的安全生产制度。一、 安全管理主要存在的问题:该厂没有经过有专业资质的设计部门设计。没有执行安全“三同时”的要求,缺少其他方面的安全管理制度。该企业没有安全验收评价。二、现场生产主要存在的问题:1.工人佩戴的安全帽不合格(材质为薄塑料)。2.多数生产工人在岗位操作时,不佩戴和使用劳动保护用品(经调查该企业没有发放劳动保护用品)。3.在易发生烫伤、机械伤害的部位无警示标志或防护装置。4.机械、电器等设备检修时,没有建立相应的检修工作制度。5.二座加热炉采用燃煤为燃料,不但浪费能源,而且污染环境,劳动环境差。6.该厂使用的吊车为自行加工,且没有特种工资格证。7.该厂所有的生产车间为开放式的简易厂房。8..轧线工作环境极为恶劣。三、整改意见:该厂的轧钢生产工艺按照国家《钢铁产业发展政策》要求,属于淘汰类。建议地方政府关闭该企业或进行升级改造。二、吉林市企业名称吉林福吉钢...

1、当您付费下载文档后,您只拥有了使用权限,并不意味着购买了版权,文档只能用于自身使用,不得用于其他商业用途(如 [转卖]进行直接盈利或[编辑后售卖]进行间接盈利)。
2、本站所有内容均由合作方或网友上传,本站不对文档的完整性、权威性及其观点立场正确性做任何保证或承诺!文档内容仅供研究参考,付费前请自行鉴别。
3、如文档内容存在违规,或者侵犯商业秘密、侵犯著作权等,请点击“违规举报”。

碎片内容

关于认真抓好冶金企业安全隐患

您可能关注的文档

确认删除?
VIP
微信客服
  • 扫码咨询
会员Q群
  • 会员专属群点击这里加入QQ群
客服邮箱
回到顶部