电脑桌面
添加小米粒文库到电脑桌面
安装后可以在桌面快捷访问

江苏暖通工程最新竣工验收表格(空)VIP免费

江苏暖通工程最新竣工验收表格(空)_第1页
1/143
江苏暖通工程最新竣工验收表格(空)_第2页
2/143
江苏暖通工程最新竣工验收表格(空)_第3页
3/143
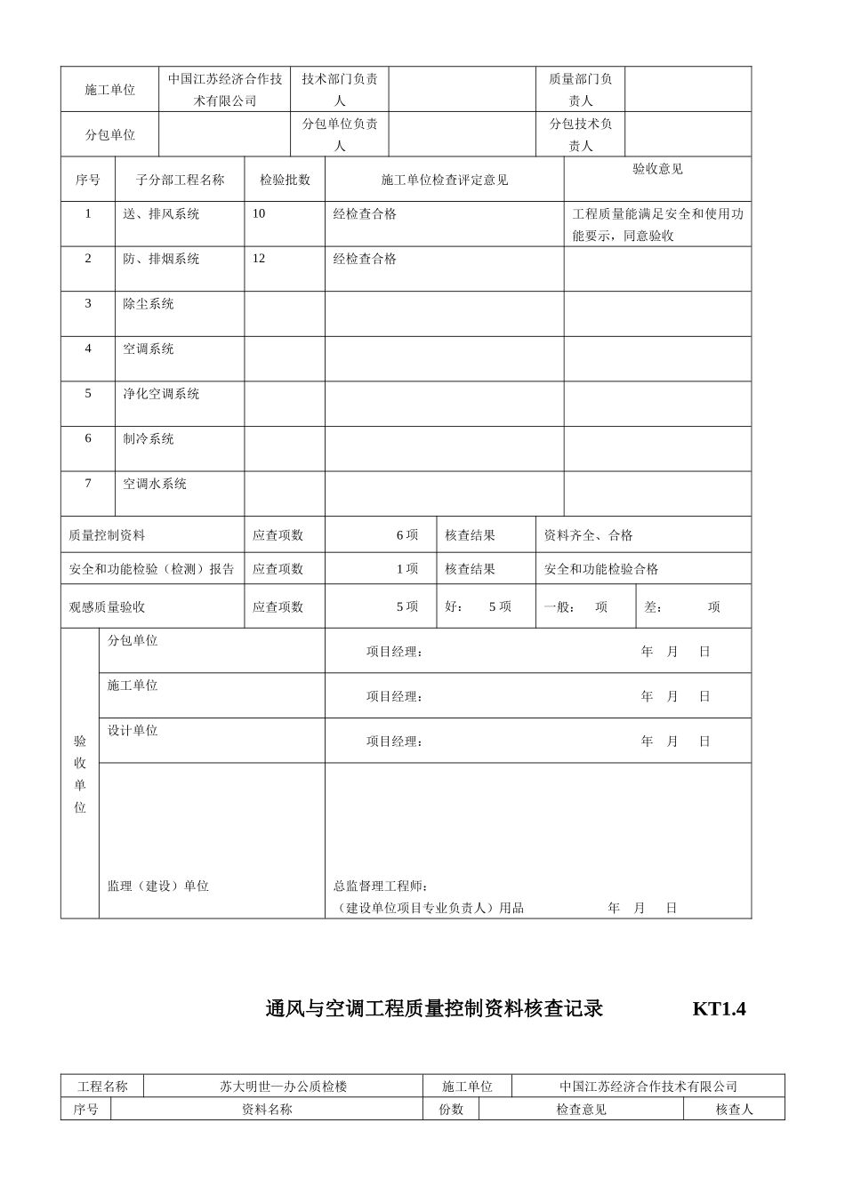
通风空调工程概况表 KT 1.1工程名称苏大明世--办公质检楼建设单位苏州苏大明世光学有限公司子分部、分项工程主要设备及材料型号规格单位数量安装地点送排风系统风管系统热镀锌钢板δ=:0.5mm、0.75mm、1.0mm、1.2mm张110一层~四层通风机、消声设备离心风机:T4No.3.5A 右 90°,微孔消声器(双腔)160*160*900、φ180*900台4三层~四层空调设备防排烟系统风口、设备排烟风机箱:HTFC-12A 型,板式排烟风口 PYK-SYD(M):500*500台4三层~四层除尘系统除尘设备排污设备空调系统空调设备消声设备净化系统空调设备消声设备高效过滤设备净化设备制冷系统制冷机组制冷管道、附属设备空调水系统冷却塔水泵及附属设备专业施工负责人(签字): 年 月 日专业监理工程师(签字):年 月 日 通风空调工程施工现场质量管理记录 KT 1.2 通风与空调分部工程质量验收记录 KT1.3工程名称苏大明世—办公质检楼结构类型框架结构层数四层工程名称枫桥中心小学迁建工程施工许可证号建设单位苏州高新区枫桥投资发展总公司设计单位苏州城市建筑设计院有限公司监理单位巢湖市建设监理有限公司总监理工程师吴醒生施工单位苏州第五建筑集团有限公司项目经理钱爱民专业技术负责人俞荣男专业监理工程师余金祥主 要 工 种姓名工种持证名称证号发证部门白晏平通风工通风工上岗作业许可证05305611苏州市劳动局 黄培佑通风工通风工上岗作业许可证05305605苏州市劳动局白如庭通风工通风工上岗作业许可证05305609苏州市劳动局现场管理制度健全质量检验制度健全施工组织设计及方案 已提交审批人钱爱民现场使用主要设备仪器、仪表名称型号规格单位数量备注咬口机QJ50台1剪板机Q11-4*2000台1台钻ZJ4113台1电焊机WSM-400台1专业技术负责人:年 月 日专业监理工程师: 年 月 日施工单位中国江苏经济合作技术有限公司技术部门负责人质量部门负责人分包单位分包单位负责人分包技术负责人序号子分部工程名称检验批数施工单位检查评定意见验收意见1送、排风系统10经检查合格工程质量能满足安全和使用功能要示,同意验收2防、排烟系统12经检查合格3除尘系统4空调系统5净化空调系统6制冷系统7空调水系统质量控制资料应查项数6 项核查结果资料齐全、合格安全和功能检验(检测)报告应查项数1 项核查结果安全和功能检验合格观感质量验收应查项数5 项好: 5 项一般: 项差: 项验收单位分包单位项目经理: 年 月 日施工单位项目经理: 年 月 日设计单位项目...

1、当您付费下载文档后,您只拥有了使用权限,并不意味着购买了版权,文档只能用于自身使用,不得用于其他商业用途(如 [转卖]进行直接盈利或[编辑后售卖]进行间接盈利)。
2、本站所有内容均由合作方或网友上传,本站不对文档的完整性、权威性及其观点立场正确性做任何保证或承诺!文档内容仅供研究参考,付费前请自行鉴别。
3、如文档内容存在违规,或者侵犯商业秘密、侵犯著作权等,请点击“违规举报”。

碎片内容

江苏暖通工程最新竣工验收表格(空)

您可能关注的文档

确认删除?
VIP
微信客服
  • 扫码咨询
会员Q群
  • 会员专属群点击这里加入QQ群
客服邮箱
回到顶部