电脑桌面
添加小米粒文库到电脑桌面
安装后可以在桌面快捷访问

污水海洋处置工程污染控制标准VIP免费

污水海洋处置工程污染控制标准_第1页
1/6
污水海洋处置工程污染控制标准_第2页
2/6
污水海洋处置工程污染控制标准_第3页
3/6
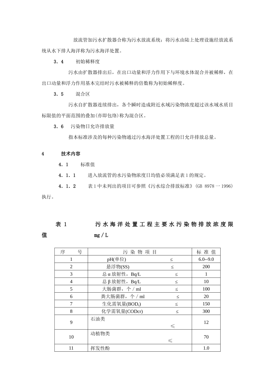
污水海洋处置工程污染控制标准GWKB 4-2000批准日期 0000-00-00实施日期 2001-07-01 1 主题内容与适用范围 1.1 主题内容 本标准规定了污水海洋处置工程主要水污染物排放浓度限值、初始稀释度、混合区范围及其他一般规定。 1.2 适用范围 本标准适用于利用放流管和水下扩散器向海域或向排放点含盐度大于 5%的年概率大于 10%的河口水域排 放污水(不包括温排水)的一切污水海洋处置工程。 2 引用标准 下列标准所含条文,在本标准中引用即构成本标准的条文。 GB 3097—1997 海水水质标准 GB 8978—1996 污水综合排放标准 GHZBl 一 l 999 地表水环境质量标准 当上述标准被修订时,应使用其最新版本。 3 定义 3.1 污水扩散器 沿着管道轴线设置多个出水口,使污水从水下分散排出的设施称为污水扩散器,其形状有直线型, L 型和 Y 型等。 3.2 放流管 由陆上污水处理设施将污水送至扩散器的管道或隧道称为放流管。大型放流管一般在岸边设有竖井。 3.3 污水海洋处置 放流管加污水扩散器合称为污水放流系统;将污水由陆上处理设施经放流系统从水下排人海洋称为污水海洋处置。 3.4 初始稀释度 污水由扩散器排出后,在出口动量和浮力作用下与环境水体混合并被稀释,在出口动量和浮力作用基本完结时污水被稀释的倍数称为初始稀释度。 3.5 混合区 污水自扩散器连续排出,各个瞬时造成附近水域污染物浓度超过该水域水质目标限值的平面范围的叠加(亦即包络)称为混合区。 3.6 污染物日允许排放量 指本标准涉及的每种污染物通过污水海洋处置工程的日允许排放总量。4 技术内容 4.1 标准值 4.1.1 进入放流管的水污染物浓度日均值必须满足表 1 的规定。 4.1.2 表 1 中未列出的项目可参照《污水综合排放标准》(GB 8978 一 1996)执行。 表 1 污 水 海 洋 处 置 工 程 主 要 水 污 染 物 排 放 浓 度 限值 mg/L序 号污 染 物 项 目标 准 值1pH(单位) ≤6.0--9.02悬浮物(SS) ≤2003总 α 放射性,Bq/L ≤14总 β 放射性,Bq/L ≤105大肠菌群,个/ml ≤1006粪大肠菌群,个/ml ≤207生化需氧量(BODs) ≤1508化学需氧量(CODcr) ≤3009石油类 ≤1210动植物类 ≤7011挥发性酚 1.0 ≤12总氰化物 ≤0.513硫化物 ≤1.014氟化物 ≤1515总氮 ≤4016无机氮 ≤3017氨氮 ≤2518总磷 ≤8.019总铜 ≤1.020总锌 ≤5.021总汞 ≤0.0522总镉 ≤0.123...

1、当您付费下载文档后,您只拥有了使用权限,并不意味着购买了版权,文档只能用于自身使用,不得用于其他商业用途(如 [转卖]进行直接盈利或[编辑后售卖]进行间接盈利)。
2、本站所有内容均由合作方或网友上传,本站不对文档的完整性、权威性及其观点立场正确性做任何保证或承诺!文档内容仅供研究参考,付费前请自行鉴别。
3、如文档内容存在违规,或者侵犯商业秘密、侵犯著作权等,请点击“违规举报”。

碎片内容

污水海洋处置工程污染控制标准

确认删除?
VIP
微信客服
  • 扫码咨询
会员Q群
  • 会员专属群点击这里加入QQ群
客服邮箱
回到顶部