电脑桌面
添加小米粒文库到电脑桌面
安装后可以在桌面快捷访问

钢结构手工电弧焊焊接施工工艺标准1VIP免费

钢结构手工电弧焊焊接施工工艺标准1_第1页
1/42
钢结构手工电弧焊焊接施工工艺标准1_第2页
2/42
钢结构手工电弧焊焊接施工工艺标准1_第3页
3/42
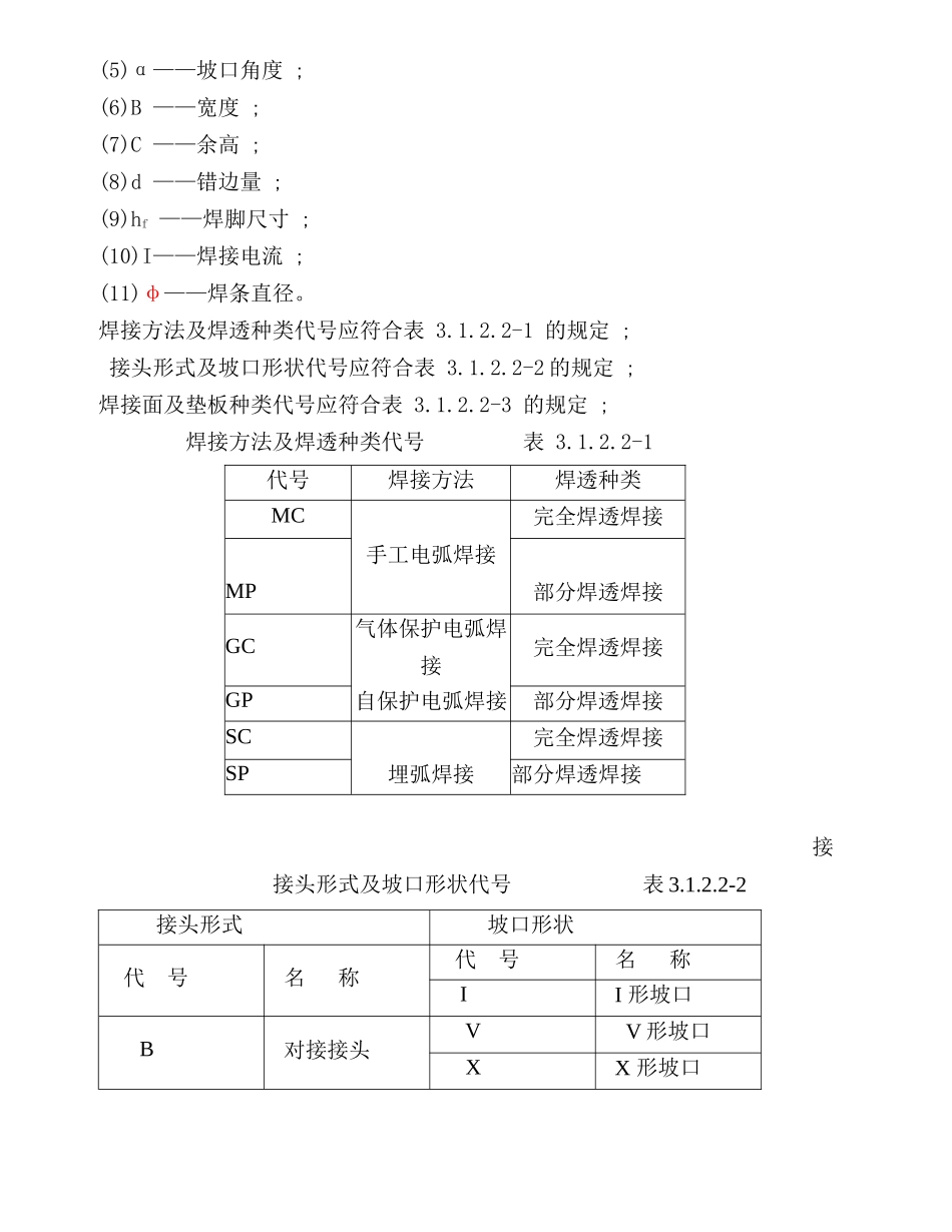
3 钢结构焊接与连接施工工艺标准3.1 钢结构手工电弧焊焊接施工工艺标准3.1.1 总则 3.1.1.1 适用范围本施工工艺标准适用于俯架或网架 ( 壳 ) 结构、多层或高层梁、 柱框架结构等工业与民用建筑和一般构筑物的钢结构工程中。凡 各工程的工艺中无特殊要求的结构件的手工电弧焊均应按本标准 规定执行。3.1.1.2 编制参考标准及规范(1) 《碳钢焊条》 GB5117(2) 《低合金钢焊条》 GB5118(3) 《气焊、手工电弧焊及气体保护焊焊缝坡口的基本形式与尺寸》 GB985-88(4) 《钢结构工程施工质量验收规范》 GB50205-2001(5) 《建筑钢结构焊接技术规程》 JGJ81-20023.1.2 术语.符号3.1.2.1 术语(1) 母材 :被焊接的材料统称。(2) 焊缝金属 :构成焊缝的金属 , 一般是熔化的母材和填充金属凝固形成的那部分金属。(3) 层间温度 :多层焊时 , 停焊后继续焊之前 , 其相邻焊道应保持的最低温度。(4) 余高 :高出焊趾连线部分的焊缝高度 O(5) 定位焊缝 :焊前为装配和固定焊接接头的位置而施焊的 短焊缝。(6) 船形焊 :T 形、十字形和角接接头处于平焊位置进行的焊接 03.1.2.2 符号(1)t ——板厚 ;(2)a ——间隙 ;(3) ρ——钝边 ;(4)L ——长度 ;(5)α——坡口角度 ;(6)B ——宽度 ;(7)C ——余高 ;(8)d ——错边量 ;(9)hf ——焊脚尺寸 ;(10)I——焊接电流 ;(11)φ——焊条直径。焊接方法及焊透种类代号应符合表 3.1.2.2-1 的规定 ; 接头形式及坡口形状代号应符合表 3.1.2.2-2 的规定 ; 焊接面及垫板种类代号应符合表 3.1.2.2-3 的规定 ;焊接方法及焊透种类代号 表 3.1.2.2-1代号焊接方法焊透种类MC完全焊透焊接手工电弧焊接MP部分焊透焊接GC气体保护电弧焊接完全焊透焊接GP自保护电弧焊接部分焊透焊接SC完全焊透焊接SP埋弧焊接部分焊透焊接接接头形式及坡口形状代号 表 3.1.2.2-2 接头形式 坡口形状 代 号 名 称 代 号 名 称 I I 形坡口 B 对接接头 VV 形坡口 X X 形坡口 UU 形坡口 L 单边 V 形坡口 K K 形坡口 T T 形接头U1U 形坡口 J1单边 U 形坡口 C 角接头注:1—当钢板厚度 50㎜时,可采用 U 形或 J 形坡口 焊接面及垫板种类代号 表 3.1.2.2-3焊接位置代号应符合表 3.1.2.2-4 的规定;坡口各部分尺寸应符合表 3.1.2.2-5 的规定;焊接位置代号 表 3.1.2.2-4焊接接头坡口形式和尺寸标记应符合下列规定: 坡口各部分尺寸代号 表...

1、当您付费下载文档后,您只拥有了使用权限,并不意味着购买了版权,文档只能用于自身使用,不得用于其他商业用途(如 [转卖]进行直接盈利或[编辑后售卖]进行间接盈利)。
2、本站所有内容均由合作方或网友上传,本站不对文档的完整性、权威性及其观点立场正确性做任何保证或承诺!文档内容仅供研究参考,付费前请自行鉴别。
3、如文档内容存在违规,或者侵犯商业秘密、侵犯著作权等,请点击“违规举报”。

碎片内容

钢结构手工电弧焊焊接施工工艺标准1

确认删除?
VIP
微信客服
  • 扫码咨询
会员Q群
  • 会员专属群点击这里加入QQ群
客服邮箱
回到顶部