电脑桌面
添加小米粒文库到电脑桌面
安装后可以在桌面快捷访问

nRF24L01无线通信模块使用手册VIP免费

nRF24L01无线通信模块使用手册_第1页
1/19
nRF24L01无线通信模块使用手册_第2页
2/19
nRF24L01无线通信模块使用手册_第3页
3/19
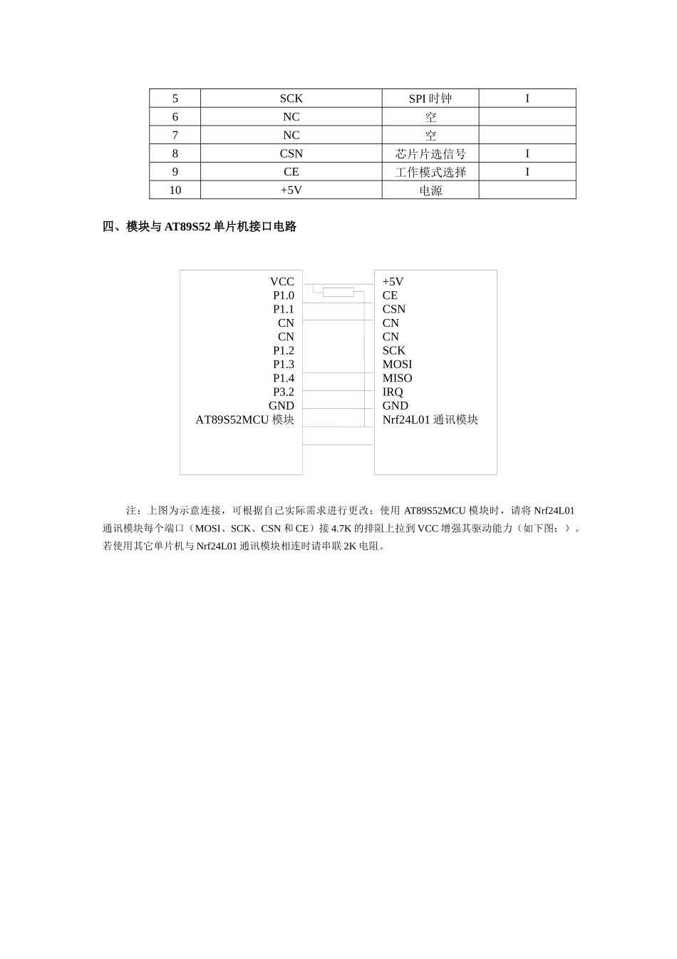
nRF24L01 无线通信模块使用手册一、模块简介该射频模块集成了 NORDIC 公司生产的无线射频芯片 nRF24L01:1.支持 2.4GHz 的全球开放 ISM 频段,最大发射功率为 0dBm2.2Mbps,传输速率高3.功耗低,等待模式时电流消耗仅 22uA4.多频点(125 个),满足多点通信及跳频通信需求5.在空旷场地,有效通信距离:25m(外置天线)、10m(PCB 天线)6.工作原理简介:发射数据时,首先将 nRF24L01 配置为发射模式,接着把地址 TX_ADDR 和数据TX_PLD 按照时序由 SPI 口写入 nRF24L01 缓存区,TX_PLD 必须在 CSN 为低时连续写入,而 TX_ADDR 在发射时写入一次即可,然后 CE 置为高电平并保持至少 10μs,延迟 130μs后发射数据;若自动应答开启,那么 nRF24L01 在发射数据后立即进入接收模式,接收应答信号。如果收到应答,则认为此次通信成功,TX_DS 置高,同时 TX_PLD 从发送堆栈中清除;若未收到应答,则自动重新发射该数据(自动重发已开启),若重发次数(ARC_CNT)达到上限,MAX_RT 置高,TX_PLD 不会被清除;MAX_RT 或 TX_DS 置高时,使 IRQ 变低,以便通知 MCU。最后发射成功时,若 CE 为低,则 nRF24L01 进入待机模式 1;若发送堆栈中有数据且 CE 为高,则进入下一次发射;若发送堆栈中无数据且 CE为高,则进入待机模式 2。接收数据时,首先将 nRF24L01 配置为接收模式,接着延迟 130μs 进入接收状态等待数据的到来。当接收方检测到有效的地址和 CRC 时,就将数据包存储在接收堆栈中,同时中断标志位 RX_DR 置高,IRQ 变低,以便通知 MCU 去取数据。若此时自动应答开启,接收方则同时进入发射状态回传应答信号。最后接收成功时,若 CE 变低,则 nRF24L01 进入空闲模式 1。二、模块电气特性参数数值单位供电电压5V最大发射功率0dBm最大数据传输率2Mbps电流消耗(发射模式,0dBm)11.3mA电流消耗(接收模式,2Mbps)12.3mA电流消耗(掉电模式)900nA温度范围-40~+85℃三、模块引脚说明管脚符号功能方向1GND电源地2IRQ中断输出O3MISOSPI 输出O4MOSISPI 输入IVCCP1.0P1.1CNCNP1.2P1.3P1.4P3.2GNDAT89S52MCU 模块+5VCECSNCNCNSCKMOSIMISOIRQGNDNrf24L01 通讯模块5SCKSPI 时钟I6NC空7NC空8CSN芯片片选信号I9CE工作模式选择I10+5V电源四、模块与 AT89S52 单片机接口电路注:上图为示意连接,可根据自己实际需求进行更改;使用 AT89S52MCU 模块时,请将 Nrf24L01通讯模块...

1、当您付费下载文档后,您只拥有了使用权限,并不意味着购买了版权,文档只能用于自身使用,不得用于其他商业用途(如 [转卖]进行直接盈利或[编辑后售卖]进行间接盈利)。
2、本站所有内容均由合作方或网友上传,本站不对文档的完整性、权威性及其观点立场正确性做任何保证或承诺!文档内容仅供研究参考,付费前请自行鉴别。
3、如文档内容存在违规,或者侵犯商业秘密、侵犯著作权等,请点击“违规举报”。

碎片内容

nRF24L01无线通信模块使用手册

状元书店+ 关注
实名认证
内容提供者

热爱教学事业,对互联网知识分享很感兴趣

相关文档

确认删除?
VIP
微信客服
  • 扫码咨询
会员Q群
  • 会员专属群点击这里加入QQ群
客服邮箱
回到顶部