电脑桌面
添加小米粒文库到电脑桌面
安装后可以在桌面快捷访问

钢筋工程施工组织设计方案VIP专享VIP免费

钢筋工程施工组织设计方案_第1页
1/20
钢筋工程施工组织设计方案_第2页
2/20
钢筋工程施工组织设计方案_第3页
3/20
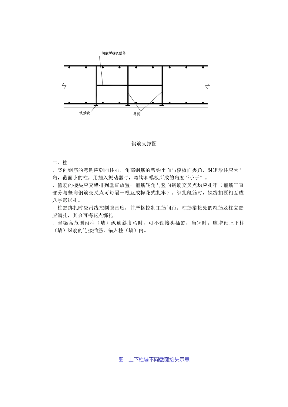
钢筋工程 钢筋工程质量标准一、保证项目、钢筋的材质、规格及焊条类型应符合钢筋工程的设计和施工规范,有材质及产品合格证书和物理性能检验,对于进口钢材需增加化学性能检定,检验合格后方能使用。、钢筋的规格、形状、尺寸、数量、间距、锚固长度、接头位置、保护层厚度必须符合设计要求和施工规范的规定。、焊工必须持相应等级焊工证才允许上岗操作。、在焊接前应预先用相同的材料、焊接条件及参数,制作二个抗拉试件,其试验结果大于该类别钢筋的抗拉强度时,才允许正式施焊,此时可不再从成品抽样取试件。二、基本项目、钢筋、骨架绑扎、缺扣、松扣不超过应绑扎数的%,且不应集中。、钢筋弯钩的朝向正确,绑扎接头符合施工规范的规定,搭接长度不小于规定值。、所有焊接接头必须进行外观检验,其要求是:焊缝表面平顺,没有较明显的咬边、凹陷、焊瘤、夹渣及气孔,严禁有裂纹出现。三、机械性能试验、检查方法 根据焊件的机械性能的有关规定进行取样送检。 钢筋加工制作钢筋加工制作时,要将钢筋加工下料表与设计图复核,检查下料表是否有错误和遗漏 ,对每种钢筋要按下料表检查是否达到要求,经过这两道检查后,再按下料表放出实样 ,试制合格后方可成批制作,加工好的钢筋要挂牌堆放整齐有序。施工中如需要钢筋代换时,必须先充分了解设计意图和代换材料性能,严格遵守现行钢筋混凝土设计规范的各种规定,并不得以等面积的高强度钢筋代换低强度的钢筋。凡重要部位的钢筋代换,须征得设计单位同意,并有书面通知时方可代换。、钢筋表面应洁净,粘着的油污、泥土、浮锈使用前必须清理干净,可结合冷拉工艺除锈。、钢筋调直,可用机械或人工调直。经调直后的钢筋不得有局部弯曲、死弯、小波浪形,其表面伤痕不应使钢筋截面减小%。、钢筋切断应根据钢筋号、直径、长度和数量,长短搭配,先断长料后断短料,尽量减少和缩短钢筋短头,以节约钢材。、钢筋弯钩或弯曲:()、钢筋弯钩。形式有三种,分别为半圆弯钩、直弯钩及斜弯钩。钢筋弯曲后,弯曲处内皮收缩。外皮延伸、轴线长度不变,弯曲处形成圆弧,弯起后尺寸不大于下料尺寸,应考虑弯曲调整值。钢筋弯心直径为,平直部分为。钢筋弯钩增加长度的理论计算值:对装半圆弯钩为,对直弯钩为,对斜弯钩为。()、弯起钢筋:中间部位弯折处的弯曲直径,不小于钢筋直径的倍。()、箍筋:箍筋的未端应作弯钩,弯钩形式应符合设计要求。箍筋调整值,即为弯钩增加长度和弯曲调整值两项之差或和,根据箍...

1、当您付费下载文档后,您只拥有了使用权限,并不意味着购买了版权,文档只能用于自身使用,不得用于其他商业用途(如 [转卖]进行直接盈利或[编辑后售卖]进行间接盈利)。
2、本站所有内容均由合作方或网友上传,本站不对文档的完整性、权威性及其观点立场正确性做任何保证或承诺!文档内容仅供研究参考,付费前请自行鉴别。
3、如文档内容存在违规,或者侵犯商业秘密、侵犯著作权等,请点击“违规举报”。

碎片内容

钢筋工程施工组织设计方案

确认删除?
VIP
微信客服
  • 扫码咨询
会员Q群
  • 会员专属群点击这里加入QQ群
客服邮箱
回到顶部