电脑桌面
添加小米粒文库到电脑桌面
安装后可以在桌面快捷访问

农业用碳酸氢铵-廊坊绿农生化工程有限公司、廊坊绿农、生物VIP免费

农业用碳酸氢铵-廊坊绿农生化工程有限公司、廊坊绿农、生物_第1页
1/12
农业用碳酸氢铵-廊坊绿农生化工程有限公司、廊坊绿农、生物_第2页
2/12
农业用碳酸氢铵-廊坊绿农生化工程有限公司、廊坊绿农、生物_第3页
3/12
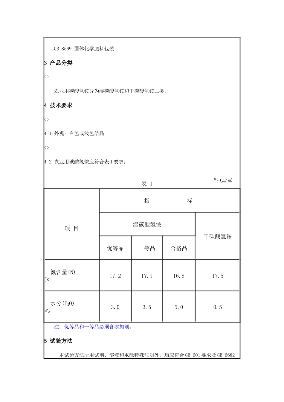
农业用碳酸氢铵GB 3559—92农业用碳酸氢铵1 主题内容与适用范围<> 本标准规定了农业用碳酸氢铵的技术要求、试验方法、检验规则及标志、包装、运输、贮存等。<> 本标准适用于由氨水吸收二氧化碳所制得的碳酸氢铵。该产品在农业上用作肥料。<> 分子式:NH4HCO3<> 相对分子质量:79.06(根据 1989 年国际相对原子质量表)2 引用标准<> GB 601 化学试剂 滴定分析(容量分析)用标准溶液的制备<> GB 603 化学试剂 试验方法中所用制剂及制品的制备<> GB 1250 极限数值的表示方法和判断方法<> GB 6682 实验室用水规格<> GB 8569 固体化学肥料包装3 产品分类<> 农业用碳酸氢铵分为湿碳酸氢铵和干碳酸氢铵二类。4 技术要求<> 4.1 外观:白色或浅色结晶<> 4.2 农业用碳酸氢铵应符合表 1 要求:表 1%(m/m) 项 目指 标 湿碳酸氢铵 干碳酸氢铵 优等品 一等品 合格品 氮含量(N) ≥ 17.217.116.817.5 水分(H2O) ≤ 3.03.55.00.5 注:优等品和一等品必须含添加剂。5 试验方法 本试验方法所用试剂、溶液和水除特殊注明外,均应符合 GB 601 要求及 GB 6682中三级水规格。<> 5.1 氮含量的测定 酸量法<> 5.1.1 方法原理<> 碳酸氢铵与过量硫酸标准溶液作用,在指示液存在下,用氢氧化钠标准滴定溶液反滴定过量硫酸。5.1.2 试剂和溶液<> 5.1.2.1 硫酸(GB 625)标准溶液:c(1/2H2SO4)=1mol/L,按 GB 601 制备;5.1.2.2 氢氧化钠(GB 629)标准滴定溶液:c(NaOH)=1mol/L,按 GB 601 制备与标定;5.1.2.3 甲基红(HG 3─958)-亚甲基蓝混合指示液:按 GB 603 制备。5.1.3 仪器<> 试验室常用仪器。<> 5.1.4 分析步骤<> 5.1.4.1 测定:在已知质量的干燥的带盖称量瓶中,迅速称取约 2g 试样,精确至0.001g,然后立即用水将试样洗入已盛有 40.0~50.0mL 硫酸标准溶液的 250mL 锥形瓶中,摇匀使试样完全溶解,加热煮沸 3~5min,以驱除二氧化碳。冷却后,加 2~3 滴混合指示液,用氢氧化钠标准滴定溶液滴定至溶液呈现灰绿色即为终点。5.1.4.2 空白试验:按上述 5.1.4.1 手续进行空白试验。除不加试样外,须与 5.1.4.1 采用完全相同的分析步骤、试剂和用量(氢氧化钠标准滴定溶液的用量除外) 进行。<> 5.1.5 分析结果的表述<> 氮含量(N)X1以质量百分率表示,按式(1)计算:………………………………………(1)<> 式中:V1──空白试验时用去氢氧化钠标准滴定溶液的体积,mL;V2...

1、当您付费下载文档后,您只拥有了使用权限,并不意味着购买了版权,文档只能用于自身使用,不得用于其他商业用途(如 [转卖]进行直接盈利或[编辑后售卖]进行间接盈利)。
2、本站所有内容均由合作方或网友上传,本站不对文档的完整性、权威性及其观点立场正确性做任何保证或承诺!文档内容仅供研究参考,付费前请自行鉴别。
3、如文档内容存在违规,或者侵犯商业秘密、侵犯著作权等,请点击“违规举报”。

碎片内容

农业用碳酸氢铵-廊坊绿农生化工程有限公司、廊坊绿农、生物

确认删除?
VIP
微信客服
  • 扫码咨询
会员Q群
  • 会员专属群点击这里加入QQ群
客服邮箱
回到顶部