电脑桌面
添加小米粒文库到电脑桌面
安装后可以在桌面快捷访问

元器件降额标准(参考)VIP免费

元器件降额标准(参考)_第1页
1/9
元器件降额标准(参考)_第2页
2/9
元器件降额标准(参考)_第3页
3/9
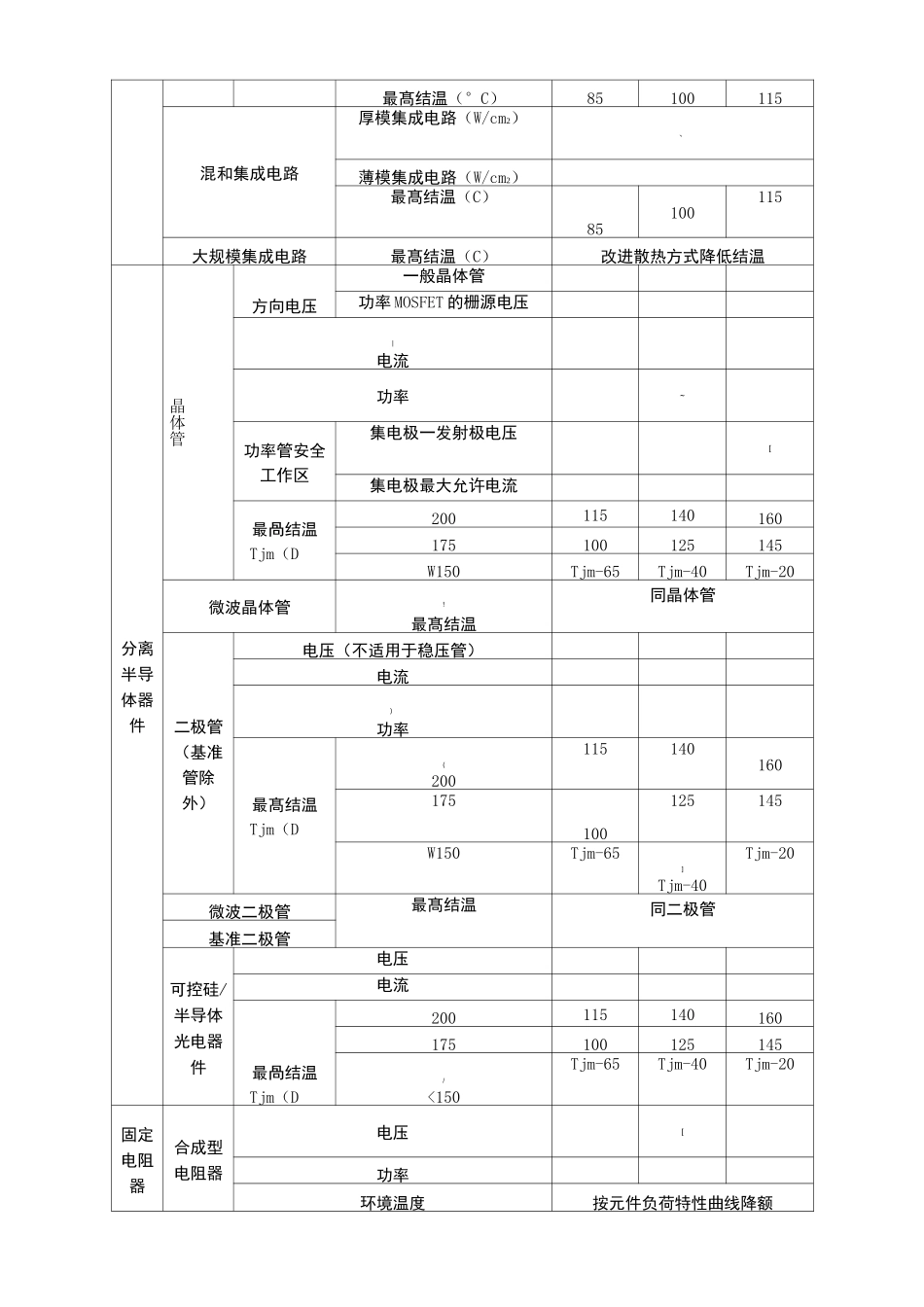
元器件降额准则(参考件)类种件口吝元H(m集成电路模拟电路口吝大放流电出输率功A7°C/|\'温结髙最O8595O口吝较比FL-流电出输率功A7°C/|\温结髙最O8595O调压器整电-入流电出输<率功A7°C/|\温结髙最O8595$流电出输率功A7°C/|\\温结髙最O8595O数字电路电«路双率频$流电出输A7°C/|\温结髙最585—1路电型S流电出输率功最髙结温(°C)85100115混和集成电路厚模集成电路(W/cm2)、薄模集成电路(W/cm2)最髙结温(C)85100115大规模集成电路最髙结温(C)改进散热方式降低结温分离半导体器件晶体管方向电压一般晶体管功率 MOSFET 的栅源电压|电流功率~功率管安全工作区集电极一发射极电压[集电极最大允许电流最咼结温Tjm(D200115140160175100125145W150Tjm-65Tjm-40Tjm-20微波晶体管!最髙结温同晶体管二极管(基准管除外)电压(不适用于稳压管)电流)功率最髙结温Tjm(D(200115140160175100125145W150Tjm-65]Tjm-40Tjm-20微波二极管最髙结温同二极管基准二极管可控硅/半导体光电器件电压电流最咼结温Tjm(D200115140160175100125145/<150Tjm-65Tjm-40Tjm-20固定电阻器合成型电阻器电压[功率环境温度按元件负荷特性曲线降额薄膜型电阻器电压功率环境温度按元件负荷特性曲线降额电阻网络电压(功率环境温度按元件负荷特性曲线降额线绕电阻电压<功率精密型—功率型环境温度按元件负荷特性曲线降额电位器非线绕电位器电压@功率合成、薄膜微调]精密塑料型不采用环境温度按元件负荷特性曲线降额线绕电位器电压[功率普通型~非密封功率型一一微调线绕型环境温度按元件负荷特性曲线降额热敏电阻器功率最髙环境温度(°C)T-15AMT-15AMT-15AM电容器固定玻璃釉型直流工作电压最髙额定环境温度 T(C)AMT-10AMT-10AMT-10AM固定云母型直流工作电压最髙额定环境温度 T(C)AMT-10AMT-10AMT-10AM固定陶瓷型直流工作电压}最髙额定环境温度 T(C)AMT-10AMT-10AM1T-10AM固定纸/塑料薄膜直流工作电压最髙额定环境温度 T(C)T-10AMT-10AMT-10AM电解电容器铝电解直流工作电压最髙额定环境温度 T(DAM—T-20AM钽电解直流工作电压*最髙额定环境温度 T(DAMT-20AMT-20AM\T-20AM微调电容器直流工作电压最髙额定环境温度 T(D4UT-10AMT-10AMT-10AM电感元件热点温度・(D(简写 T)HST-40~25(T-25~10T-15~0工作电流*瞬间电压/电流介质耐压\扼流圈工作电压继电器连续触点电流[小功率负荷(VlOOmW)不降额电阻负载电容负载(最大浪涌电流)(电感负载电感额定电流的电阻额定...

1、当您付费下载文档后,您只拥有了使用权限,并不意味着购买了版权,文档只能用于自身使用,不得用于其他商业用途(如 [转卖]进行直接盈利或[编辑后售卖]进行间接盈利)。
2、本站所有内容均由合作方或网友上传,本站不对文档的完整性、权威性及其观点立场正确性做任何保证或承诺!文档内容仅供研究参考,付费前请自行鉴别。
3、如文档内容存在违规,或者侵犯商业秘密、侵犯著作权等,请点击“违规举报”。

碎片内容

元器件降额标准(参考)

您可能关注的文档

确认删除?
VIP
微信客服
  • 扫码咨询
会员Q群
  • 会员专属群点击这里加入QQ群
客服邮箱
回到顶部