电脑桌面
添加小米粒文库到电脑桌面
安装后可以在桌面快捷访问

保温层厚度实测记录 12-9VIP免费

保温层厚度实测记录   12-9_第1页
1/8
保温层厚度实测记录   12-9_第2页
2/8
保温层厚度实测记录   12-9_第3页
3/8
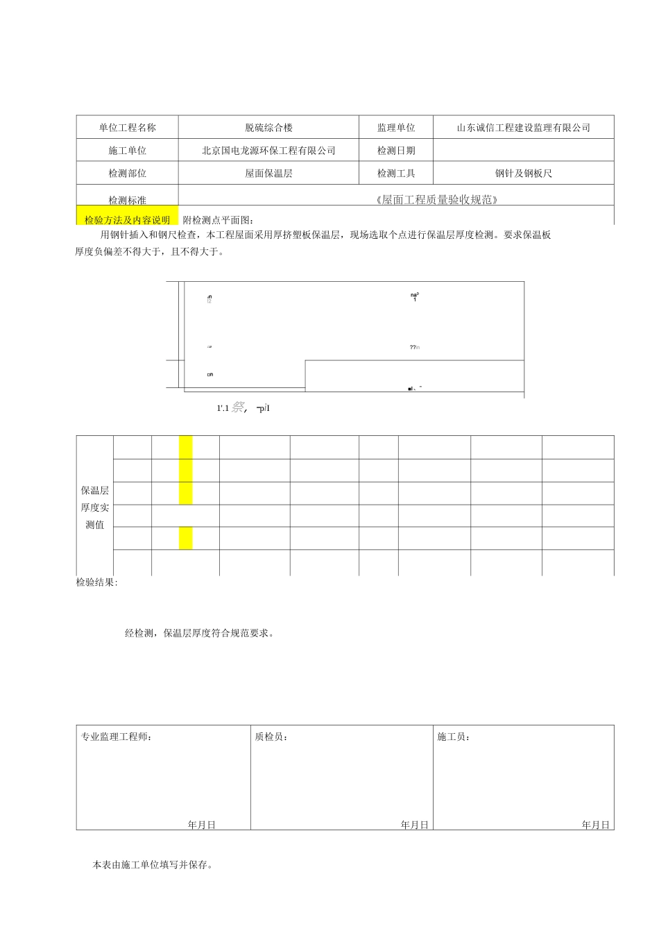
本表由施工单位填写并保存。单位工程名称脱硫综合楼监理单位山东诚信工程建设监理有限公司施工单位北京国电龙源环保工程有限公司检测日期检测部位屋面保温层检测工具钢针及钢板尺检测标准《屋面工程质量验收规范》检验方法及内容说明附检测点平面图:用钢针插入和钢尺检查,本工程屋面采用厚挤塑板保温层,现场选取个点进行保温层厚度检测。要求保温板厚度负偏差不得大于,且不得大于。an!2□anaD1??in□n■I、”1'.1祭,-piI保温层厚度实测值检验结果:经检测,保温层厚度符合规范要求。专业监理工程师:质检员:施工员:年月日年月日年月日本表由施工单位填写并保存。单位工程名称脱硫综合楼监理单位山东诚信工程建设监理有限公司施工单位北京国电龙源环保工程有限公司检测日期检测部位屋面保温层检测工具钢针及钢板尺检测标准《屋面工程质量验收规范》检验方用厚度负偏法及内容说明附检测点平面图:钢针插入和钢尺检查,本工程屋面采用厚挤塑板保温层,现场选取个点进行保温层厚度检测。要求保温板話差不得大于,且不得大于。池、*-□t3□□"亍显号1°?m-3■1"心®j1'.1 祭,-ps1保温层厚度实测值检验结果:本表由施工单位填写并保存。专业监理工程师:年月日质检员:年月日施工员:年月日本表由施工单位填写并保存。单位工程名称循环浆液泵房监理单位山东诚信工程建设监理有限公司施工单位北京国电龙源环保工程有限公司检测日期检测部位屋面保温层检测工具钢针及钢板尺检测标准《屋面工程质量验收规范》检验方用度负偏差法及内容说明附检测点平面图:钢针插入和钢尺检查,本工程屋面采用厚挤塑板保温层,现场选取个点进行保温层厚度检测。要求保温板厚i 不得大于,且不得大于。-□□°1?□°1313二丨 III'I11it'..1||保温层厚度实测值检验结果:本表由施工单位填写并保存。专业监理工程师:年月日质检员:年月日施工员:年月日本表由施工单位填写并保存。单位工程名称循环浆液泵房监理单位山东诚信工程建设监理有限公司施工单位北京国电龙源环保工程有限公司检测日期检测部位屋面保温层检测工具钢针及钢板尺检测标准《屋面工程质量验收规范》检验方法及内容用钢针插入度负偏差不得大二■说明附检测点平面图:和钢尺检查,本工程屋面采用厚挤塑板保温层,现场选取个点进行保温层厚度检测。要求保温板厚F,且不得大于。少——□口□2』7T°■:Vi-⑥$=2II'11卜$「Irr保温层厚度实测值检验结果:本表由施工单位填写并保存。专业监理工程师:年月日...

1、当您付费下载文档后,您只拥有了使用权限,并不意味着购买了版权,文档只能用于自身使用,不得用于其他商业用途(如 [转卖]进行直接盈利或[编辑后售卖]进行间接盈利)。
2、本站所有内容均由合作方或网友上传,本站不对文档的完整性、权威性及其观点立场正确性做任何保证或承诺!文档内容仅供研究参考,付费前请自行鉴别。
3、如文档内容存在违规,或者侵犯商业秘密、侵犯著作权等,请点击“违规举报”。

碎片内容

保温层厚度实测记录 12-9

您可能关注的文档

确认删除?
VIP
微信客服
  • 扫码咨询
会员Q群
  • 会员专属群点击这里加入QQ群
客服邮箱
回到顶部