电脑桌面
添加小米粒文库到电脑桌面
安装后可以在桌面快捷访问

圆管柱制作通用工艺讲解VIP免费

圆管柱制作通用工艺讲解_第1页
1/12
圆管柱制作通用工艺讲解_第2页
2/12
圆管柱制作通用工艺讲解_第3页
3/12
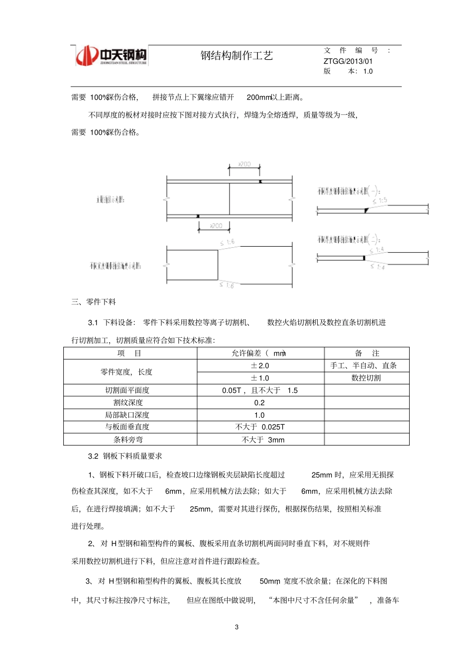
钢结构制作工艺文件编号:ZTGG/2013/01 版本: 1.0 圆管柱制作工艺文件一、编制依据1.1 技术科深化详图1.2《建筑钢结构焊接技术规程》(JGJ81-2002)1.3《低合金高强度结构钢》(GB/T1591-94 )1.4《碳素结构钢》 (GB700-88 )1.5《熔化焊用钢丝》 (GB14957-94 )1.6《埋弧焊用低合金钢焊丝和焊剂》(GB/T12470-2003 )1.7《气体保护电弧焊用碳钢、低合金钢焊丝》(GB/T8110-1995 )1.8《碳钢焊条》 (GB/T5117-95 )1.9《钢结构工程施工质量验收规范》(GB50205-2001 )1.10《高层民用建筑钢结构技术规程》(JGJ99-98)1.11《气焊、手工电弧焊及气体保护焊焊缝坡口的基本形式与尺寸》(GB985-88 )1.12《埋弧焊焊缝坡口的基本形式与尺寸》(GB986-88 )1.13《涂装前钢材表面锈蚀等级和除锈等级》( GB8923-88 )二、材料的管理2.1 钢材2.1.1 所有焊接截面钢材均为,所有型钢截面钢材均为,详见图纸。2.1.2 原材料进厂必须核对钢厂的材质保证书,质保证书检查合格后,质量部门应对材料的牌号、规格、数量、表面质量等进行检测,外观质量检测符合现行有关标准后,方可对钢材随机取样, 进行原材料的物理和化学试验,只有钢材物理和化学试验合格后,材料方可办理入库手续。2.1.3 材料应按规定进行标识并有序堆放,避免与其它材料相混。堆放应平整放置以防止变形。吊装驳运要规范操作,并采取措施避免母材损伤。若发现钢板不平整或型钢弯曲超差,应在下料前用火焰矫正法矫正,矫正要求可见表2.1。表 2.1 材料的一般形状要求及矫正公差范围钢结构制作工艺文件编号:ZTGG/2013/01 版本: 1.0 2 2.2 焊接材料2.2.1 焊接材料要求焊材包括焊条、焊丝、焊剂和焊接保护气体;所有被采用的焊接材料的生产厂, 均必须具备有效的质量保证体系,焊接材料生产厂名、焊接材料出厂质量证明书以及产品使用说明书等。2.2.2 CO2 气体保护焊用焊丝的选用当钢材材质为Q345 时,焊丝的选用ER50-6;当钢材材质为 Q390 时,,焊丝的选用ER50-7;其质量符合国家标准《气体保护电弧焊用碳钢、低合金钢焊丝》 (GB/T8110-1995 )。2.2.3 埋弧焊丝和焊剂的选用当钢材材质为Q345 时,焊丝的选用H08MnA ,焊剂选用SJ101;当钢材材质为Q390 时,,焊丝的选用H10Mn2A焊剂选用SJ101;其质量符合国家标准《 埋弧焊用低合金钢焊丝和焊剂》( GB/T12470-2003 ),焊剂使用前应按照使用说明书中的要求对焊剂进行烘干,焊剂方可以使用表 ...

1、当您付费下载文档后,您只拥有了使用权限,并不意味着购买了版权,文档只能用于自身使用,不得用于其他商业用途(如 [转卖]进行直接盈利或[编辑后售卖]进行间接盈利)。
2、本站所有内容均由合作方或网友上传,本站不对文档的完整性、权威性及其观点立场正确性做任何保证或承诺!文档内容仅供研究参考,付费前请自行鉴别。
3、如文档内容存在违规,或者侵犯商业秘密、侵犯著作权等,请点击“违规举报”。

碎片内容

圆管柱制作通用工艺讲解

您可能关注的文档

确认删除?
VIP
微信客服
  • 扫码咨询
会员Q群
  • 会员专属群点击这里加入QQ群
客服邮箱
回到顶部