电脑桌面
添加小米粒文库到电脑桌面
安装后可以在桌面快捷访问

土建工程施工质量验收及评定范围划分表VIP专享VIP免费

土建工程施工质量验收及评定范围划分表_第1页
1/27
土建工程施工质量验收及评定范围划分表_第2页
2/27
土建工程施工质量验收及评定范围划分表_第3页
3/27
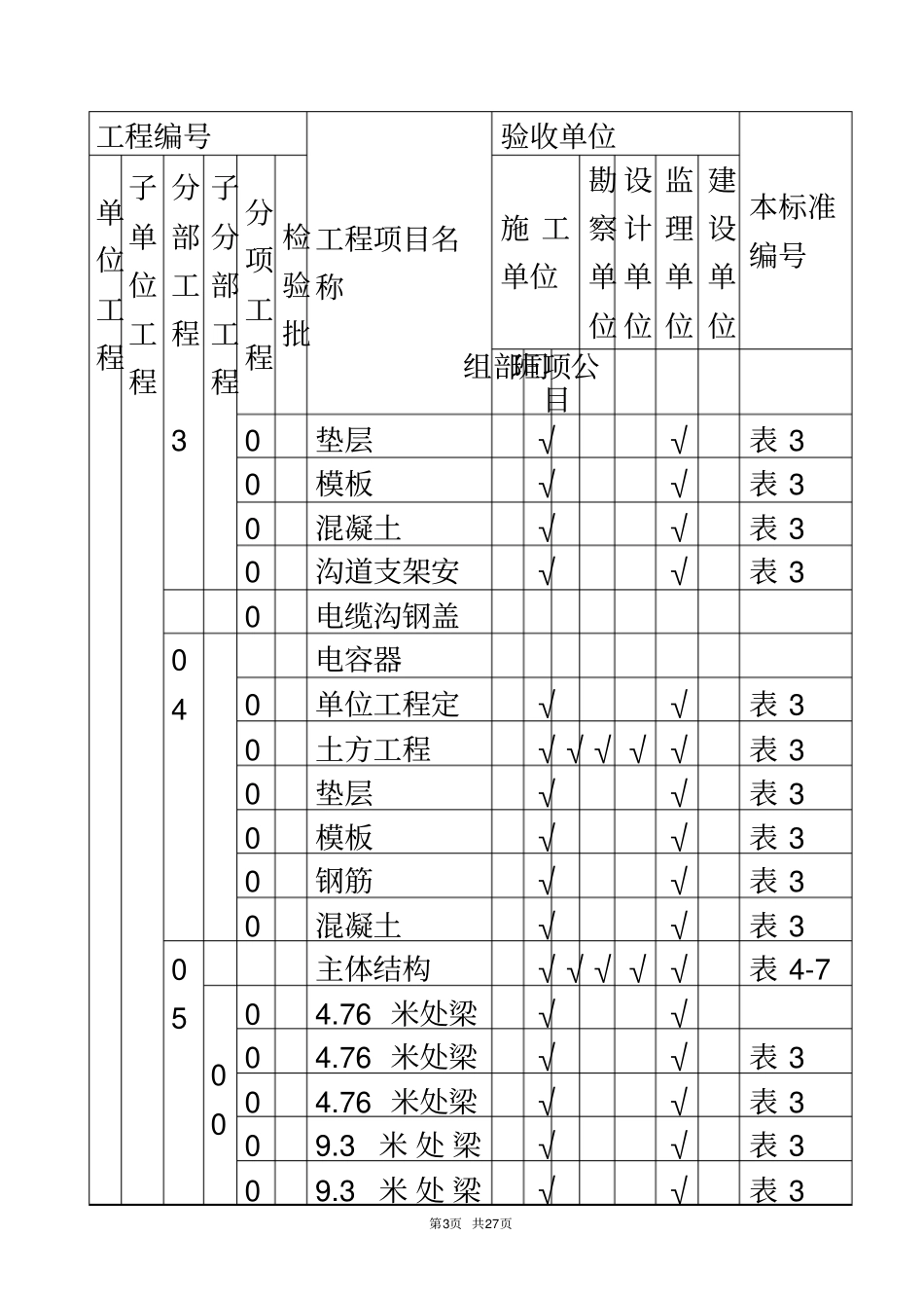
土建工程施工质量验收及评定范围划分表第2页 共27页土建工程施工质量验收及评定范围划分表工 程 名 称 : 辛 集 新 垒 头110kV变 电 站 新 建 工 程编号: SZLB-001 工程编号工程项目名称验收单位本标准编号单位工程子单位工程分部工程子分部工程分项工程检验批施 工单位勘察单位设计单位监理单位建设单位班组项目部公司01 00 综合配电楼√√√ √ √ 表01 地基与基础√√√ √ √表 4-7 0单位工程定√√表 3 0土方工程√√√ √ √表 3 0垫层√√表 3 0基础模板√√表 3 0基础钢筋√√表 3 0基础混凝土√√表 3 02 电缆隧道√√√ √表 4-7 0垫层表 3 0模板√√表 3 0钢筋√√表 3 0混凝土√√表 3 0室内电缆沟√√√ √表 4-7 第3页 共27页工程编号工程项目名称验收单位本标准编号单位工程子单位工程分部工程子分部工程分项工程检验批施 工单位勘察单位设计单位监理单位建设单位班组项目部公司3 0垫层√√表 3 0模板√√表 3 0混凝土√√表 3 0沟道支架安√√表 3 0电缆沟钢盖04 电容器0单位工程定√√表 3 0土方工程√√√ √ √表 3 0垫层√√表 3 0模板√√表 3 0钢筋√√表 3 0混凝土√√表 3 05 主体结构√√√ √ √表 4-7 00 04.76 米处梁√√04.76 米处梁√√表 3 04.76 米处梁√√表 3 09.3米 处 梁√√表 3 09.3米 处 梁√√表 3 第4页 共27页工程编号工程项目名称验收单位本标准编号单位工程子单位工程分部工程子分部工程分项工程检验批施 工单位勘察单位设计单位监理单位建设单位班组项目部公司09.3米 处 梁√√表 3 012.4 米处梁√√表 3 012.4 米处梁√√表 3 012.4 米处梁√√表 3 114.9 米处梁√√表 3 114.9 米处梁√√表 3 114.9 米处梁√√表 3 13 女儿墙模板√√表 3 女儿墙钢筋√√表 3 女儿墙混凝√√表 3 14 雨篷√√表 3 雨篷模板√√表 3 0 模板安装√√√表 64 0 模板拆除√√√表 69 雨篷钢筋√√表 3 0 钢筋加工√√√表 70 0 钢筋安装√√√表 71 雨篷混凝土√√表 3 0 混凝土原材√√√表 72 第5页 共27页工程编号工程项目名称验收单位本标准编号单位工程子单位工程分部工程子分部工程分项工程检验批施 工单位勘察单位设计单位监理单位建设单位班组项目部公司0 混凝土施工√√√表 74 0 混凝土外观√√√表 77 15 填充墙砌筑√√表...

1、当您付费下载文档后,您只拥有了使用权限,并不意味着购买了版权,文档只能用于自身使用,不得用于其他商业用途(如 [转卖]进行直接盈利或[编辑后售卖]进行间接盈利)。
2、本站所有内容均由合作方或网友上传,本站不对文档的完整性、权威性及其观点立场正确性做任何保证或承诺!文档内容仅供研究参考,付费前请自行鉴别。
3、如文档内容存在违规,或者侵犯商业秘密、侵犯著作权等,请点击“违规举报”。

碎片内容

土建工程施工质量验收及评定范围划分表

确认删除?
VIP
微信客服
  • 扫码咨询
会员Q群
  • 会员专属群点击这里加入QQ群
客服邮箱
回到顶部