电脑桌面
添加小米粒文库到电脑桌面
安装后可以在桌面快捷访问

土豆及其制品中α-茄碱和α-卡茄碱的测定BJS201806VIP免费

土豆及其制品中α-茄碱和α-卡茄碱的测定BJS201806_第1页
1/7
土豆及其制品中α-茄碱和α-卡茄碱的测定BJS201806_第2页
2/7
土豆及其制品中α-茄碱和α-卡茄碱的测定BJS201806_第3页
3/7
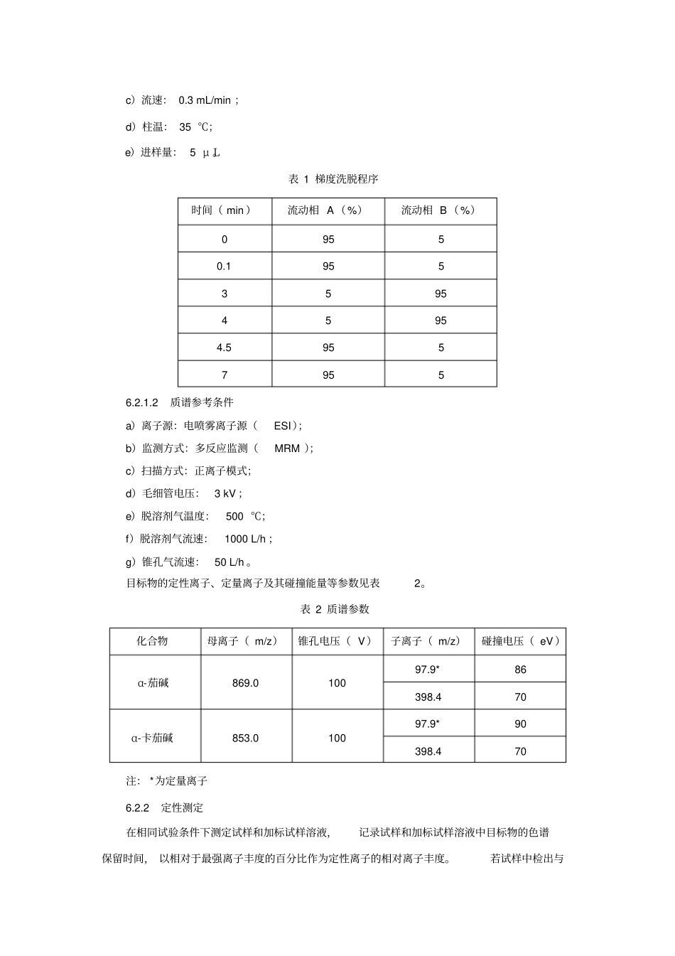
附件 1 土豆及其制品中 α-茄碱和 α-卡茄碱的测定BJS 201806 1范围本方法规定了土豆及其制品中α-茄碱和 α-卡茄碱含量的液相色谱-串联质谱测定方法。本方法适用于土豆及其制品中α-茄碱和 α-卡茄碱含量的测定。2原理样品经酸化乙腈提取,用液相色谱-串联质谱仪测定,采用外标法定量。3试剂和材料以下所用的试剂,除特别注明外均为分析纯,水应为符合GB/T 6682 规定的一级水。3.1试剂3.1.1甲醇( CH 3OH ):色谱纯。3.1.2乙腈( CH 3CN):色谱纯。3.1.3甲酸( HCOOH ):色谱纯。3.1.4甲酸铵( HCOONH4):色谱纯。3.1.5无水硫酸镁(MgSO 4):分析纯。3.1.6无水乙酸钠(CH 3COONa ):分析纯。3.2试剂配制3.2.1甲酸 -甲酸铵缓冲溶液:称取甲酸铵(3.1.4) 0.063 g 于烧杯中,加适量水溶解后转移到1000 mL 容量瓶中,再移取甲酸(3.1.3) 1 mL 于同一容量瓶中,加水定容至刻度。3.2.2酸化乙腈:移取甲酸(3.1.3 ) 10 mL 于 1000 mL 容量瓶中,加乙腈(3.1.2 )定容至刻度。3.2.3甲醇水溶液(50% ,体积分数) :移取甲醇(3.1.1 ) 500 mL 于 1000 mL 容量瓶中,加水定容至刻度。3.3标准品α-茄碱和 α-卡茄碱标准品的英文名称、CAS 登录号、分子式、相对分子质量详见附录A 中的表 A.1 。3.4标准溶液配制3.4.1α-茄碱和α-卡茄碱混合标准储备液(2.50 mg/mL ):分别准确称取α-茄碱和α-卡茄碱标准品 (3.3)各 5.00 mg 于同一烧杯中, 加入少量乙腈 ( 3.1.3 )溶解后转移至20.0 mL容量瓶中, 加入乙腈并定容至刻度,制成浓度为2.50 mg/mL 的混合标准使用液,于﹣ 20 ℃冰箱中保存,有效期3 个月。4仪器和设备4.1液相色谱 -串联质谱仪,配有电喷雾离子源(ESI 源);4.2涡旋混合器;4.3高速冷冻离心机:转速≥10000 r/min ;4.4电子天平:感量分别为0.001 g 和 0.00001g;4.5均质器;4.6具塞离心管:50 mL 和 15 mL 。5试样制备与保存用均质器将样品充分打碎混匀,放入分装容器中,密封并标记,于﹣20o℃以下冷冻存放。6测定步骤6.1提取和净化称取试样 1 g(精确至 0.001 g )于 50 mL 具塞离心管中,加入5.0 mL 水涡旋混匀 1 min ,再准确加入 25.0 mL 酸化乙腈( 3.2.2),涡旋混匀 3 min 。之后,向离心管中加入2.0 g 无水硫酸镁( 3.1.5), 1.0 g 无水醋酸钠( 3.1.6)。手动剧烈摇动30 s后涡旋混匀 1 min 。再将离...

1、当您付费下载文档后,您只拥有了使用权限,并不意味着购买了版权,文档只能用于自身使用,不得用于其他商业用途(如 [转卖]进行直接盈利或[编辑后售卖]进行间接盈利)。
2、本站所有内容均由合作方或网友上传,本站不对文档的完整性、权威性及其观点立场正确性做任何保证或承诺!文档内容仅供研究参考,付费前请自行鉴别。
3、如文档内容存在违规,或者侵犯商业秘密、侵犯著作权等,请点击“违规举报”。

碎片内容

土豆及其制品中α-茄碱和α-卡茄碱的测定BJS201806

爱的疯狂+ 关注
实名认证
内容提供者

该用户很懒,什么也没介绍

确认删除?
VIP
微信客服
  • 扫码咨询
会员Q群
  • 会员专属群点击这里加入QQ群
客服邮箱
回到顶部