电脑桌面
添加小米粒文库到电脑桌面
安装后可以在桌面快捷访问

外墙保温_改性玻化微珠复合无机板资料VIP免费

外墙保温_改性玻化微珠复合无机板资料_第1页
1/10
外墙保温_改性玻化微珠复合无机板资料_第2页
2/10
外墙保温_改性玻化微珠复合无机板资料_第3页
3/10
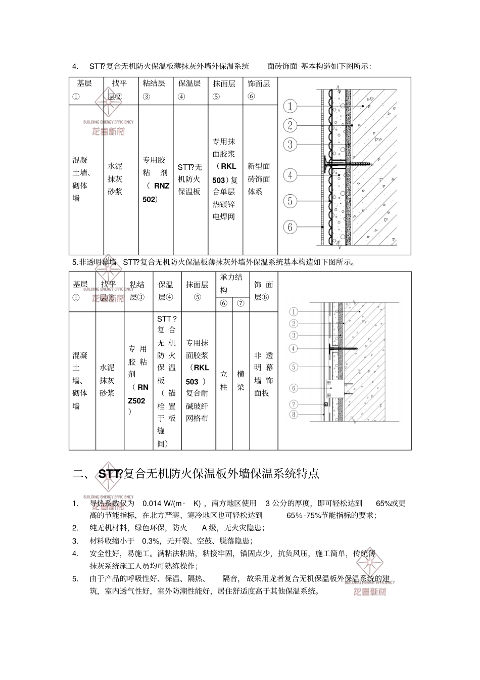
STT?保温板外墙外保温系统第一节、 STT ?复合无机防火保温板外墙外保温系统一、定义1.STT?复合无机防火保温板(又名:改性玻化微珠真空绝热芯材复合无机板vacuum adiabatic core material composite inorganic plate):以玻化微珠保温材料和真空绝热芯材为主体材料,与胶凝材料、防水剂等通过模压成型制成的保温板。2.STT?复合无机防火保温板外墙外保温系统(又名: 改性玻化微珠真空绝热芯材复合无机板外墙外保温系统Vacuum insulation composite sandwich panels EIFS ):由玻化微珠真空绝热芯材复合无机板、胶粘剂、抹面层和饰面层等构成,固定在外墙外表面的非承重保温构造。3.STT?复合无机防火保温板薄抹灰外墙外保温系统基本构造如下图所示:基层①找平层②粘结层③保温层④抹面层⑤饰面层⑥混凝土墙、砌体墙水泥抹灰砂浆专用胶粘剂( RNZ502)STT?复合无机防火保温板(锚栓置于板缝间)专用抹面胶浆(RKL 503)复合单(双层)耐碱玻纤网格布涂料(饰面砂浆、柔性饰面块材)4.STT?复合无机防火保温板薄抹灰外墙外保温系统面砖饰面 基本构造如下图所示:5.非透明幕墙STT?复合无机防火保温板薄抹灰外墙外保温系统基本构造如下图所示。二、 STT?复合无机防火保温板外墙保温系统特点1.导热系数仅为0.014 W/(m· K) ,南方地区使用3 公分的厚度,即可轻松达到65%或更高的节能指标,在北方严寒、寒冷地区也可轻松达到65%-75%节能指标的要求;2.纯无机材料,绿色环保,防火A 级,无火灾隐患;3.材料收缩小于0.3%,无开裂、空鼓、脱落隐患;4.安全性好,易施工。满粘法粘贴,粘接牢固,锚固点少,抗负风压,施工简单,传统薄抹灰系统施工人员均可熟练操作;5.由于产品的呼吸性好、保温、隔热、隔音, 故采用龙者复合无机保温板外保温系统的建筑,室内透气性好,室外防潮性能好,居住舒适度高于其他保温系统。基层①找平层②粘结层③保温层④抹面层⑤饰面层⑥混凝土墙、砌体墙水泥抹灰砂浆专用胶粘剂( RNZ502)STT?无机防火保温板专用抹面胶浆(RKL 503)复合单层热镀锌电焊网新型面砖饰面体系基层①找平层②粘结层③保温层④抹面层⑤承力结构饰 面层⑧⑥⑦混凝土墙、砌体墙水泥抹灰砂浆专 用胶 粘剂( RNZ502)STT ?复 合无 机防 火保 温板( 锚栓 置于 板缝间)专用抹面胶浆(RKL 503 )复合耐碱玻纤网格布立柱横梁非 透明 幕墙 饰面板三、系统材料技术参数1、 单组份无机粘结胶(RNJ502)1)定义...

1、当您付费下载文档后,您只拥有了使用权限,并不意味着购买了版权,文档只能用于自身使用,不得用于其他商业用途(如 [转卖]进行直接盈利或[编辑后售卖]进行间接盈利)。
2、本站所有内容均由合作方或网友上传,本站不对文档的完整性、权威性及其观点立场正确性做任何保证或承诺!文档内容仅供研究参考,付费前请自行鉴别。
3、如文档内容存在违规,或者侵犯商业秘密、侵犯著作权等,请点击“违规举报”。

碎片内容

外墙保温_改性玻化微珠复合无机板资料

确认删除?
VIP
微信客服
  • 扫码咨询
会员Q群
  • 会员专属群点击这里加入QQ群
客服邮箱
回到顶部