电脑桌面
添加小米粒文库到电脑桌面
安装后可以在桌面快捷访问

第十二章主要施工机械设备、试验、VIP免费

第十二章主要施工机械设备、试验、_第1页
1/18
第十二章主要施工机械设备、试验、_第2页
2/18
第十二章主要施工机械设备、试验、_第3页
3/18
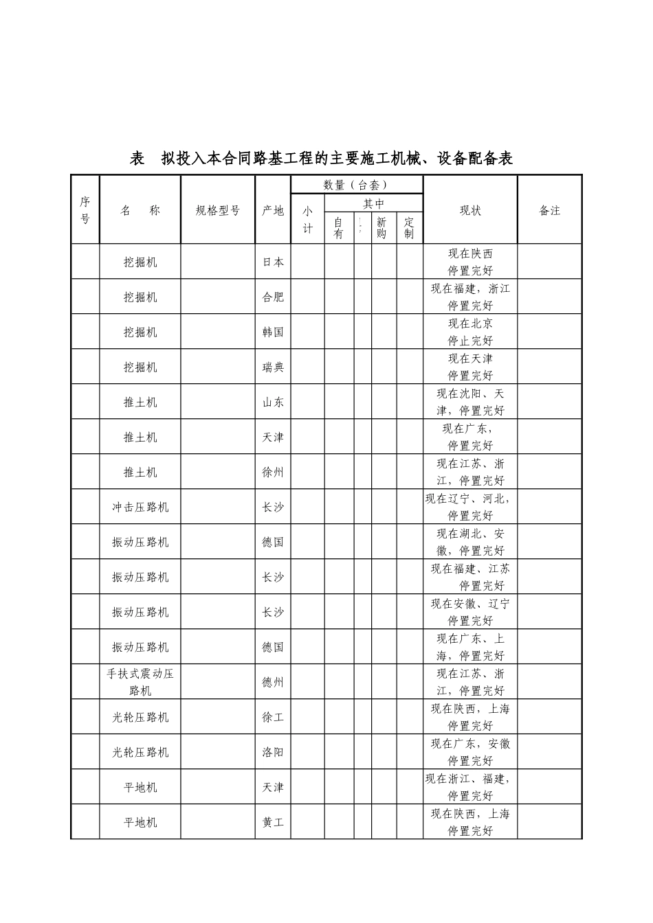
第十二章 主要施工机械设备、试验、 质量检测设备配备配备原则本设备配备根据本合同工程施工组织设计的工程进度安排按照经济适用、合理配置的原则所配备设备达到技术先进、性能可靠的要求,以满足施工的需要。各专业施工机械配置说明()因路基工程长度较短,其部分主要施工设备(砼搅拌站、砼输送车、砼输送泵、砼泵车)考虑与桥梁工程共用,混凝土搅拌站均采用自动计量装置,见“表拟投入本合同路基工程的主要施工机械、设备配备表”。()桥梁工程部分主要施工设备(砼搅拌站、砼输送车、砼输送泵、砼泵车)考虑与路基工程共用。混凝土搅拌站采用自动计量设备,见“表拟投入本合同桥梁工程的主要施工机械、设备配备表”、“表 拟投入本合同制梁工程的主要施工机械、设备配备表”。()无碴轨道类施工设备是以国产设备为主,进口几台关键设备。此表中所列此类设备为一个板厂及一个铺轨基地的设备配置,见“表 拟投入本合同无碴轨道工程的主要施工机械、设备配备表”。()无缝线路与长钢轨焊接铺设施工设备是以国产设备为主,进口几台关键设备。此表中所列此类设备为一个板厂及一个铺轨基地的设备配置,见“表拟投入本合同无缝线路与长钢轨焊接铺设工程的主要施工机械、设备配备表”。()测量试验设备见“表拟投入本合同测量试验的主要设备配备表”。表 拟投入本合同路基工程的主要施工机械、设备配备表序号名 称规格型号产地数量(台套)现状备注小计其中自有租赁新购定制挖掘机日本现在陕西停置完好挖掘机合肥现在福建,浙江停置完好挖掘机韩国现在北京停止完好挖掘机瑞典现在天津停置完好推土机山东现在沈阳、天津,停置完好推土机天津现在广东,停置完好推土机徐州现在江苏、浙江,停置完好冲击压路机长沙现在辽宁、河北,停置完好振动压路机德国现在湖北、安徽,停置完好振动压路机长沙现在福建、江苏 停置完好振动压路机长沙现在安徽、辽宁停置完好振动压路机德国现在广东、上海,停置完好手扶式震动压路机德州现在江苏、浙江,停置完好光轮压路机徐工现在陕西,上海停置完好光轮压路机洛阳现在广东,安徽停置完好平地机天津现在浙江、福建,停置完好平地机黄工现在陕西,上海停置完好序号名 称规格型号产地数量(台套)现状备注小计其中自有租赁新购定制平地机长沙现在广东,安徽停置完好自卸汽车邢台等现在辽宁、北京、上海、安徽,停置完好自卸汽车 重庆等现在浙江、湖北、江苏,停置完好稳定土拌合站福建现在陕西、福建,停置完好稳定土摊...

1、当您付费下载文档后,您只拥有了使用权限,并不意味着购买了版权,文档只能用于自身使用,不得用于其他商业用途(如 [转卖]进行直接盈利或[编辑后售卖]进行间接盈利)。
2、本站所有内容均由合作方或网友上传,本站不对文档的完整性、权威性及其观点立场正确性做任何保证或承诺!文档内容仅供研究参考,付费前请自行鉴别。
3、如文档内容存在违规,或者侵犯商业秘密、侵犯著作权等,请点击“违规举报”。

碎片内容

第十二章主要施工机械设备、试验、

您可能关注的文档

海纳百川+ 关注
实名认证
内容提供者

热爱教学事业,对互联网知识分享很感兴趣

确认删除?
VIP
微信客服
  • 扫码咨询
会员Q群
  • 会员专属群点击这里加入QQ群
客服邮箱
回到顶部