电脑桌面
添加小米粒文库到电脑桌面
安装后可以在桌面快捷访问

上海输配电气VIP免费

上海输配电气_第1页
1/20
上海输配电气_第2页
2/20
上海输配电气_第3页
3/20
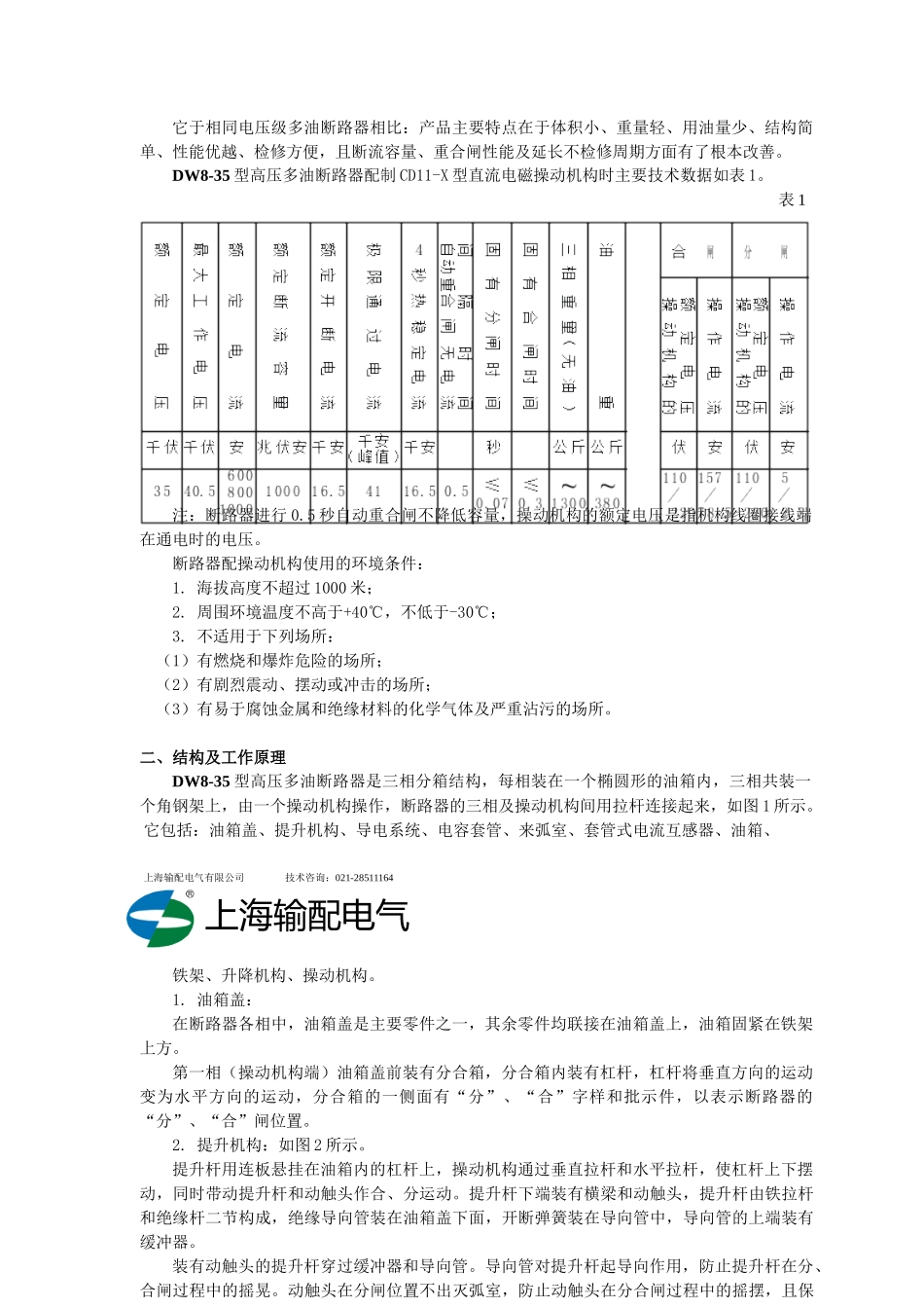
上海输配电气DW8-35 型高压多油断路器安装使用说明书上海输配电气有限公司上海输配电气DW8-35 型高压多油断路器一、概 述DW8-35 型高压多油断路器系三相交流 50 赫芝,快速动作的户外高压电器设备,适用于 35千伏输配电系统的控制和保护。它于相同电压级多油断路器相比:产品主要特点在于体积小、重量轻、用油量少、结构简单、性能优越、检修方便,且断流容量、重合闸性能及延长不检修周期方面有了根本改善。DW8-35 型高压多油断路器配制 CD11-X 型直流电磁操动机构时主要技术数据如表 1。表 1注:断路器进行 0.5 秒自动重合闸不降低容量,操动机构的额定电压是指机构线圈接线端在通电时的电压。断路器配操动机构使用的环境条件:1. 海拔高度不超过 1000 米;2. 周围环境温度不高于+40℃,不低于-30℃;3. 不适用于下列场所:(1)有燃烧和爆炸危险的场所;(2)有剧烈震动、摆动或冲击的场所;(3)有易于腐蚀金属和绝缘材料的化学气体及严重沾污的场所。二、结构及工作原理DW8-35 型高压多油断路器是三相分箱结构,每相装在一个椭圆形的油箱内,三相共装一个角钢架上,由一个操动机构操作,断路器的三相及操动机构间用拉杆连接起来,如图 1 所示。它包括:油箱盖、提升机构、导电系统、电容套管、来弧室、套管式电流互感器、油箱、上海输配电气有限公司 技术咨询:021-28511164上海输配电气铁架、升降机构、操动机构。1. 油箱盖:在断路器各相中,油箱盖是主要零件之一,其余零件均联接在油箱盖上,油箱固紧在铁架上方。第一相(操动机构端)油箱盖前装有分合箱,分合箱内装有杠杆,杠杆将垂直方向的运动变为水平方向的运动,分合箱的一侧面有“分”、“合”字样和批示件,以表示断路器的“分”、“合”闸位置。2. 提升机构:如图 2 所示。提升杆用连板悬挂在油箱内的杠杆上,操动机构通过垂直拉杆和水平拉杆,使杠杆上下摆动,同时带动提升杆和动触头作合、分运动。提升杆下端装有横梁和动触头,提升杆由铁拉杆和绝缘杆二节构成,绝缘导向管装在油箱盖下面,开断弹簧装在导向管中,导向管的上端装有缓冲器。装有动触头的提升杆穿过缓冲器和导向管。导向管对提升杆起导向作用,防止提升杆在分、合闸过程中的摇晃。动触头在分闸位置不出灭弧室,防止动触头在分合闸过程中的摇摆,且保证在合闸时动触头能准确的插入静触头中。缓冲器的作用是吸收在分闸过程处于最后阶段时运动部分的剩余动能。3. 电容套管:电容套管从...

1、当您付费下载文档后,您只拥有了使用权限,并不意味着购买了版权,文档只能用于自身使用,不得用于其他商业用途(如 [转卖]进行直接盈利或[编辑后售卖]进行间接盈利)。
2、本站所有内容均由合作方或网友上传,本站不对文档的完整性、权威性及其观点立场正确性做任何保证或承诺!文档内容仅供研究参考,付费前请自行鉴别。
3、如文档内容存在违规,或者侵犯商业秘密、侵犯著作权等,请点击“违规举报”。

碎片内容

上海输配电气

您可能关注的文档

海纳百川+ 关注
实名认证
内容提供者

热爱教学事业,对互联网知识分享很感兴趣

确认删除?
VIP
微信客服
  • 扫码咨询
会员Q群
  • 会员专属群点击这里加入QQ群
客服邮箱
回到顶部