电脑桌面
添加小米粒文库到电脑桌面
安装后可以在桌面快捷访问

现代电力系统中有大量的非线性特性的用电设备VIP免费

现代电力系统中有大量的非线性特性的用电设备_第1页
1/10
现代电力系统中有大量的非线性特性的用电设备_第2页
2/10
现代电力系统中有大量的非线性特性的用电设备_第3页
3/10
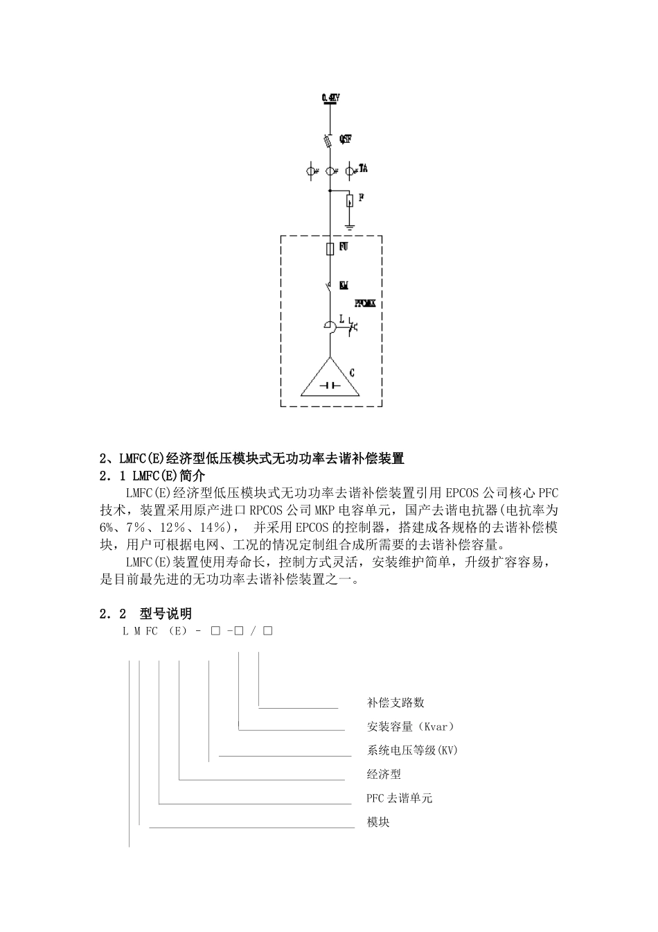
LM 系列低压模块式无功功率去谐补偿装置一、概述现代电力系统中有大量的非线性特性的用电设备,如变压器、各种交直流换流装置、电弧炉、电焊机等,这些谐波源造成电流畸变。在没有配置电抗器的电容补偿系统中,补偿回路会将系统中所有谐波电流放大,并且放大流入系统的谐波电流。去谐补偿(PFC)的设计思想是在电容补偿单元中配置一定电抗率的电抗器,使得补偿回路调谐频率小于系统中谐波源的最低次数,消除电容回路引起谐波放大和谐振的危险,并且对流入系统的谐波电流进行吸收分流,达到吸收谐波,优化电能质量的目的。LM 系列低压模块式无功功率去谐补偿装置包括:LMFC,LMFC(E),LMTSC系列装置及混合系统。1、主要用途及适用范围 LM 系列低压模块式无功功率去谐补偿装置(以下简称补偿装置)广泛应用于机械制造,冶金、煤矿、化工、轻工、建材、铁道、军工、石油、造船等低压供配电系统中,要求动态无功补偿且同时需要抑制谐波的场合;尤其适用于有谐波、负荷较大且变化的工况。2、执行标准GB7251.1-2005 《低压成套开关设备》JB/T 9663-1999 《低压无功功率自动补偿控制器》GB/T 15576-2008 《低压成套无功功率补偿装置》JBT10695-2007 《低压无功功率动态补偿装置》GB3983.1-1989 《低压并联电容器》GB 12747.1-2004 《自愈式低电压并联电容器》JB5346-1998 《串联电抗器》3、使用条件◇ 装置为户内安装。◇ 安装运行地区的海拔高度应不超过 1000m。◇ 使用环境温度为-5℃-+40℃,相对湿度为 85%(在 25℃时)。◇ 安装场所无有害气体或蒸汽,且无导电性尘埃,无易燃易爆危险品。◇ 安装场地无剧烈震动和冲击。◇ 与垂直面的倾斜度不超过 5 度。◇ 装置的适用条件超过上述要求,另行设计。二、LM 系列补偿装置共有的技术特点◇ 可以符合各类低压配电柜尺寸,可与各类型柜并柜安装;◇ 使用功率因数校正(PFC)单元模块化设计,模块接线简单,每个模块自成相对独立的系统。◇ 组合拼装,使用模块如同搭积木,可按照需要组合出各种容量和支路数;最大可由 12 路投切组合,可实现等容、差容和其它不同容量的支路组合,甚至可以对不同容量的支路编辑控制。◇ 结构紧凑,单柜容量较传统的固定式安装增加近一倍;◇ 扩展自如,随用户配电的增容,无功补偿容量不足时可以随时增加模块进行扩容。◇ 系统可实现手动/自动控制。自动控制系统采用西门子、ABB、施耐德等品牌控制器,支路容量可编辑控制,控制方式...

1、当您付费下载文档后,您只拥有了使用权限,并不意味着购买了版权,文档只能用于自身使用,不得用于其他商业用途(如 [转卖]进行直接盈利或[编辑后售卖]进行间接盈利)。
2、本站所有内容均由合作方或网友上传,本站不对文档的完整性、权威性及其观点立场正确性做任何保证或承诺!文档内容仅供研究参考,付费前请自行鉴别。
3、如文档内容存在违规,或者侵犯商业秘密、侵犯著作权等,请点击“违规举报”。

碎片内容

现代电力系统中有大量的非线性特性的用电设备

您可能关注的文档

墨香书阁+ 关注
实名认证
内容提供者

热爱教学事业,对互联网知识分享很感兴趣

确认删除?
VIP
微信客服
  • 扫码咨询
会员Q群
  • 会员专属群点击这里加入QQ群
客服邮箱
回到顶部