电脑桌面
添加小米粒文库到电脑桌面
安装后可以在桌面快捷访问

电气工程预算实例:清单与计价样本VIP免费

电气工程预算实例:清单与计价样本_第1页
1/48
电气工程预算实例:清单与计价样本_第2页
2/48
电气工程预算实例:清单与计价样本_第3页
3/48
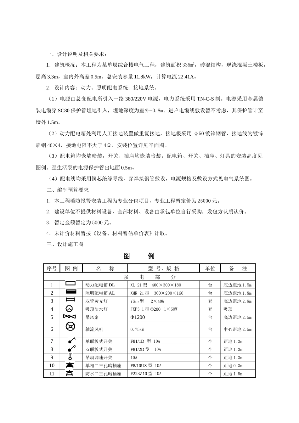
电气安装工程工程量清单计价示例一、设计说明及相关要求:1.建筑概况:本工程为某单层综合楼电气工程,建筑面积 335m2,砖混结构,现浇混凝土楼板,层高 3.3m,室内外高差 0.5m。总安装容量 11.8kW,计算电流 22.41A。2.设计内容:动力、照明配电系统;接地系统。(1)电源由总变配电所引入一路 380/220V 电源,电力系统采用 TN-C-S 制。电源采用金属铠装电缆穿 SC80 保护管埋地引入,埋地深度为室外-0.8m。进户电缆线敷设暂不考虑,其保护管计至墙外 1.5m。(2)动力配电箱处利用人工接地装置做重复接地,接地极采用 φ50 镀锌钢管,接地线为镀锌扁钢 40×4,接地电阻不大于 4Ω,安装位置详见平面图。(3)配电箱均嵌墙暗装,开关、插座均嵌墙暗装。配电箱、开关、插座、灯具的安装高度见图例。至生活泵的电源保护管出地面 0.5m。(4)配电线均采用铜芯绝缘导线,穿焊接钢管敷设,电源规格及敷设方式见电气系统图。二、编制预算要求1.本工程消防报警安装工程为专业分包项目,专业工程暂定价为 25000 元。2.建设单位不提供材料设备,全部材料、设备由承包单位自行采购,发包方认质认价。3.暂定金额暂定为 5000 元。4.未计价材料暂按《设备、材料暂估单价表》计取。三、设计施工图 图 例序号图 例名 称型 号、规 格单位备 注强 电 部 分1动力配电箱 DLXL-21 型 400×300×180台底边距地 1.5m2照明配电箱 ALXMR-21 型 300×200×160台底边距地 1.8m3双管荧光灯YG2-2型 2×40W套底边距地 2.8m4吸顶防水灯JXP3-1 型 Φ200 1×60W套吸顶5吊风扇Φ1200台底边距地 2.5m6轴流风机0.75kW台中心距地 2.5m7单联板式开关F81/1D 型 10A个距地 1.3m8双联板式开关F81/2D 型 10A个距地 1.3m9吊扇调速开关10A个距地 1.3m10单相二三孔暗插座F8/10US 型 10A个距地 0.3m11防水二三孔暗插座F223Z10 型 10A个距地 1.5m四、工程量统计1.了解施工设计说明通过仔细阅读设计说明,了解工程概况及设计内容和要求。(1)本工程为单层砖混建筑,层高 3.3m,室内外高差 0.5m。(2)进户电源采用电缆穿钢管(SC80)埋地引入,埋深室外-0.8m。(3)动力配电箱处设计有人工重复接地装置。(4)动力配电箱底边距地 1.5m,照明配电箱底边距地 1.8m,开关距地 1.3m,普通插座距地0.3m,防水插座距地 1.5m。2.识读系统图通过阅读系统图,主要了解配电系统的主要内容和回路分配情况,以及各回路导线的型号、规...

1、当您付费下载文档后,您只拥有了使用权限,并不意味着购买了版权,文档只能用于自身使用,不得用于其他商业用途(如 [转卖]进行直接盈利或[编辑后售卖]进行间接盈利)。
2、本站所有内容均由合作方或网友上传,本站不对文档的完整性、权威性及其观点立场正确性做任何保证或承诺!文档内容仅供研究参考,付费前请自行鉴别。
3、如文档内容存在违规,或者侵犯商业秘密、侵犯著作权等,请点击“违规举报”。

碎片内容

电气工程预算实例:清单与计价样本

墨香书阁+ 关注
实名认证
内容提供者

热爱教学事业,对互联网知识分享很感兴趣

确认删除?
VIP
微信客服
  • 扫码咨询
会员Q群
  • 会员专属群点击这里加入QQ群
客服邮箱
回到顶部