电脑桌面
添加小米粒文库到电脑桌面
安装后可以在桌面快捷访问

综采电缆的修复VIP免费

综采电缆的修复_第1页
1/21
综采电缆的修复_第2页
2/21
综采电缆的修复_第3页
3/21
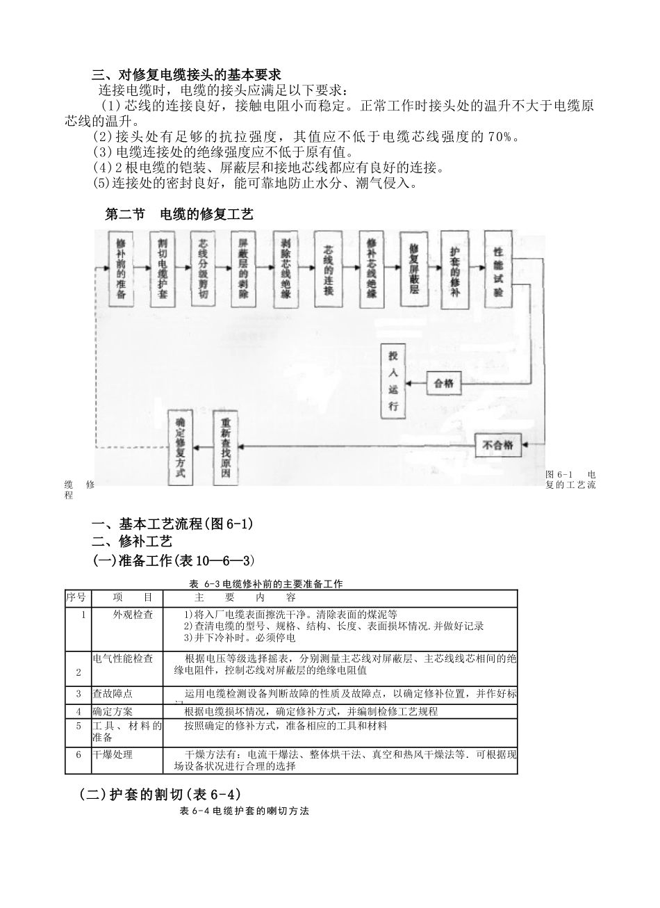
综采电缆修复工艺 第 一 节 电 缆 的 修 复 方 法 及 要 求 一、电缆的修复方法及适应范围(表 6-1) 表 6-1 电缆的修复方法及适应范圈 修复方法 适 应 范 围 硫化热补1.适用 1140V 及以下橡套电缆、半导电屏蔽橡套电缆和金属屏蔽橡套电缆的修补 2.在地面修理车间进行 冷补法 聚氨脂 胶浇铸 1.修补 1140V 及以下的各类橡套电缆 2.在井下现场进行,不受电缆损坏的长度和外径限制,修补后 3h 可脱模,脱模后即可送电氯丁胶浆模压法 1.修补 660V 及以下的 UZ、U、UP、UC、UCP、UPQ 型矿用橡套电缆 2.在井下现场进行,但修补段的长度和外径受模具的限制。修补后 3 天可脱模,且修补后即可送电二、电缆的修补要求(表 6-2) 表 6-2 橡套电缆的修补要求 修补方式 基 本 要 求 井下冷补 1.井下运行中的橡套电缆,当芯线绝缘和护套局部损坏,而其它部位的绝缘性能合格时,可对其损坏部位进行冷补或应急冷包.但修补后必须使用摇表测量其绝缘电阻,合格后方可投人运行 2.芯发绝缘损坏但芯线未断的电绞,采用冷补时.允许该电缆一直使用到工作面采完为止。如果采用应急冷包,该电缆必须在 7 天内更换上井,并在修补处设有明显标记,电缆管理部门应作好备案 3.冷补或应急冷包的电缆接头,每班必须有专人检查其接头温升情况。发现接头过热时.应立即处理.对应急冷包头必须在限定时间内更换上井,严禁将该接头截掉后重做应急冷包接头.但冷补接头允许重做. 4.井下冷补电缆接头,回收上井后,必须补做浸水耐压试验,不合格时必须重新修补 硫化热补1.矿用橡套软电缆或矿用屏蔽橡套软电缆进行硫化热补时,必须按照原电缆的结构要求进行修复.护套修补,必须采用不延燃橡胶带(含氯丁胶),芯线绝缘采用芯线绝缘带。屏蔽电缆的屏蔽层,按屏蔽材料要求分别用半导电橡胶带、金属编织带或采用多股金丝绕包,其过渡电阻值应与原屏蔽层的过渡电阻值相同。硫化热补时.主芯线绝缘和外护套必须分层硫化2.绝缘不合格者,电缓修补前必须进行干爆处理和排除故障.修补后必须进行绝缘电阻测定和浸水耐压试验.芯线连接处要测量接头电阻或进行过流试验3.主芯线的半导电胶带分相屏蔽层损坏时,其修补方法与绝缘皮修补相同4.屏蔽电缆接地芯线的半导电橡皮破损时,可直接采用半导电橡皮修补,其方法与主芯线绝缘橡皮修补相同,橡皮外面允许再重叠绕包一层半导电胶带。修补后的外径要与原地线外径相近5.控制芯线绞合后可重叠绕包半...

1、当您付费下载文档后,您只拥有了使用权限,并不意味着购买了版权,文档只能用于自身使用,不得用于其他商业用途(如 [转卖]进行直接盈利或[编辑后售卖]进行间接盈利)。
2、本站所有内容均由合作方或网友上传,本站不对文档的完整性、权威性及其观点立场正确性做任何保证或承诺!文档内容仅供研究参考,付费前请自行鉴别。
3、如文档内容存在违规,或者侵犯商业秘密、侵犯著作权等,请点击“违规举报”。

碎片内容

综采电缆的修复

您可能关注的文档

确认删除?
VIP
微信客服
  • 扫码咨询
会员Q群
  • 会员专属群点击这里加入QQ群
客服邮箱
回到顶部