电脑桌面
添加小米粒文库到电脑桌面
安装后可以在桌面快捷访问

某再生造纸废水处理毕业设计计算书VIP免费

某再生造纸废水处理毕业设计计算书_第1页
1/37
某再生造纸废水处理毕业设计计算书_第2页
2/37
某再生造纸废水处理毕业设计计算书_第3页
3/37
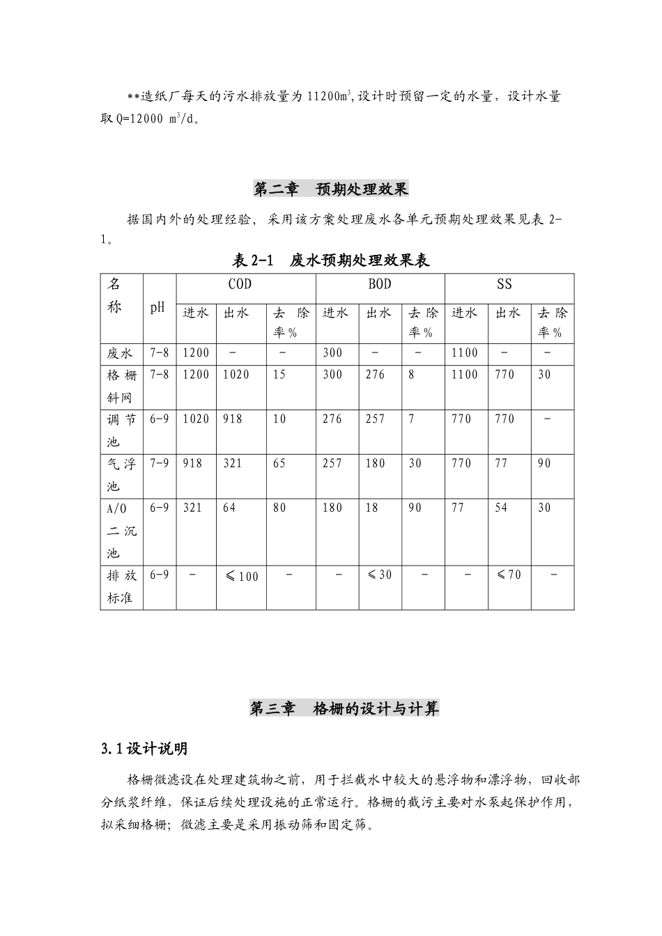
**市**造纸厂废水处理工程设计计算书第一章 废水设计流量的确定**造纸厂每天的污水排放量为 11200m3,设计时预留一定的水量,设计水量取 Q=12000 m3/d。第二章 预期处理效果据国内外的处理经验, 采用该方案处理废水各单元预期处理效果见表 2-1。表 2-1 废水预期处理效果表名称pHCODBODSS进水出水去除率%进水出水去 除率%进水出水去 除率%废水7-81200 - -300 - -1100 - -格 栅斜网7-812001020153002768110077030调 节池6-91020918102762577770770 -气 浮池7-991832165257180307707790A/O二 沉池6-932164801801890775430排 放标准6-9 -≤100 - -≤30 - -≤70 -第三章 格栅的设计与计算3.1 设计说明 格栅微滤设在处理建筑物之前,用于拦截水中较大的悬浮物和漂浮物,回收部分纸浆纤维,保证后续处理设施的正常运行。格栅的截污主要对水泵起保护作用,拟采细格栅;微滤主要是采用振动筛和固定筛。3.2 设计计算为了提高拦截悬浮物和漂浮物的效率,设有格栅、倾斜筛网,各一个,细格栅在前,倾斜筛网在后。3.2.1 细格栅的计算(1)栅条间隙数 n设计参数:设计流量 Q=12000 m3/d=500 m3/h,栅条间隙 d=10mm,过栅流速v=0.9 m/s,安装倾角α=60∘,栅前水深 h=0.4m。则栅条的间隙数 n=Q√sinαdhv=0.14×√sin600.01×0.4×0.9 =36栅条数 m=n-1=36-1=35 条。(2)栅槽宽度 B设计采用 Φ10 圆钢为栅条,即S=0.01m B=S( n−1)+en=0.01×(36−1)+0.01×36=0.72m(3)进水渠道渐宽部分的长度l1设进水渠宽B1=0.40m,其渐宽部分展开角度α 1=20∘ l1=B−B12tg α1=0.72−0.402×tg 20∘ =0.44 m(4)栅槽与出水渠道连接处的渐窄部分长度l2: l2=l12 =0.442=0.22m(5)通过格栅的水头损失 h1:设栅条为圆形断面,则 β=1.79,阻力增大系数 K 取 3,则 h1=βk( sd )43 ν22g sinα=3×1.79×( 0.010.01 )430.922×9.81 sin60=0.19m(6)栅槽后总高度为: 取栅前渠道超高 h2=0.3m,栅前槽高 H1=h1+h2=0.4+0.3=0.7m 则栅前后总高度H=h+h1+h2=0.4+0.19+0.3=0.89m, (7)栅槽总长度 L 为: L=l1+l2+1.0+0.5+H1tgα =0.44+0.22+1.0+0.5+ 0.7tg 60∘=2.56m图 3-1 格栅示意图(8)每日栅渣量 W取 W1=0.1m3/103m3,则 W=QW 1×864001000=12000×0.11000=1.2m3/d>0.2 m3/d适宜采用机械清渣方式。3.2.2 筛网根据生产条件及产品的规格性能,采用倾斜式筛网回收废水中的纸浆纤维。筛网材...

1、当您付费下载文档后,您只拥有了使用权限,并不意味着购买了版权,文档只能用于自身使用,不得用于其他商业用途(如 [转卖]进行直接盈利或[编辑后售卖]进行间接盈利)。
2、本站所有内容均由合作方或网友上传,本站不对文档的完整性、权威性及其观点立场正确性做任何保证或承诺!文档内容仅供研究参考,付费前请自行鉴别。
3、如文档内容存在违规,或者侵犯商业秘密、侵犯著作权等,请点击“违规举报”。

碎片内容

某再生造纸废水处理毕业设计计算书

书海行舟+ 关注
实名认证
内容提供者

热爱教学事业,对互联网知识分享很感兴趣

确认删除?
VIP
微信客服
  • 扫码咨询
会员Q群
  • 会员专属群点击这里加入QQ群
客服邮箱
回到顶部