电脑桌面
添加小米粒文库到电脑桌面
安装后可以在桌面快捷访问

电气设备选择书VIP免费

电气设备选择书_第1页
1/11
电气设备选择书_第2页
2/11
电气设备选择书_第3页
3/11
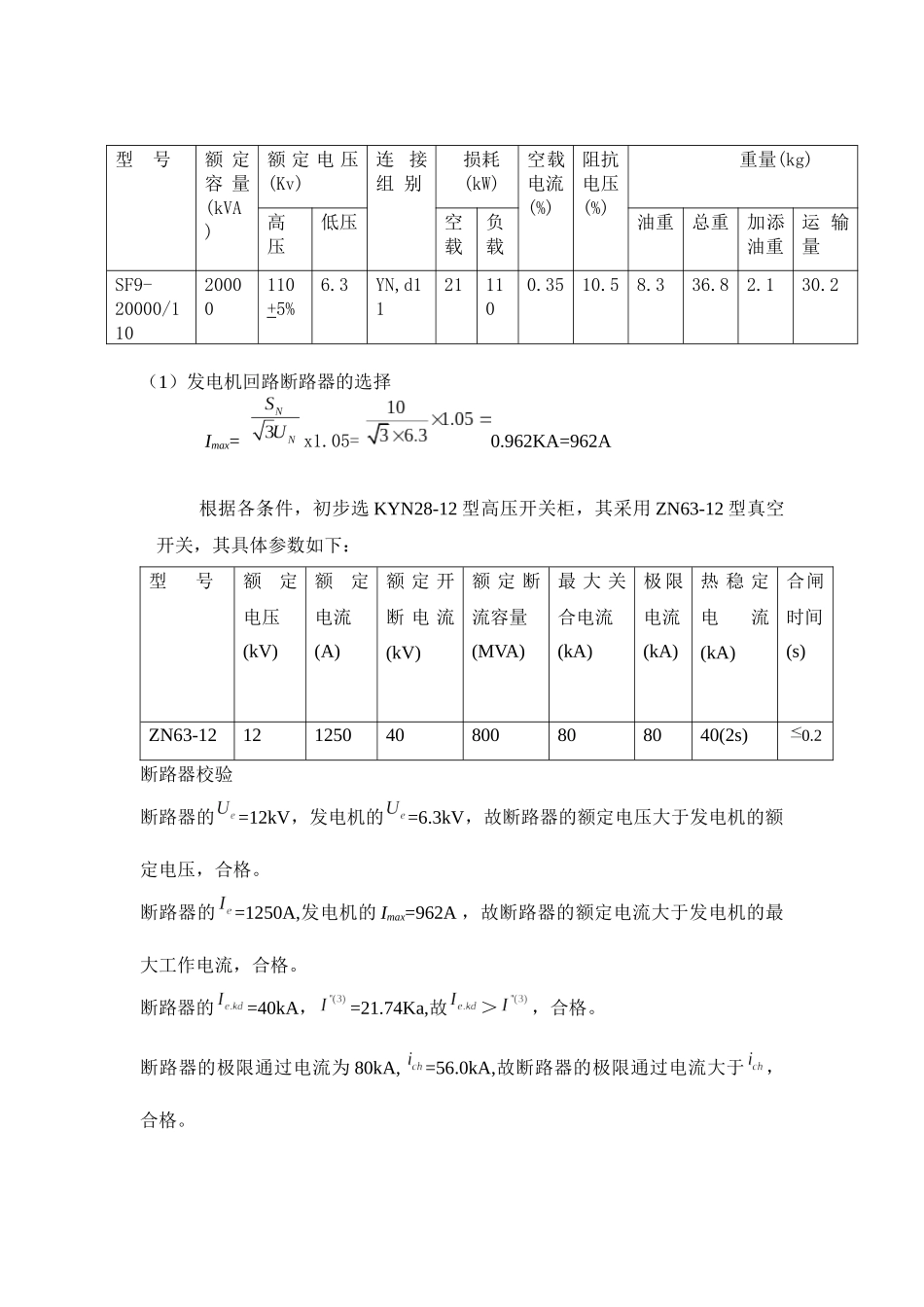
毕业设计电气设备选择书 (水电站电气设计)设计人姓名: 班级: 电力 07-3 班 学号: 200706119 _指导教师:_浙江水利水电专科学校 电力教研室2010/6/1一、电气设备的选择1、主变压器的选择就小型水电站来说,主变压器的容量可按照所连接的水轮发电机的容量来选择。由题可知水轮发电机的总容量为 20MVA,则按我国现行的变压器标准容量系列选择如下:型 号额 定容 量(kVA)额 定 电 压(Kv)连 接组 别损耗(kW)空载电流(%)阻抗电压(%)重量(kg)高压低压空载负载油重总重加添油重运 输量SF9-20000/11020000110+5%6.3YN,d11211100.3510.58.336.82.130.2(1)发电机回路断路器的选择Imax= x1.05= 0.962KA=962A 根据各条件,初步选 KYN28-12 型高压开关柜,其采用 ZN63-12 型真空开关,其具体参数如下:型 号额定电压(kV)额定电流(A)额 定 开断 电 流(kV)额 定 断流容量(MVA)最 大 关合电流(kA)极 限电流(kA)热 稳 定电流(kA)合闸时间(s)ZN63-1212125040800808040(2s)0.2断路器校验断路器的=12kV,发电机的=6.3kV,故断路器的额定电压大于发电机的额定电压,合格。断路器的=1250A,发电机的 Imax=962A ,故断路器的额定电流大于发电机的最大工作电流,合格。断路器的=40kA,=21.74Ka,故>,合格。断路器的极限通过电流为 80kA, =56.0kA,故断路器的极限通过电流大于,合格。三相短路电流热效应 =×2=679.4断路器的允许热效应=3200>所以断路器热稳定合格;选 ZN63-12/1250-40 型真空开关,经校验次断路器合格。(2)主变高压侧断路器的选择 Imax= x1.05=0.1054 KA=105.4(A)根据各条件,初步选断路器 LW36-126/3150A-40kA 其基本参数如下:型 号额定电压(kV)额定电流(A)额 定 开断 电 流(kV) 热 稳定电流(kA)(s)动稳定电流(kA)LW36-126/3150A-40kA12631504040(2s)259断路器校验断路器的=126kV,变压器高压侧电压=110kV,故断路器的额定电压大于变压器高压侧的额定电压,合格。断路器的=3150A,变压器高压侧 Imax=105.4(A),故断路器的额定电流大于变压器高压侧的额定电流,合格。断路器的=40kA,=2.3kA,故>,合格。三相短路电流热效应=×2=9.78断路器的允许热效应=3200>所以断路器热稳定合格;断路器的动稳定电流=59kA,, =5.86kA, >,动稳定满足要求;选 LW36-126/3150A-40kA 型断路器,经校验次断路器合格。 (3)主变低压侧断路器的选择Imax= x1.05=1924A根据各条件,初步选断路器断路器...

1、当您付费下载文档后,您只拥有了使用权限,并不意味着购买了版权,文档只能用于自身使用,不得用于其他商业用途(如 [转卖]进行直接盈利或[编辑后售卖]进行间接盈利)。
2、本站所有内容均由合作方或网友上传,本站不对文档的完整性、权威性及其观点立场正确性做任何保证或承诺!文档内容仅供研究参考,付费前请自行鉴别。
3、如文档内容存在违规,或者侵犯商业秘密、侵犯著作权等,请点击“违规举报”。

碎片内容

电气设备选择书

书海行舟+ 关注
实名认证
内容提供者

热爱教学事业,对互联网知识分享很感兴趣

确认删除?
VIP
微信客服
  • 扫码咨询
会员Q群
  • 会员专属群点击这里加入QQ群
客服邮箱
回到顶部