电脑桌面
添加小米粒文库到电脑桌面
安装后可以在桌面快捷访问

汽车某汽车整车电路图VIP免费

汽车某汽车整车电路图_第1页
1/31
汽车某汽车整车电路图_第2页
2/31
汽车某汽车整车电路图_第3页
3/31
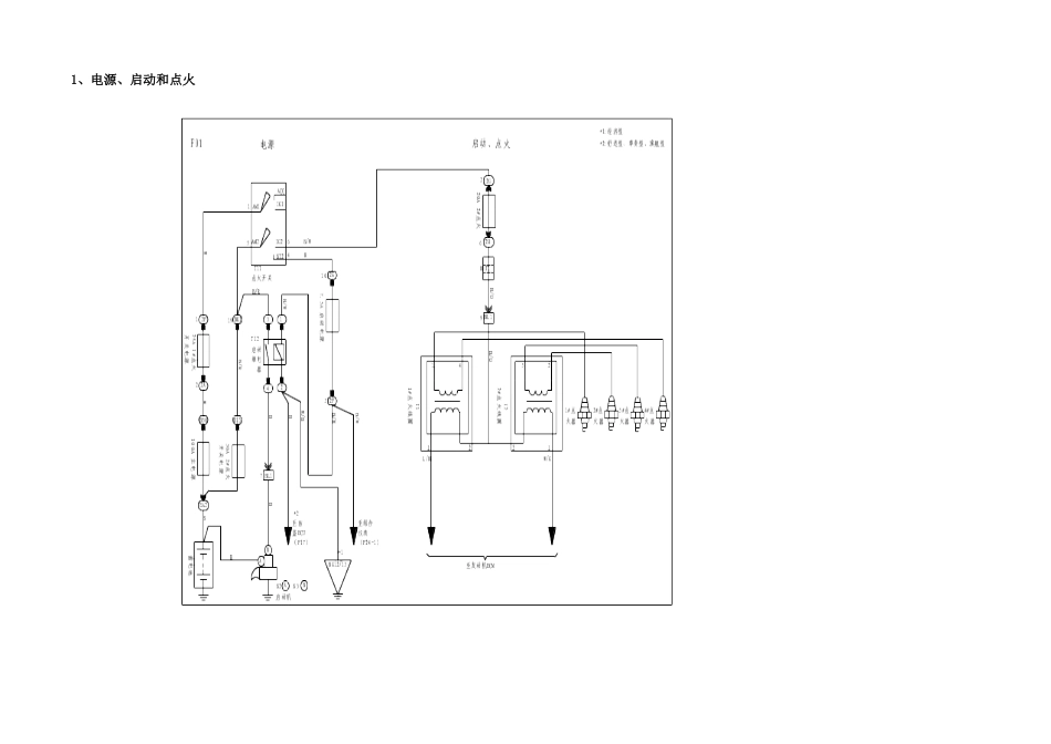
1、电源、启动和点火2、电源、充电、后除霜3.1、电源、发动机控制3.2、电源、发动机控制4、电源、大灯控制(带自动灯光)5、电源、大灯控制(不带自动灯光)、倒车灯6、电源、小灯、后雾灯7、电源、背光照明8、电源、转向信号、紧急灯9、电源、制动灯、喇叭10、电源、内部灯11、电源、前雾灯、灯光告紧、钥匙告紧12、电源、ABS13、电源、SRS15、电源、前雨刮、洗涤16、电源、门锁控制17、电源、防盗系统18、电源、外后视镜19、电源、电动窗20、电源、天窗21、电源、点烟器、车速投影仪、内后视镜方向显示、出租车计价器、电子钟、座椅安全带22、电源、倒车雷达23、电源、音响系统、导航系统24.1、电源、组合仪表24.2、电源、组合仪表25、电源、散热器风扇和冷凝风扇26.1、电源、自动空调26.2、电源、自动空调27、电源、手动空调28、配电盒原理图

1、当您付费下载文档后,您只拥有了使用权限,并不意味着购买了版权,文档只能用于自身使用,不得用于其他商业用途(如 [转卖]进行直接盈利或[编辑后售卖]进行间接盈利)。
2、本站所有内容均由合作方或网友上传,本站不对文档的完整性、权威性及其观点立场正确性做任何保证或承诺!文档内容仅供研究参考,付费前请自行鉴别。
3、如文档内容存在违规,或者侵犯商业秘密、侵犯著作权等,请点击“违规举报”。

碎片内容

汽车某汽车整车电路图

您可能关注的文档

确认删除?
VIP
微信客服
  • 扫码咨询
会员Q群
  • 会员专属群点击这里加入QQ群
客服邮箱
回到顶部