电脑桌面
添加小米粒文库到电脑桌面
安装后可以在桌面快捷访问

某花园住宅工程监理规划(DOC41页)VIP免费

某花园住宅工程监理规划(DOC41页)_第1页
1/35
某花园住宅工程监理规划(DOC41页)_第2页
2/35
某花园住宅工程监理规划(DOC41页)_第3页
3/35
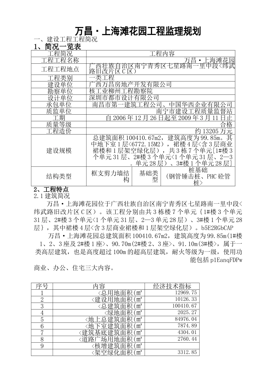
某花园住宅工程监理规划部门: xxx 时间: xxx制作人:xxx整理范文,仅供参考,可下载自行修改工程编号:620万昌·上海滩花园工程监 理 规 划总监:审批:南宁品正建设咨询有限责任公司万昌·上海滩花园工程工程监理处二OO七年一月六日 目 录一、建设工程工程简况 3二、监理工作范围 7三、监理工作内容 7四、监理工作目标 8五、监理工作依据 9六、工程监理机构的组织形式 9七、工程监理机构的人员配备计划 10八、监理处的人员岗位职责 11九、监理工作程序 12十、监理工作方法及措施 21十一、监理工作制度 39十二、监理设施 40十三、本工程所采用的标准、规程 40十四、安全管理补充内容 41万昌·上海滩花园工程监理规划一、建设工程工程简况1、简况一览表工程简况工程内容工程工程名称万昌·上海滩花园工程工程地点广西壮族自治区南宁青秀区七星路南一里中段<纬武路旧改片区 C 区)工程类别一类工程建设单位广西万昌房地产开发有限公司勘察单位核工业柳州工程勘察院设计单位深圳市都市设计有限公司承包单位南昌市第一建筑工程公司、中国华西企业有限公司质监单位南宁市建设工程质量监督站工期自 2006 年 12 月 26 日起至 2009 年 3 月 11 日止质量等级合格工程造价约 13205 万元建设规模总建筑面积 100410.67m2,建筑高度为 99.85m。其中地下室 1 层<6772.15M2),裙楼 4 层<含 3 层商业裙楼和 1 层架空绿化层),共 3 栋 7 个单元[1#楼 3个单元 31 层、2#楼 3 个单元<1 个单元 31 层、2—3单元 28 层)、3#楼 1 个单元 28 层]。结构类型框支剪力墙结构基础类型桩基础(钢管锤击桩、PHC 砼管桩>2、工程特点2.1 建筑简况万昌·上海滩花园位于广西壮族自治区南宁青秀区七星路南一里中段<纬武路旧改片区 C 区)。该工程分别由共 3 栋楼 7 个单元{1#楼 3 个单元31 层、2#楼 3 个单元<1 个单元 31 层、2—3 单元 28 层)、3#楼 1 个单元 28层},其中裙楼 4 层<含 3 层商业裙楼和 1 层架空绿化层)。b5E2RGbCAP万昌·上海滩花园总建筑面积 100410.67m2,建筑高度为 99.85m(1#楼1、2、3 座及 2#楼 1 座>、90.70m(2#楼 2、3 座>、91.10m(3#楼>,属于一类高层建筑,也是高度超过 100m 的超高层建筑,耐火等级为一级,使用功能包括 p1EanqFDPw商业、办公、住宅三大内容。地下室共一层用作地下车库、机电设备用房及平战结合的人防地下室,地下室...

1、当您付费下载文档后,您只拥有了使用权限,并不意味着购买了版权,文档只能用于自身使用,不得用于其他商业用途(如 [转卖]进行直接盈利或[编辑后售卖]进行间接盈利)。
2、本站所有内容均由合作方或网友上传,本站不对文档的完整性、权威性及其观点立场正确性做任何保证或承诺!文档内容仅供研究参考,付费前请自行鉴别。
3、如文档内容存在违规,或者侵犯商业秘密、侵犯著作权等,请点击“违规举报”。

碎片内容

某花园住宅工程监理规划(DOC41页)

您可能关注的文档

黄金阁书苑+ 关注
实名认证
内容提供者

热爱教学事业,对互联网知识分享很感兴趣

确认删除?
VIP
微信客服
  • 扫码咨询
会员Q群
  • 会员专属群点击这里加入QQ群
客服邮箱
回到顶部