电脑桌面
添加小米粒文库到电脑桌面
安装后可以在桌面快捷访问

(纺织行业)纺织行业安全标准化评定标准VIP免费

(纺织行业)纺织行业安全标准化评定标准_第1页
1/56
(纺织行业)纺织行业安全标准化评定标准_第2页
2/56
(纺织行业)纺织行业安全标准化评定标准_第3页
3/56
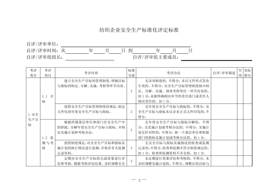
— 1 — 纺织企业安全生产标准化评定标准 考 评 说 明 1.本 评 定 标 准 适 用 于 棉 纺 、织 造 、化 纤 、染 整 、成 衣 等 纺 织 企 业 ,其 他 纺 织 企 业 参 照 执 行 。 2.本 评 定 标 准 共 13 项 考 评 类 目 、47 项 考 评 项 目 和 143 条 考 评 内 容 。 3.在 本 评 定 标 准 的 “自 评 /评 审 描 述 ”列 中 , 企 业 及 评 审 单 位 应 根 据 “考评 内 容 ”和 “考 评 办 法 ”的 有 关 要 求 , 针 对 企 业 实 际 情 况 , 如 实 进 行 扣 分 点说 明 、描 述 , 并 在 《 自 评 扣 分 点 及 原 因 说 明 汇 总 表 》( 见 附 表 ) 中 逐 条 列出 。 4.本 评 定 标 准 中 累 计 扣 分 的 , 直 到 该 考 评 内 容 分 数 扣 完 为 止 , 不 得出 现 负 分 。 有 需 要 追 加 扣 分 的 , 在 该 考 评 类 目 内 进 行 扣 分 , 也 不 得 出 现负 分 。 5.在 6.2 设 备 设 施 运 行 管 理 部 分 中 “专 用 设 备 ( 一 ) 至 ( 五 ) ”分 别 列举 了 棉 纺 、织 造 、化 纤 、染 整 、成 衣 等 五 类 专 用 设 备 , 每 类 专 用 设 备 均为40 分 , 参 评 企 业 根 据 各 自 生 产 性 质 选 择 一 类 进 行 评 定 , 其 他 类 别 不 再评 定 、分 数 不 计 入总 分 。 在 7.1 生 产 现 场管 理 和 生 产 过程控制部 分 中 “生 产 过程控制( 一 ) 至( 五 ) ”分 别 列 举 了 棉 纺 、织 造 、化 纤 、染 整 、成 衣 等 五 类 生 产 过程控制要 求 , 每 类 生 产 过程控制均 为40 分 , 参 评 企 业 根 据 各 自 生 产 性 质 选 择 一类 进 行 评 定 , 其 他 类 别 不 再评 定 、分 数 不 计 入总 分 。 6.本 评 定 标 准 共 计1000 分 。 最终评 审 评 分 换算成 百分 制, 换算公式如 下: — 2 — 最 后 得 分 采 用 四 舍 五 入 , 取 小 数 点 后 一 位 数 。 7.标 准 化 等 级 分 为 一 级 、二 级 和 三 级 , 一 级 为 最 高 ...

1、当您付费下载文档后,您只拥有了使用权限,并不意味着购买了版权,文档只能用于自身使用,不得用于其他商业用途(如 [转卖]进行直接盈利或[编辑后售卖]进行间接盈利)。
2、本站所有内容均由合作方或网友上传,本站不对文档的完整性、权威性及其观点立场正确性做任何保证或承诺!文档内容仅供研究参考,付费前请自行鉴别。
3、如文档内容存在违规,或者侵犯商业秘密、侵犯著作权等,请点击“违规举报”。

碎片内容

(纺织行业)纺织行业安全标准化评定标准

小辰4+ 关注
实名认证
内容提供者

出售各种资料和文档

确认删除?
VIP
微信客服
  • 扫码咨询
会员Q群
  • 会员专属群点击这里加入QQ群
客服邮箱
回到顶部