电脑桌面
添加小米粒文库到电脑桌面
安装后可以在桌面快捷访问

(技术规范标准)预制桩施工技术规范VIP免费

(技术规范标准)预制桩施工技术规范_第1页
1/8
(技术规范标准)预制桩施工技术规范_第2页
2/8
(技术规范标准)预制桩施工技术规范_第3页
3/8
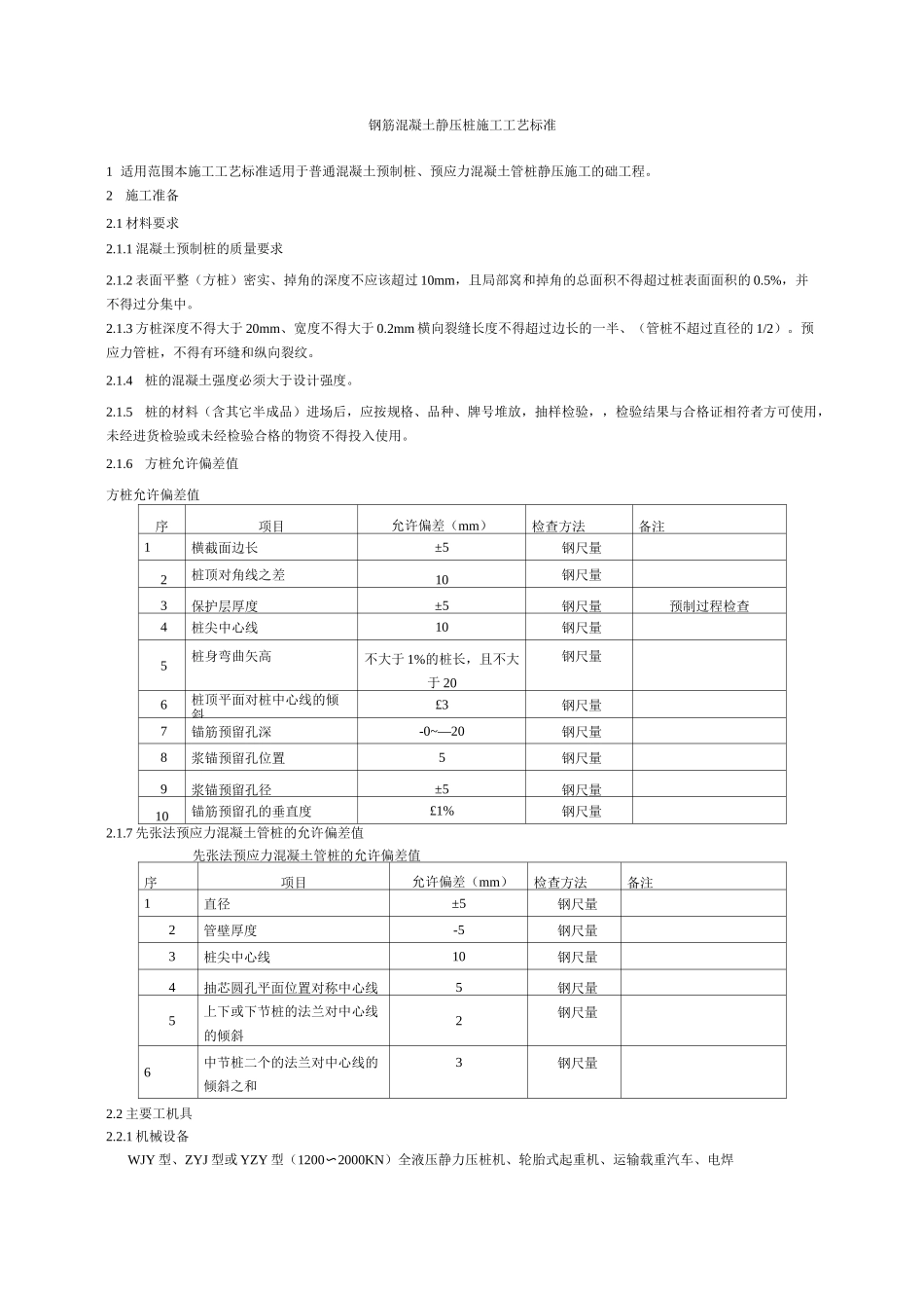
钢筋混凝土静压桩施工工艺标准1 适用范围本施工工艺标准适用于普通混凝土预制桩、预应力混凝土管桩静压施工的础工程。2施工准备2.1 材料要求2.1.1 混凝土预制桩的质量要求2.1.2 表面平整(方桩)密实、掉角的深度不应该超过 10mm,且局部窝和掉角的总面积不得超过桩表面面积的 0.5%,并不得过分集中。2.1.3 方桩深度不得大于 20mm、宽度不得大于 0.2mm 横向裂缝长度不得超过边长的一半、(管桩不超过直径的 1/2)。预应力管桩,不得有环缝和纵向裂纹。2.1.4桩的混凝土强度必须大于设计强度。2.1.5桩的材料(含其它半成品)进场后,应按规格、品种、牌号堆放,抽样检验,,检验结果与合格证相符者方可使用,未经进货检验或未经检验合格的物资不得投入使用。2.1.6方桩允许偏差值方桩允许偏差值序项目允许偏差(mm)检查方法备注1横截面边长±5钢尺量2桩顶对角线之差10钢尺量3保护层厚度±5钢尺量预制过程检查4桩尖中心线10钢尺量5桩身弯曲矢高不大于 1%的桩长,且不大于 20钢尺量6桩顶平面对桩中心线的倾斜£3钢尺量7锚筋预留孔深-0~—20钢尺量8浆锚预留孔位置5钢尺量9浆锚预留孔径±5钢尺量10锚筋预留孔的垂直度£1%钢尺量2.1.7 先张法预应力混凝土管桩的允许偏差值先张法预应力混凝土管桩的允许偏差值序项目允许偏差(mm)检查方法备注1直径±5钢尺量2管壁厚度-5钢尺量3桩尖中心线10钢尺量4抽芯圆孔平面位置对称中心线5钢尺量5上下或下节桩的法兰对中心线的倾斜2钢尺量6中节桩二个的法兰对中心线的倾斜之和3钢尺量2.2 主要工机具2.2.1 机械设备WJY 型、ZYJ 型或 YZY 型(1200〜2000KN)全液压静力压桩机、轮胎式起重机、运输载重汽车、电焊ZYJ 系列液压静力压桩机主要技术参数型号参数ZYJ120ZYJ180ZYJ240ZYJ380ZYJ420ZYJ680额订压桩力(tf)120180240380420600压桩速度(m/min)高速2.22.72.762.32.81.81.21.10.90.80.950.750.6一次压桩行程(m)1.51.52.02.02.02.0压桩能力方桩(MM)300400500500550600圆桩(fmm)300400500500550600起吊重量(t)3.01212121212功率(KV)压桩22374460起重372.2.2 主要工具钢丝绳吊索、卡环、撬杠、砂浴锅、铁盘、长柄勺、浇灌壶、扁铲、台秤、温度计2.3 作业条件2.3.1静压桩施工现场三通一平,处理静压桩地基场地上面障碍物,清理:整平时要有雨水排出沟渠,附近有建筑物的要挖隔震沟,预先充分了解桩场地,清理防碍:桩的高空和地下障碍物。2.3.2 静压桩场地整平用压路机碾压平整,并在...

1、当您付费下载文档后,您只拥有了使用权限,并不意味着购买了版权,文档只能用于自身使用,不得用于其他商业用途(如 [转卖]进行直接盈利或[编辑后售卖]进行间接盈利)。
2、本站所有内容均由合作方或网友上传,本站不对文档的完整性、权威性及其观点立场正确性做任何保证或承诺!文档内容仅供研究参考,付费前请自行鉴别。
3、如文档内容存在违规,或者侵犯商业秘密、侵犯著作权等,请点击“违规举报”。

碎片内容

(技术规范标准)预制桩施工技术规范

确认删除?
VIP
微信客服
  • 扫码咨询
会员Q群
  • 会员专属群点击这里加入QQ群
客服邮箱
回到顶部