电脑桌面
添加小米粒文库到电脑桌面
安装后可以在桌面快捷访问

完整版plc试验报告VIP专享VIP免费

完整版plc试验报告_第1页
1/26
完整版plc试验报告_第2页
2/26
完整版plc试验报告_第3页
3/26
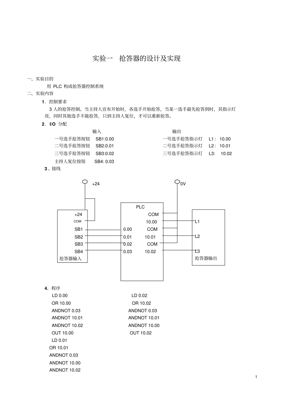
1 实验一抢答器的设计及实现一、实验目的用 PLC 构成抢答器控制系统二、实验内容1.控制要求3 人的抢答控制。当主持人宣布开始时,各选手开始抢答,当某一选手最先抢答到时,其指示灯亮,同时其他选手不能抢答,只到主持人复位,才可以重新抢答。2.I/O 分配输入输出一号选手抢答按钮SB1:0.00 一号选手抢答指示灯L1: 10.00 二号选手抢答按钮SB2:0.01 二号选手抢答指示灯L2: 10.01 三号选手抢答按钮SB3:0.02 三号选手抢答指示灯L3: 10.02 主持人复位按钮SB4: 0.03 3 . 接线+24 0V 4、程序LD 0.00 LD 0.02 OR 10.00 OR 10.02 ANDNOT 0.03 ANDNOT 0.03 ANDNOT 10.01 ANDNOT 10.01 ANDNOT 10.02 ANDNOT 10.00 OUT 10.00 OUT 10.02 LD 0.01 OR 10.01 ANDNOT 0.03 ANDNOT 10.00 ANDNOT 10.02 PLC COM 10.00 0.00 COM 0.01 10.01 0.02 COM 0.03 10.02 +24 COM SB1 SB2 SB3 SB4 抢答器输入L1 L2 L3 抢答器输出2 L1L2L3L4L8L7L12L5L6L11L10L9OUT 10.01 5、梯形图6、调试过程分别按下各选手的抢答按钮,观察是否可屏蔽其他两位选手的抢答要求,按下主持人复位键,互锁是否消除,是否可重新抢答。三、实验结论以互锁的原理实现各选手抢答的唯一性。并能很好的利用常闭开关的特性实现主持人的复位操作。四、实验心得在实现自身抢答的同时,还要屏蔽其他选手的抢答,所以必须应用到互锁。同时主持人复位键以常闭开关实现个各选手的复位!实验二喷泉的模拟控制一、实验目的用 PLC 构成喷泉控制系统二、实验内容1.控制要求隔灯闪烁: L1 亮 0.5 秒后灭,接着L2 亮 0.5 秒后灭,接着L3 亮 0.5 秒后灭,接着L4 亮 0.5 秒后灭,接着 L5 、L9 亮 0.5 秒后灭,接着L6、L10 亮 0.5 秒后灭,接着L7、L11 亮 0.5 秒后灭,接着L8、L12 亮 0.5 秒后灭, L1 亮 0.5 秒后灭,如此循环下去。2.I/O 分配输入输出起动按钮 SB1: 0.00 L1:10.00 L5 :10.04 L9: 11.00 停止按钮 SB2: 0.01 L2:10.01 L6 :10.05 L11: 11.01 L3:10.02 L7 :10.06 L12: 11.02 L4:10.03 L8 :10.07 L13: 11.03 图 1 喷泉控制示意图3 3.程序LD 0.00 OR T0007 OR 10.00 ANDNOT 0.01 ANDNOT T0000 OUT 10.00 TIM 0000 #0005 LD T0000 OR 10.01 ANDNOT 0.01 ANDNOT T0001 OUT 10.01 TIM 0001 #0005 LD T0001 OR 10....

1、当您付费下载文档后,您只拥有了使用权限,并不意味着购买了版权,文档只能用于自身使用,不得用于其他商业用途(如 [转卖]进行直接盈利或[编辑后售卖]进行间接盈利)。
2、本站所有内容均由合作方或网友上传,本站不对文档的完整性、权威性及其观点立场正确性做任何保证或承诺!文档内容仅供研究参考,付费前请自行鉴别。
3、如文档内容存在违规,或者侵犯商业秘密、侵犯著作权等,请点击“违规举报”。

碎片内容

完整版plc试验报告

确认删除?
VIP
微信客服
  • 扫码咨询
会员Q群
  • 会员专属群点击这里加入QQ群
客服邮箱
回到顶部