电脑桌面
添加小米粒文库到电脑桌面
安装后可以在桌面快捷访问

机房环境监控系统测试报告(全)VIP免费

机房环境监控系统测试报告(全)_第1页
1/6
机房环境监控系统测试报告(全)_第2页
2/6
机房环境监控系统测试报告(全)_第3页
3/6
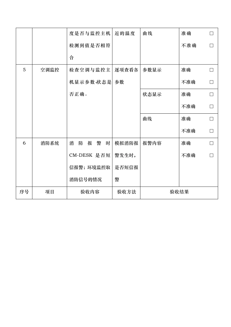
XX 日报社机房环境监控系统测试报告(全) 序号 项目 验收内容 验收方法 验收结果 1 UPS 电源监控 检查 UPS 与监控主机所采集的参数、状态、报警量是否正确 逐项查看各参数 参数显示 准确 □ 不准确 □ 状态显示 准确 □ 不准确 □ 曲线 准确 □ 不准确 □ 2 电量仪监控 检查电量仪与监控主机所采集的参数是否一致 逐项查看各参数 数据显示 准确 □ 不准确 □ 曲线 准确 □ 不准确 □ 序号 项目 验收内容 验收方法 验收结果 3 漏水监控 检查漏水绳的布置 随机抽取位置模拟漏水事件 漏水报警 准确 □ 不准确 □ 4 温湿度监控 检查温湿度所检测的实际温湿度与湿用温度计测量温湿度附数据显示 准确 □ 不准确 □ 度是否与监控主机检测到值是否相符合 近的温度 曲线 准确 □ 不准确 □ 5 空调监控 检查空调与监控主机显示参数、状态是否正确。 逐项查看各参数 参数显示 准确 □ 不准确 □ 状态显示 准确 □ 不准确 □ 曲线 准确 □ 不准确 □ 6 消防系统 消防报警时CM-DESK 是否短信报警;环境监控取消防信号的情况 模拟消防报警发生时,是否短信报警 报警内容 准确 □ 不准确 □ 序号 项目 验收内容 验收方法 验收结果 7 、手机、短信报警 (1)随机抽取级别3 级以上报警,是否拨打指定;(2) 温度高、漏水、断电等情况发生时,需给管理员打 或手机进行报警: 如:当漏水和温度高同时发生时,可以先报警漏水再报警温度高。如:湿度高、电压不稳等情况只需给管理员发条短信或者发 E-MAIL进行提醒。(3)报警等级和顺序可以有管理员自行设定。(4)声光报警器同时可联动 模拟消防报警发生时,是否短信报警 报警内容 准确 □ 不准确 □ 8 监控主机 主机操作系统、硬件的稳定性;监控软件的运行时主机的稳 达到要求 □ 未达到要求 □ 定性;机房电子地图与现场情况一致,可在图上点击摄像图标即显示摄像画面。 9 新风系统 检查新风是否能定时开关;过滤网的检测。声光报警器同时可联动。 现场实际定时操作;过滤网的情况 定时结果;过滤网报警 达到要求 □ 未达到要求 □ 10 客户端在电脑上显示环境监控主页 11 门禁系统 检查门禁系统的性能、功能;检查门禁开关信息的联动显示;检查与消防的联动;集中管理,通过电脑实现查询、出入级限制、设定允许进入时段管理功能;盘录像机,保证 30×24 小时的不...

1、当您付费下载文档后,您只拥有了使用权限,并不意味着购买了版权,文档只能用于自身使用,不得用于其他商业用途(如 [转卖]进行直接盈利或[编辑后售卖]进行间接盈利)。
2、本站所有内容均由合作方或网友上传,本站不对文档的完整性、权威性及其观点立场正确性做任何保证或承诺!文档内容仅供研究参考,付费前请自行鉴别。
3、如文档内容存在违规,或者侵犯商业秘密、侵犯著作权等,请点击“违规举报”。

碎片内容

机房环境监控系统测试报告(全)

您可能关注的文档

确认删除?
VIP
微信客服
  • 扫码咨询
会员Q群
  • 会员专属群点击这里加入QQ群
客服邮箱
回到顶部