电脑桌面
添加小米粒文库到电脑桌面
安装后可以在桌面快捷访问

完整版现浇混凝土单向板肋梁楼盖设计VIP免费

完整版现浇混凝土单向板肋梁楼盖设计_第1页
1/24
完整版现浇混凝土单向板肋梁楼盖设计_第2页
2/24
完整版现浇混凝土单向板肋梁楼盖设计_第3页
3/24
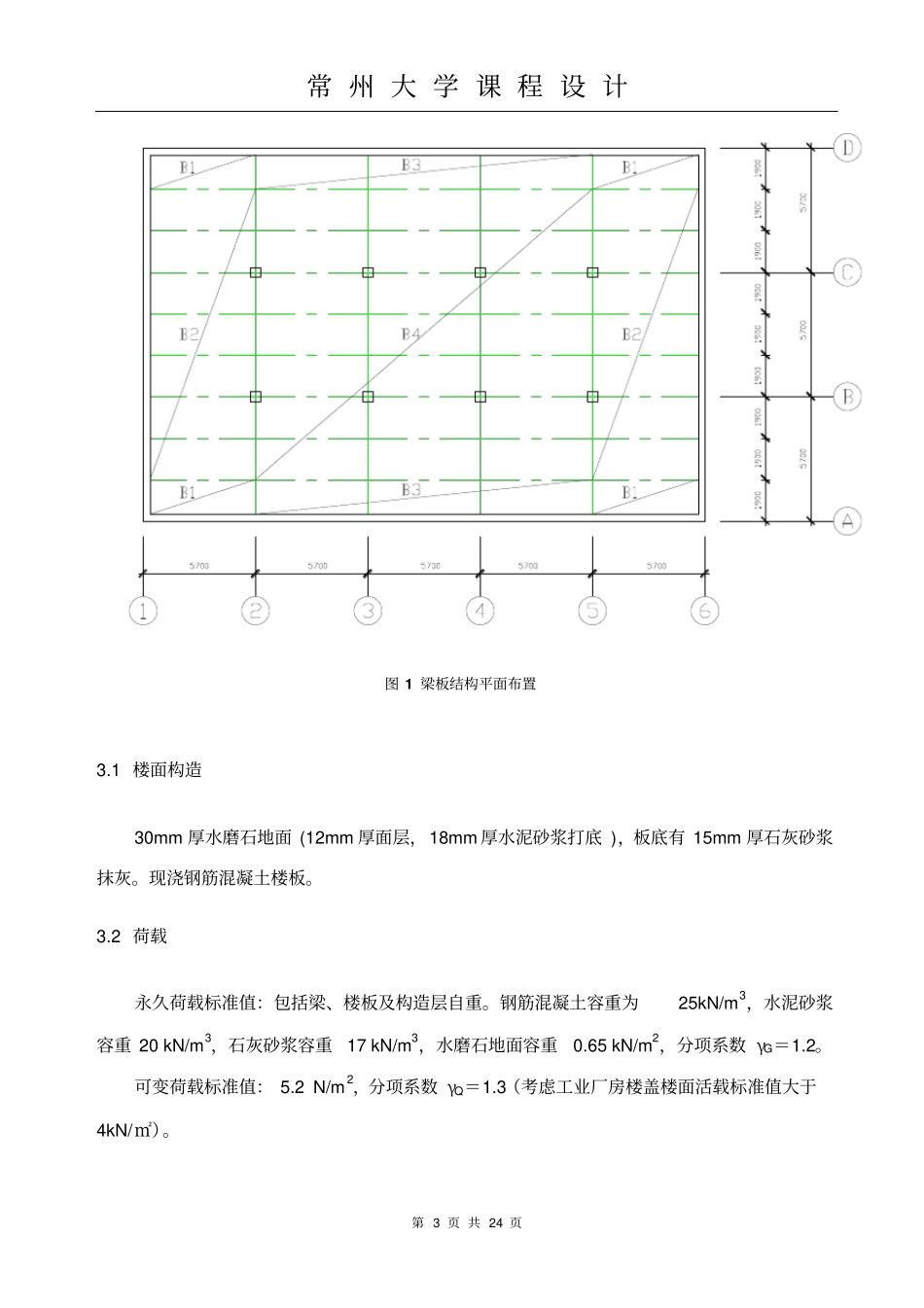
常 州 大 学 课 程 设 计第 1 页 共 24 页目录1. 设计题目 ....................................................................................................................................... 2 2. 设计目的 ....................................................................................................................................... 2 3. 设计资料 ....................................................................................................................................... 2 3.1 楼面构造 ................................................................................................................................. 3 3.2 荷载 ......................................................................................................................................... 3 3.3 材料 ......................................................................................................................................... 4 4. 计算设计 ....................................................................................................................................... 4 4.1 板的计算 ................................................................................................................................. 4 4.1.1 荷载 .................................................................................................................................. 5 4.1.2 内力计算 .......................................................................................................................... 6 4.1.3 截面承载力计算 .............................................................................................................. 6 4.2 次梁计算 ................................................................................................................................11 4.2.1 荷载 .................................................................................................................................11...

1、当您付费下载文档后,您只拥有了使用权限,并不意味着购买了版权,文档只能用于自身使用,不得用于其他商业用途(如 [转卖]进行直接盈利或[编辑后售卖]进行间接盈利)。
2、本站所有内容均由合作方或网友上传,本站不对文档的完整性、权威性及其观点立场正确性做任何保证或承诺!文档内容仅供研究参考,付费前请自行鉴别。
3、如文档内容存在违规,或者侵犯商业秘密、侵犯著作权等,请点击“违规举报”。

碎片内容

完整版现浇混凝土单向板肋梁楼盖设计

您可能关注的文档

确认删除?
VIP
微信客服
  • 扫码咨询
会员Q群
  • 会员专属群点击这里加入QQ群
客服邮箱
回到顶部