电脑桌面
添加小米粒文库到电脑桌面
安装后可以在桌面快捷访问

岩棉板外墙保温专项施工工艺标准VIP免费

岩棉板外墙保温专项施工工艺标准_第1页
1/12
岩棉板外墙保温专项施工工艺标准_第2页
2/12
岩棉板外墙保温专项施工工艺标准_第3页
3/12
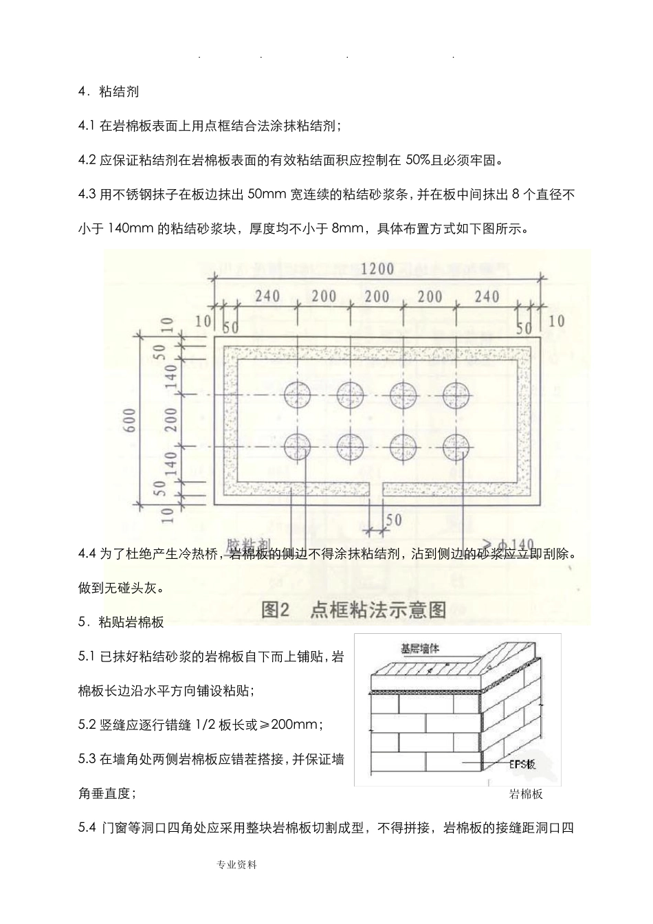
. . . . 专业资料 1. 岩 棉 板 性 能 指 标 . . . . 专业资料 岩 棉 板 施 工 工 艺 基 层 处 理( 防 水 砂 浆 ) → 配 置 胶 粘 剂 → 粘 贴 岩 棉 板 → 安 装 固 定 件 → 底 层 抹 面 砂 浆( 2遍 ) → 耐 碱 网 格 布 ( 2 层 ) → 面 层 抹 面 砂 浆 ( 1 遍 ) → 保 温 系 统 验 收 → 饰 面 层 施 工 1.弹 控 制 线 、 挂 基 准 线 1.1 从 最 高 点 排 通 线 , 每 三 层 做 一 个 节 点 , 做 到 墙 体 垂 直 ; 1.2 根 据 建 筑 立 面 设 计 和 外 墙 外 保 温 技 术 要 求 , 在 墙 面 弹 出 窗 水 平 、 垂 直 控 制 线 等 ; 1.3 在 建 筑 外 墙 大 角 ( 阴 阳 角 ) 及 其 它 必 要 处 挂 垂 直 基 准 线 , 每 个 楼 层 适 当 位 置 挂 水 平线 以 便 控 制 岩 棉 板 的 垂 直 度 和 平 整 度 。 2. 粘 结 砂 浆 2.1 采 用 专 用 砂 浆 搅 拌 机 , 把 胶 粘 剂 和 抹 面 胶 浆 粉 料 按 配 合 比 搅 拌 ; 搅 拌 时 间 不 少 于5min, 搅 拌 必 须 充 分 、 均匀, 稠度 适 中; 2.2 拌 制 砂 浆 的 过程中绝不 允许掺加水 泥、 快凝剂 、 防 冻剂 、 填充 料 、 色料 等 任何形式的 添加剂 ; 3. 基 层 上粘 贴 翻包网 格 布 3.1 凡在 粘 贴 的 岩 棉 板 边缘外 露处 都应做 标准 耐 碱 型 网 格 布 翻包处 理 , 具 体 部 位 包括 : 1) 门 窗 洞 口 处 ; 2) 女 儿 墙 收 头 处 3.2 裁 取300mm 宽 的 标准 型 耐 碱 耐 碱 网 格 布 条 ; 3.3 需 要 做 翻包处 理 的 部 位 基 层 上抹 出 100mm 宽2~ 3mm 厚 的 粘 结 砂 浆 ; 3.4 抹 好 的 粘 结 剂 上铺 设 耐 碱 网 格 布 条 , 并 用 不 锈 钢 抹 子 均匀压 入 粘 结 剂 内 , 压 入 宽 度100mm, 让 剩 下 部 分 网 格 布 甩 出 并 保 持 清 洁 , 待 将 来 翻包用 。 . . . . 专业资料 4.粘结剂 4.1 在岩棉板表面上用点框结合法涂抹粘结剂; 4.2 应保证粘结剂在岩棉板表面的有效粘...

1、当您付费下载文档后,您只拥有了使用权限,并不意味着购买了版权,文档只能用于自身使用,不得用于其他商业用途(如 [转卖]进行直接盈利或[编辑后售卖]进行间接盈利)。
2、本站所有内容均由合作方或网友上传,本站不对文档的完整性、权威性及其观点立场正确性做任何保证或承诺!文档内容仅供研究参考,付费前请自行鉴别。
3、如文档内容存在违规,或者侵犯商业秘密、侵犯著作权等,请点击“违规举报”。

碎片内容

岩棉板外墙保温专项施工工艺标准

小辰5+ 关注
实名认证
内容提供者

出售各种资料和文档

相关文档

确认删除?
VIP
微信客服
  • 扫码咨询
会员Q群
  • 会员专属群点击这里加入QQ群
客服邮箱
回到顶部